南京轴承厂 南京轴承有限公司 南京哈宁轴承制造有限公司 南京工艺装备制造有限公司
设为首页 加入收藏夹 联系我们
电话:025-52217447、86629730 QQ:349831866
图文传真:025-52300551 联系人:刘长岭 13801591302
首页 | 产品大全 | 贸易知识 | 技术知识 | 轴承知识 | 行业新闻 | 国内新闻 | 哈宁新闻 | 样本下载 | 轴承样本 | 现货信息 | 供应信息 | 价格信息 | 营业执照 | 企业商标 | 汇款资料 | 产品介绍 | 联系我们 | 价格表 | 微薄 |
搜索:

销售电话:138 0159 1302

您现在的位置是:首页 --->最新信息
AXK、AX、AXW、AS、WS、GS、LS滚针轴承目录

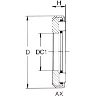
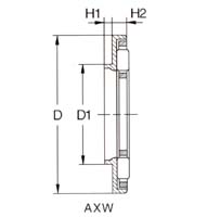
shaft diameter bearing type bounday dimensions(mm) basic load rating(N) limiting speed(rpm) weight
(mm) current type original type Dc1 Dc Dw dynamic static grease oil (g)
 
4 AXK 0414 TN   4 14 2 4100 7900 14000 5500 0.7
5 AXK 0515 TN   5 15 2 4000 8500 13000 4800 0.8
6 AXK 0619 TN   6 19 2 6000 12000 12000 4200 1
8 AXK 0821 TN   8 21 2 7100 13500 11000 4000 2
10 AXK 1024   10 24 2 7800 24000 9500 3600 3
12 AXK 1226   12 26 2 8200 26700 7200 3200 3
15 AXK 1528   15 28 2 9500 33000 6500 3000 4
17 AXK 1730   17 30 2 10200 36500 5500 2800 4
20 AXK 2035   20 35 2 11000 43000 5000 2600 5
25 AXK 2542   25 42 2 12500 538000 4500 2300 7
30 AXK 3047   30 47 2 14000 656000 4100 2100 8
35 AXK 3552   35 52 2 15500 770000 3700 2000 10
40 AXK 4060   40 60 3 25000 1100000 3200 1900 16
45 AXK 4565   45 65 3 25800 1250000 3000 1700 18
50 AXK 5070   50 70 3 27600 1370000 2800 1600 20
55 AXK 5578   55 78 3 35000 1950000 2600 1500 28
60 AXK 6085   60 85 3 38600 2400000 2500 1100 33
65 AXK 6590   65 90 3 41000 2580000 2400 1000 35
70 AXK 7095   70 95 4 50000 2670000 2100 950 60
75 AXK 75100   75 100 4 51000 2750000 1900 900 61
80 AXK 80105   80 105 4 52400 2850000 1800 870 63
85 AXK 85110   85 110 4 54000 3000000 1700 850 67
90 AXK 90120   90 120 4 66000 4100000 1580 800 86
100 AXK 100135   100 135 4 76000 5570000 1400 770 104
110 AXK 110145   110 145 4 82000 6000000 1300 740 122
120 AXK 120155   120 155 4 84800 6620000 1200 700 131
130 AXK 130170   130 170 5 110000 9300000 1100 660 205
140 AXK 140180   140 180 5 115000 9100000 1000 620 219
150 AXK 150190   150 190 5 118000 9600000 950 580 232
160 AXK 160200   160 200 5 125000 10000000 900 500 246

  AX 715   7 15 2.3 3100 3250 6400 18400 0.0016
  AX 816   8 16 2.3 3100 7900 6300 18000 0.0017
  AX 1022   10 22 2.8 6200 15300 4700 13700 0.0044
  AX 1022   10 22 4 6200 15300 4700 13700 0.0068
  AX 1528   15 28 4 8100 26900 3600 10500 0.0098
  AX 2542   25 42 5 13100 58000 2300 6600 0.0257
  AX 2744   27 44 2.8 13700 61900 2200 6200 0.0127
  AX 4060   40 60 2.8 20000 110000 1500 4400 0.0239
  AX 4565   45 65 2.8 21000 123000 1400 4000 0.0247
                     
  AXW 10   10 27 3/3.2 9200 25500 6000 14000 8.3
  AXW 12   12 29 3/3.2 9900 29000 5500 13000 9.1
  AXW 15   15 31 3.5/3.2 11300 36000 5200 11000 10.1
  AXW 17   17 33 3.5/3.2 11900 39500 4500 10000 11
  AXW 20   20 38 3.5/3.2 13100 46500 4000 8500 14
  AXW 25   25 45 4/3.2 14700 58000 3000 7000 19.5
  AXW 30   30 50 4/3.2 16300 7000 2000 6000 22
  AXW 35   35 55 4/3.2 17800 81000 1700 5500 26.6
  AXW 40   40 63 4/4.2 28000 114000 1500 4700 39.2
  AXW 45   45 68 4/4.2 30000 128000 1200 4300 43.4
  AXW 50   50 73 4.5/4.2 32000 143000 1000 3900 49.2

  AS 0414       4 14 1   1  
  AS 0515       5 15 1   1  
  AS 0619 LS 0619     6 19 1 2.75 2 4
  AS 0821 LS 0821     8 21 1 2.75 2 4
  AS 1024 LS 1024     10 24 1 2.75 3 7
  AS 1226 LS 1226     12 26 1 2.75 3 8
  AS 1528 LS 1528 WS 81102 GS 81102 15 28 1 2.75 3 9
  AS 1730 LS 1730 WS 81103 GS 81103 17 30 1 2.75 4 9
  AS 2035 LS 2035 WS 81104 GS 81104 20 35 1   5 13
  AS 2542 LS 2542 WS 81105 GS 81105 25 42 1 3 7 19
  AS 3047 LS 3047 WS 81106 GS 81106 30 47 1 3 8 22
  AS 3552 LS 3552 WS 81107 GS 81107 35 52 1 3.5 9 29
  AS 4060 LS 4060 WS 81108 GS 81108 40 60 1   12 40
  AS 4565 LS 4565 WS 81109 GS 81109 45 65 1 4 13 50
  AS 5070 LS 5070 WS 81110 GS 81110 50 70 1 4 14 55
  AS 5578 LS 5578 WS 81111 GS 81111 55 78 1 5 18 88
  AS 6085 LS 6085 WS 81112 GS 81112 60 85 1 4.75 22 97
  AS 6590 LS 6590 WS 81113 GS 81113 65 90 1 5.25 24 115
  AS 7095 LS 7095 WS 81114 GS 81114 70 95 1 5.25 25 123
  AS 75100 LS 75100 WS 81115 GS 81115 75 100 1 5.25 27 142
  AS 80105 LS 80105 WS 81116 GS 81116 80 105 1 5.25 28 151
  AS 85110 LS 85110 WS 81117 GS 81117 85 110 1 5.25 29 159
  AS 90120 LS 90120 WS 81118 GS 81118 90 120 1 6.5 39 234
  AS 100135 LS 100135 WS 81120 GS 81120 100 135 1 7 50 350
  AS 110145 LS 110145 WS 81122 GS 81122 110 145 1 7 55 385
  AS 120155 LS 120155 WS 81124 GS 81124 120 155 1 7 59 415
  AS 130170 LS 130170 WS 81126 GS 81126 130 170 1 9 65 663
  AS 140180 LS 140180 WS 81128 GS 81128 140 180 1 9.5 79 749
  AS 150190 LS 150190 WS 81130 GS 81130 150 190 1 9.5 84 796
  AS 160200 LS 160200 WS 81132 GS 81132 160 200 1 9.5 89 842
关于我们 - 设为首页 - 加入收藏 - 营业执照 - 企业商标 - 汇款资料 - 产品介绍 - 联系我们 - 友情连接 - 企业库 - VIP会员 - 贴吧
单位汇款资料:南京哈宁轴承制造有限公司 开户行及帐号:工行朝天宫分理处4301021409100005958
个人汇款资料:中国农业银行南京白下分行 6228460390011617510 刘长岭 苏ICP备16004265号-1