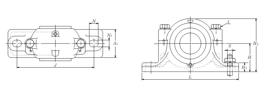
| SNZ213轴承座设置环的标称数目的数字表示轴端配置的外端。直径和宽度尺寸。2个维度是从轴承中心轴注近似距离:尺寸snz231大配有吊环螺栓 |
|
|
 
|
Bearing |
Shaft |
Abutment and fillet dimensions |
Approx. |
Mass |
Nominal |
|
dia. |
number |
|
mm |
Self-aligning |
|
numbers |
d |
d2 |
d 3 |
D |
H |
J |
N 1 |
N |
A |
L |
A1 |
H 1 |
H2 |
g |
t |
S |
kg |
ball bearings |
|
SNZ206 |
30 |
25 |
35 |
62 |
50 |
150 |
15 |
20 |
77 |
185 |
52 |
22 |
90 |
30 |
M 8 |
M12 |
1.8 |
2206 |
22206 |
|
SNZ207 |
35 |
30 |
45 |
72 |
50 |
150 |
15 |
20 |
82 |
185 |
52 |
22 |
95 |
33 |
M10 |
M12 |
2.2 |
2207 |
22207 |
|
SNZ208 |
40 |
35 |
50 |
80 |
60 |
170 |
15 |
20 |
85 |
205 |
60 |
25 |
110 |
33 |
M10 |
M12 |
2.9 |
2208 |
22208 |
|
SNZ209 |
45 |
40 |
55 |
85 |
60 |
170 |
15 |
20 |
85 |
205 |
60 |
25 |
112 |
31 |
M10 |
M12 |
3.2 |
2209 |
22209 |
|
SNZ210 |
50 |
45 |
60 |
90 |
60 |
170 |
15 |
20 |
90 |
205 |
60 |
25 |
115 |
33 |
M10 |
M12 |
3.4 |
2210 |
22210 |
|
SNZ211 |
55 |
50 |
65 |
100 |
70 |
210 |
18 |
23 |
95 |
255 |
70 |
28 |
130 |
33 |
M12 |
M16 |
4.5 |
2211 |
22211 |
|
SNZ212 |
60 |
55 |
70 |
110 |
70 |
210 |
18 |
23 |
105 |
255 |
70 |
30 |
135 |
38 |
M12 |
M16 |
5.4 |
2212 |
22212 |
|
SNZ213 |
65 |
60 |
75 |
120 |
80 |
230 |
18 |
23 |
110 |
275 |
80 |
30 |
150 |
43 |
M12 |
M16 |
6.2 |
2213 |
22213 |
|
SNZ214 |
70 |
60 |
80 |
125 |
80 |
230 |
18 |
23 |
115 |
275 |
80 |
30 |
155 |
44 |
M12 |
M16 |
6.7 |
2213 |
22214 |
|
SNZ215 |
75 |
65 |
85 |
130 |
80 |
230 |
18 |
23 |
115 |
280 |
80 |
30 |
155 |
41 |
M12 |
M16 |
7.6 |
2215 |
22215 |
|
SNZ216 |
80 |
70 |
90 |
140 |
95 |
260 |
22 |
27 |
120 |
315 |
90 |
32 |
175 |
43 |
M16 |
M20 |
9.4 |
2216 |
22216 |
|
SNZ217 |
85 |
75 |
95 |
150 |
95 |
260 |
22 |
27 |
125 |
320 |
90 |
32 |
185 |
46 |
M16 |
M20 |
10 |
2217 |
22217 |
|
SNZ218 |
90 |
80 |
100 |
160 |
100 |
290 |
22 |
27 |
145 |
345 |
100 |
35 |
195 |
62.4 |
M16 |
M20 |
13 |
2218 |
22218 |
|
SNZ219 |
95 |
85 |
110 |
170 |
112 |
290 |
22 |
27 |
140 |
345 |
100 |
35 |
210 |
53 |
M16 |
M20 |
16 |
2219 |
22219 |
|
SNZ220 |
100 |
90 |
115 |
180 |
112 |
320 |
26 |
32 |
160 |
380 |
110 |
40 |
218 |
70.3 |
M20 |
M24 |
18 |
2220 |
22220 |
|
SNZ222 |
110 |
100 |
125 |
200 |
125 |
350 |
26 |
32 |
175 |
410 |
120 |
45 |
240 |
80 |
M20 |
M24 |
23 |
2222 |
22222 |
|
SNZ224 |
120 |
110 |
135 |
215 |
140 |
350 |
26 |
32 |
185 |
410 |
120 |
45 |
270 |
86 |
M20 |
M24 |
25 |
− |
22224 |
|
SNZ226 |
130 |
115 |
145 |
230 |
150 |
380 |
28 |
36 |
190 |
445 |
130 |
50 |
290 |
90 |
M24 |
M24 |
32 |
− |
22226 |
|
SNZ228 |
140 |
125 |
155 |
250 |
150 |
420 |
33 |
42 |
205 |
500 |
150 |
50 |
305 |
98 |
M24 |
M30 |
41 |
− |
22228 |
|
SNZ230 |
150 |
135 |
165 |
270 |
160 |
450 |
33 |
42 |
220 |
530 |
160 |
60 |
325 |
106 |
M24 |
M30 |
49 |
− |
22230 |
|
SNZ232 |
160 |
140 |
175 |
290 |
170 |
470 |
33 |
42 |
235 |
550 |
160 |
60 |
345 |
114 |
M24 |
M30 |
57 |
− |
22232 |
|
|
|
|