| 79241/28滚针轴承、39242/28滚针轴承、19243/28滚针轴承 |
|
|

|
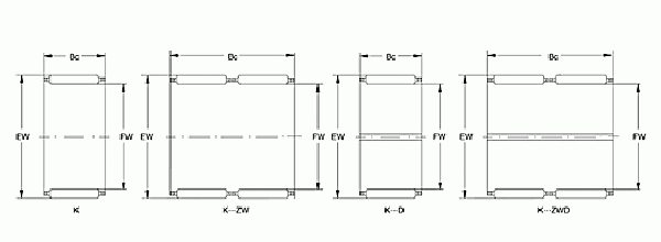
轴径 |
轴承型号 |
重量 |
外形尺寸 |
额定负荷 |
极限转速 |
|
Bearing Designation |
Mass |
BoundaryDimensions |
BasicLoadRating |
Limiting Speed |
|
Shaft |
现型号 |
原型号 |
Approx |
Fw |
D |
C |
动 |
静 |
油润滑 Oil |
|
CurrentCode |
OriginalCode |
Dynamic |
Static |
|
mm |
g |
mm |
N |
rpm |
|
26 |
K26X30X10 |
|
9 |
26 |
30 |
10 |
9500 |
15500 |
16000 |
|
K26X30X13 |
|
11.4 |
26 |
30 |
13 |
11100 |
18700 |
16000 |
|
K26X30X17 |
|
15 |
26 |
30 |
17 |
14700 |
27000 |
16000 |
|
K26X31X13 |
|
9.9 |
26 |
31 |
13 |
12400 |
18400 |
15000 |
|
K26X30X22 |
|
12.3 |
26 |
30 |
22 |
15200 |
28000 |
16000 |
|
27 |
K27X32X17 |
|
29 |
27 |
32 |
27 |
16000 |
34000 |
17000 |
|
28 |
K28X32X16.5 |
|
16 |
28 |
32 |
16.5 |
15000 |
32400 |
14000 |
|
K28X32X17 |
9242/28 |
18.2 |
28 |
32 |
17 |
15000 |
32400 |
14000 |
|
K28X33X13 |
29241/25 |
15.2 |
28 |
33 |
13 |
14800 |
23600 |
14000 |
|
K28X33X17 |
49241/28 |
19.5 |
28 |
33 |
17 |
19100 |
33000 |
14000 |
|
K28X33X27 TN |
79241/28 |
19 |
28 |
33 |
27 |
22800 |
40500 |
14000 |
|
K28X34X17 |
39242/28 |
24.2 |
28 |
34 |
17 |
21300 |
35000 |
14000 |
|
K28X35X16 |
19243/28 |
26 |
28 |
35 |
16 |
21000 |
29000 |
14000 |
|
K28X35X18 |
|
31 |
28 |
35 |
18 |
23500 |
33500 |
14000 |
|
K28X35X20 |
29243/28 |
35 |
28 |
35 |
20 |
24000 |
34000 |
14000 |
|
K28X35X27 |
|
47 |
28 |
35 |
27 |
34500 |
54500 |
14000 |
|
K28X36X16 |
|
40 |
28 |
36 |
16 |
34000 |
47000 |
11000 |
|
K28X40X18 |
|
50 |
28 |
40 |
18 |
33000 |
36500 |
12000 |
|
K28X40X25 |
|
71 |
28 |
40 |
25 |
45000 |
54500 |
12000 |
|
30 |
K30X33X10 |
|
|
30 |
33 |
10 |
|
|
|
|
K30X34X13 |
|
14.6 |
30 |
34 |
13 |
11800 |
21200 |
13000 |
|
K30X35X13 |
29241/30 |
16.3 |
30 |
35 |
13 |
15100 |
25000 |
13000 |
|
K30X35X17 |
49241/30 |
21.3 |
30 |
35 |
17 |
19100 |
33500 |
13000 |
|
K30X35X26 |
|
|
30 |
35 |
26 |
|
|
|
|
K30X35X27 |
19241/30 |
33.3 |
30 |
35 |
27 |
30000 |
58500 |
13000 |
|
K30X37X16 |
19243/30 |
26.4 |
30 |
37 |
16 |
22500 |
33000 |
13000 |
|
K30X38X25 |
29244/30 |
43 |
30 |
38 |
25 |
16000 |
390000 |
13000 |
|
K30X39X21 |
|
|
30 |
39 |
21 |
|
|
|
|
K30X40X18 |
|
44 |
30 |
40 |
18 |
31500 |
39500 |
12000 |
|
K30X40X27 |
92401/30T |
60 |
30 |
40 |
27 |
|
|
|
|
K30X40X30 |
49243/30 |
78 |
30 |
40 |
30 |
48500 |
68500 |
13000 |
|
K30X35X26 |
|
32 |
30 |
35 |
26 |
23500 |
43500 |
12000 |
|
K30X42X44.1 |
|
|
30 |
42 |
44.1 |
|
|
|
|
32 |
K32X37X13 |
29241/32 |
18.3 |
32 |
37 |
13 |
15000 |
25000 |
12000 |
|
K32X37X17 |
49241/32 |
22.4 |
32 |
37 |
17 |
19400 |
35000 |
12000 |
|
K32X37X27 |
19241/32 |
36.7 |
32 |
37 |
27 |
29500 |
59500 |
12000 |
|
K32X37X28 TN |
|
22.3 |
32 |
37 |
28 |
23100 |
43000 |
12000 |
|
K32X38X16 |
|
25 |
32 |
38 |
16 |
21000 |
34000 |
12000 |
|
K32X38X20 |
49242/32 |
31 |
32 |
38 |
20 |
26000 |
44500 |
12000 |
|
K32X38X26 TN |
|
25.2 |
32 |
38 |
26 |
27000 |
46500 |
12000 |
|
K32X39X16 |
19243/32 |
36.7 |
32 |
39 |
16 |
23500 |
35000 |
12000 |
|
K32X39X18 |
|
37.2 |
32 |
39 |
18 |
26000 |
40500 |
12000 |
|
K32X40X20 |
19244/32 |
48 |
32 |
40 |
20 |
37000 |
40500 |
12000 |
|
K32X40X36 |
|
73 |
32 |
40 |
36 |
53500 |
91500 |
12000 |
|
K32X46X32 |
|
119 |
32 |
46 |
32 |
65500 |
82500 |
11000 |
|
K32X40X42 TN |
|
771 |
32 |
40 |
42 |
49500 |
83500 |
12000 |
|
|
|
|