|
|
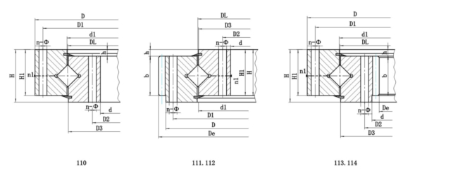
| 交叉滚子转盘轴承113.25.500、114.25.500、113.25.560、114.25.560、113.25.630、114.25.630、113.25.710、114.25.710 |
|
 | 生产厂家: | 南京哈宁轴承制造有限公司 |
| |  | 公司地址: | 江苏省南京市莫愁路195号 |
| |  | 联系电话: | 025-86629730 |
| |  | 公司传真: | 025-52300551 |
| |  | 联 系 人: | 刘长岭 |
| |  | 联系邮件: | lcl@8767.com |
| |  | 产品价格: | ¥.00 |
| |  | 网上报价: | ¥.00 |
| |
|

|
轴承型号 |
外形尺寸(mm) |
齿轮参数 |
外齿参数 |
内齿参数 |
|
无齿式 |
外齿式 |
内齿式 |
D |
d |
T |
b |
m |
da |
z |
da |
z |
|
110.25.500 |
111.25.500 |
113.25.500 |
602 |
398 |
75 |
60 |
5 |
629 |
123 |
367 |
74 |
|
|
112.25.500 |
114.25.500 |
602 |
398 |
75 |
60 |
6 |
628.8 |
102 |
368.4 |
62 |
|
110.25.560 |
111.25.560 |
113.25.560 |
662 |
458 |
75 |
60 |
5 |
689 |
135 |
427 |
86 |
|
|
112.25.560 |
114.25.560 |
662 |
458 |
75 |
60 |
6 |
688.8 |
112 |
428.4 |
72 |
|
110.25.630 |
111.25.630 |
113.25.630 |
732 |
528 |
75 |
60 |
6 |
772.8 |
126 |
494.4 |
83 |
|
|
112.25.630 |
114.25.630 |
732 |
528 |
75 |
60 |
8 |
774.4 |
94 |
491.2 |
62 |
|
110.25.710 |
111.25.710 |
113.25.710 |
812 |
608 |
75 |
60 |
6 |
850.8 |
139 |
572.4 |
96 |
|
|
112.25.710 |
114.25.710 |
812 |
608 |
75 |
60 |
8 |
854.4 |
104 |
571.2 |
72 | |
|
|
|
|
|
|
|