|
|
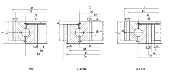
| 四点接触球转盘轴承013.25.315、013.25.355、013.25.400、013.25.450、013.25.500、013.25.560、013.25.630、013.25.710、014.30.500、014.30.560、014.30.630、014.30.710 |
|
 | 生产厂家: | 南京哈宁轴承制造有限公司 |
| |  | 公司地址: | 江苏省南京市莫愁路195号 |
| |  | 联系电话: | 025-86629730 |
| |  | 公司传真: | 025-52300551 |
| |  | 联 系 人: | 刘长岭 |
| |  | 联系邮件: | lcl@8767.com |
| |  | 产品价格: | ¥.00 |
| |  | 网上报价: | ¥.00 |
| |
|

|
轴承型号 |
外形尺寸(mm) |
齿轮参数 |
外齿参数 |
内齿参数 |
|
无齿式 |
外齿式 |
内齿式 |
D |
d |
T |
b |
m |
da |
z |
da |
z |
|
010.20.250 |
011.20.250 |
|
330 |
170 |
60 |
40 |
4 |
352 |
86 |
|
|
|
010.20.280 |
011.20.280 |
|
360 |
200 |
60 |
40 |
4 |
348 |
94 |
|
|
|
010.25.315 |
011.25.315 |
013.25.315 |
408 |
222 |
70 |
50 |
5 |
435 |
85 |
190 |
40 |
|
010.25.355 |
011.25.355 |
013.25.355 |
448 |
262 |
70 |
50 |
5 |
475 |
93 |
235 |
49 |
|
010.25.400 |
011.25.400 |
013.25.400 |
493 |
307 |
70 |
50 |
6 |
528 |
86 |
276 |
48 |
|
010.25.450 |
011.25.450 |
013.25.450 |
534 |
375 |
70 |
50 |
6 |
576 |
94 |
324 |
56 |
|
010.30.500 |
011.30.500 |
013.30.500 |
602 |
398 |
80 |
60 |
5 |
629 |
123 |
367 |
74 |
|
|
012.30.500 |
014.30.500 |
602 |
398 |
80 |
60 |
6 |
628.8 |
102 |
368.4 |
62 |
|
010.30.560 |
011.30.560 |
013.30.560 |
662 |
458 |
80 |
60 |
5 |
689 |
135 |
427 |
86 |
|
|
012.30.560 |
014.30.560 |
662 |
458 |
80 |
60 |
6 |
688.8 |
112 |
428.4 |
72 |
|
010.30.630 |
011.30.630 |
013.30.630 |
732 |
528 |
80 |
60 |
6 |
772.8 |
126 |
494.4 |
83 |
|
|
012.30.630 |
014.30.630 |
732 |
528 |
80 |
60 |
8 |
774.4 |
94 |
491.2 |
62 |
|
010.30.710 |
011.30.710 |
013.30.710 |
812 |
608 |
80 |
60 |
6 |
850.6 |
139 |
572.4 |
96 |
|
|
012.30.710 |
014.30.710 |
812 |
608 |
80 |
60 |
8 |
854.4 |
104 |
571.2 |
72 | |
|
|
|
|
|
|
|