|
|
| 四点接触球转盘轴承011.20.250、011.20.280、011.20.315、011.20.355、011.20.400、011.20.450、011.30.500、011.30.560、011.30.630、011.30.710、012.30.500、012.30.560、012.30.630、012.30.710 |
|
 | 生产厂家: | 南京哈宁轴承制造有限公司 |
| |  | 公司地址: | 江苏省南京市莫愁路195号 |
| |  | 联系电话: | 025-86629730 |
| |  | 公司传真: | 025-52300551 |
| |  | 联 系 人: | 刘长岭 |
| |  | 联系邮件: | lcl@8767.com |
| |  | 产品价格: | ¥.00 |
| |  | 网上报价: | ¥.00 |
| |
|

|
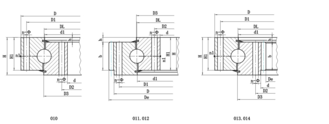
序号 |
基本型号 |
外型尺寸 |
安装尺寸 |
结构尺寸 |
齿轮参数 |
外齿参数 |
内齿参数 |
齿轮圆周力 |
参考 |
|
重量 |
|
无齿式 |
外齿式 |
内齿式 |
D |
d |
H |
D 1 |
D 2 |
n |
Ø |
dm |
L |
n 1 |
D 3 |
d 1 |
H 1 |
h |
b |
x |
M |
D e |
z |
D e |
z |
正火 |
调质 |
(kg) |
|
D L |
D L |
D L |
|
|
|
|
|
|
|
|
|
|
|
|
|
|
|
|
|
Z 104N |
T 104N |
|
mm |
mm |
mm |
mm |
mm |
mm |
mm |
mm |
mm |
mm |
mm |
mm |
mm |
mm |
mm |
mm |
mm |
mm |
mm |
mm |
|
|
|
1 |
010.20.200 |
011.20.200 |
|
280 |
120 |
60 |
248 |
152 |
12 |
16 |
M14 |
28 |
2 |
201 |
199 |
50 |
10 |
40 |
0 |
3 |
300 |
98 |
|
|
|
|
|
|
2 |
010.20.224 |
011.20.224 |
|
304 |
144 |
60 |
272 |
176 |
12 |
16 |
M14 |
28 |
2 |
225 |
223 |
50 |
10 |
40 |
0 |
3 |
321 |
105 |
|
|
|
|
|
|
3 |
010.20.250 |
011.20.250 |
|
330 |
170 |
60 |
298 |
202 |
18 |
16 |
M14 |
28 |
2 |
251 |
249 |
50 |
10 |
40 |
0 |
4 |
352 |
86 |
|
|
|
|
|
|
4 |
010.20.280 |
011.20.280 |
|
360 |
200 |
60 |
328 |
232 |
18 |
16 |
M14 |
28 |
2 |
281 |
279 |
50 |
10 |
40 |
0 |
4 |
384 |
94 |
|
|
|
|
|
|
5 |
010.25.315 |
011.25.315 |
013.25.315 |
408 |
222 |
70 |
372 |
258 |
20 |
18 |
M16 |
32 |
2 |
316 |
314 |
60 |
10 |
50 |
0 |
5 |
435 |
85 |
190 |
40 |
2.9 |
4.4 |
|
|
6 |
010.25.355 |
011.25.355 |
013.25.355 |
448 |
262 |
70 |
412 |
298 |
20 |
18 |
M16 |
32 |
2 |
356 |
354 |
60 |
10 |
50 |
0 |
5 |
475 |
93 |
235 |
49 |
2.9 |
4.4 |
|
|
7 |
010.25.400 |
011.25.400 |
013.25.400 |
493 |
307 |
70 |
457 |
343 |
20 |
18 |
M16 |
32 |
2 |
401 |
399 |
60 |
10 |
50 |
0 |
6 |
528 |
86 |
276 |
48 |
3.5 |
5.3 |
|
|
8 |
010.25.450 |
011.25.450 |
013.25.450 |
543 |
357 |
70 |
507 |
393 |
20 |
18 |
M16 |
32 |
2 |
451 |
449 |
60 |
10 |
50 |
0 |
6 |
576 |
94 |
324 |
56 |
3.5 |
5.3 |
|
|
9 |
010.30.500 |
011.30.500 |
013.30.500 |
602 |
398 |
80 |
566 |
434 |
20 |
18 |
M16 |
32 |
4 |
501 |
498 |
70 |
10 |
60 |
0.5 |
5 |
629 |
123 |
367 |
74 |
3.7 |
5.2 |
85 |
|
012.30.500 |
014.30.500 |
6 |
628.8 |
102 |
368.4 |
62 |
4.5 |
6.2 |
|
9’ |
010.25.500 |
011.25.500 |
013.25.500 |
602 |
398 |
80 |
566 |
434 |
20 |
18 |
M16 |
32 |
4 |
501 |
499 |
70 |
10 |
60 |
0.5 |
5 |
629 |
123 |
367 |
74 |
3.7 |
5.2 |
85 |
|
012.25.500 |
014.25.500 |
6 |
628.8 |
102 |
368.4 |
62 |
4.5 |
6.2 |
|
10 |
010.30.560 |
011.30.560 |
013.30.560 |
662 |
458 |
80 |
626 |
494 |
20 |
18 |
M16 |
32 |
4 |
561 |
558 |
70 |
10 |
60 |
0.5 |
5 |
689 |
135 |
427 |
86 |
3.7 |
5.2 |
95 |
|
012.30.560 |
014.30.560 |
6 |
688.8 |
112 |
428.4 |
72 |
4.5 |
6.2 |
|
10’ |
010.25.560 |
011.25.560 |
013.25.560 |
662 |
458 |
80 |
626 |
494 |
20 |
18 |
M16 |
32 |
4 |
561 |
559 |
70 |
10 |
60 |
0.5 |
5 |
689 |
135 |
427 |
86 |
3.7 |
5.2 |
95 |
|
012.25. 560 |
014.25.560 |
6 |
688.8 |
112 |
428.4 |
72 |
4.5 |
6.2 |
|
11 |
010.30.630 |
011.30.630 |
013.30.630 |
732 |
528 |
80 |
696 |
564 |
24 |
18 |
M16 |
32 |
4 |
631 |
628 |
70 |
10 |
60 |
0.5 |
6 |
772.8 |
126 |
494.4 |
83 |
4.5 |
6.2 |
110 |
|
012.30.630 |
014.30.630 |
8 |
774.4 |
94 |
491.2 |
62 |
6 |
8.3 |
|
11’ |
010.25.630 |
011.25.630 |
013.25.630 |
732 |
528 |
80 |
696 |
564 |
24 |
18 |
M16 |
321 |
4 |
631 |
629 |
70 |
10 |
60 |
0.5 |
6 |
772.8 |
126 |
494.4 |
83 |
4.5 |
6.2 |
110 |
|
012.25.630 |
014.25.630 |
8 |
774.4 |
94 |
491.2 |
62 |
6 |
8.2 |
|
12 |
010.30.710 |
011.30.710 |
013.30.710 |
812 |
608 |
80 |
776 |
644 |
24 |
18 |
M16 |
32 |
4 |
711 |
708 |
70 |
10 |
60 |
0.5 |
6 |
850.8 |
139 |
572.4 |
96 |
4.5 |
6.2 |
120 |
|
012.30.710 |
014.30.710 |
8 |
854.4 |
104 |
571.2 |
72 |
6 |
8.3 |
|
12’ |
010.25.710 |
011.25.710 |
013.25.710 |
812 |
608 |
80 |
776 |
644 |
24 |
18 |
M16 |
32 |
4 |
711 |
709 |
70 |
10 |
60 |
0.5 |
6 |
850.8 |
139 |
572.4 |
96 |
4.5 |
6.2 |
120 |
|
012.25.710 |
014.25.710 |
8 |
854.4 |
104 |
571.2 |
72 |
6 |
8.9 |
|
13 |
010.40.800 |
011.40.800 |
013.40.800 |
922 |
678 |
100 |
878 |
722 |
30 |
22 |
M20 |
40 |
6 |
801 |
798 |
90 |
10 |
80 |
0.5 |
8 |
966.4 |
118 |
635.2 |
80 |
8 |
11.1 |
220 |
|
012.40.800 |
014.40.800 |
10 |
968 |
94 |
634 |
64 |
10 |
14 |
|
13’ |
010.30.800 |
011.30.800 |
013.30.800 |
922 |
678 |
100 |
878 |
722 |
30 |
22 |
M20 |
40 |
6 |
801 |
798 |
90 |
10 |
80 |
0.5 |
8 |
966.4 |
118 |
635.2 |
80 |
8 |
11.1 |
220 |
|
012.30.800 |
014.30.800 |
10 |
968 |
94 |
634 |
64 |
10 |
14.1 |
|
14 |
010.40.900 |
011.40.900 |
013.40.900 |
1022 |
778 |
100 |
978 |
822 |
30 |
22 |
M20 |
40 |
6 |
901 |
898 |
90 |
10 |
80 |
0.5 |
8 |
1062.4 |
130 |
739.2 |
93 |
8 |
11.1 |
240 |
|
012.40.900 |
014.40.900 |
10 |
1068 |
104 |
734 |
74 |
10 |
14 |
|
14’ |
010.30.900 |
011.30.900 |
013.30.900 |
1022 |
778 |
100 |
978 |
822 |
30 |
22 |
M20 |
40 |
6 |
901 |
898 |
90 |
10 |
80 |
0.5 |
8 |
1062.4 |
130 |
739.2 |
93 |
8 |
11.1 |
240 |
|
012.30.900 |
014.30.900 |
10 |
1068 |
104 |
734 |
74 |
10 |
14 |
|
15 |
010.40.1000 |
011.40.1000 |
013.40.1000 |
1122 |
878 |
100 |
1078 |
922 |
36 |
22 |
M20 |
40 |
6 |
1001 |
998 |
90 |
10 |
80 |
0.5 |
10 |
1188 |
116 |
824 |
83 |
10 |
14 |
270 |
|
012.40.1000 |
014.40.1000 |
12 |
1185.6 |
96 |
820.8 |
69 |
12 |
16.7 |
|
15’ |
010.30.1000 |
011. 30.1000 |
013.30.1000 |
1122 |
878 |
100 |
1078 |
922 |
36 |
22 |
M20 |
40 |
6 |
1001 |
998 |
90 |
10 |
80 |
0.5 |
10 |
1188 |
116 |
824 |
83 |
10 |
14 |
270 |
|
012. 30.1000 |
014.30.1000 |
12 |
1185.6 |
96 |
820.8 |
69 |
12 |
16.7 |
|
16 |
010.40.1120 |
011.40.1120 |
013.40.1120 |
1242 |
998 |
100 |
1198 |
1042 |
36 |
22 |
M20 |
40 |
6 |
1121 |
1118 |
90 |
10 |
80 |
0.5 |
10 |
1298 |
127 |
944 |
95 |
10 |
14 |
300 |
|
012.40.1120 |
014.40.1120 |
12 |
1305.6 |
106 |
940.8 |
79 |
12 |
16.7 |
|
16’ |
010.30.1120 |
011.30.1120 |
013.30.1120 |
1242 |
998 |
100 |
1198 |
1042 |
36 |
22 |
M20 |
40 |
6 |
1121 |
1118 |
90 |
10 |
80 |
0.5 |
10 |
1298 |
127 |
944 |
95 |
10 |
14 |
300 |
|
012.30.1120 |
014.30.1120 |
12 |
1305.6 |
106 |
940.8 |
79 |
12 |
16.7 |
|
17 |
010.45.1250 |
011.45.1250 |
013.45.1250 |
1390 |
1110 |
110 |
1337 |
1163 |
40 |
26 |
M24 |
48 |
5 |
1252 |
1248 |
100 |
10 |
90 |
0.5 |
12 |
1449.6 |
118 |
1048.8 |
88 |
13.5 |
18.8 |
420 |
|
012.45.1250 |
014.45.1250 |
14 |
1453.2 |
101 |
1041.6 |
75 |
15.8 |
21.9 |
|
17’ |
010.35.1250 |
011.35.1250 |
013.35.1250 |
1390 |
1110 |
110 |
1337 |
1163 |
40 |
26 |
M24 |
48 |
5 |
1251 |
1248 |
100 |
10 |
90 |
0.5 |
12 |
1449.6 |
118 |
1048.8 |
88 |
13.5 |
18.8 |
420 |
|
012.35.1250 |
014.35.1250 |
14 |
1453.2 |
101 |
1041.6 |
75 |
15.8 |
21.9 |
|
18 |
010.45.1400 |
011.45.1400 |
013.45.1400 |
1540 |
1260 |
110 |
1487 |
1313 |
40 |
26 |
M24 |
48 |
5 |
1402 |
1398 |
100 |
10 |
90 |
0.5 |
12 |
1605.6 |
131 |
1192.8 |
100 |
13.5 |
18.8 |
480 |
|
012.45.1400 |
014.45.1400 |
14 |
1607.2 |
112 |
1195.6 |
86 |
15.5 |
21.9 |
|
18’ |
010.35.1400 |
011.35.1400 |
013.35.1400 |
1540 |
1260 |
110 |
1487 |
1313 |
40 |
26 |
M24 |
48 |
5 |
1401 |
1398 |
100 |
10 |
90 |
0.5 |
12 |
1605.6 |
131 |
1192.8 |
100 |
13.5 |
18.8 |
480 |
|
012.35.1400 |
014.35.1400 |
14 |
1607.2 |
112 |
1195.6 |
86 |
15.8 |
21.9 |
|
19 |
011.45.1600 |
011.45.1600 |
013.45.1600 |
1740 |
1460 |
110 |
1687 |
1513 |
45 |
26 |
M24 |
48 |
5 |
1602 |
1598 |
100 |
10 |
90 |
0.5 |
14 |
1817.2 |
127 |
1391.6 |
100 |
15.8 |
21.9 |
550 |
|
012.45.1600 |
014.45.1600 |
16 |
1820.8 |
111 |
1382.4 |
87 |
18.1 |
25 |
|
19’ |
010.35.1600 |
011.35.1600 |
013.35.1600 |
1740 |
1460 |
110 |
1687 |
1513 |
45 |
26 |
M24 |
48 |
5 |
1601 |
1598 |
100 |
10 |
90 |
0.5 |
14 |
1817.2 |
127 |
1391.6 |
100 |
15.8 |
21.9 |
550 |
|
012.35.1600 |
014.35.1600 |
16 |
1820.8 |
111 |
1382.4 |
87 |
18.1 |
25 |
|
20 |
010.45.1800 |
011.45.1800 |
013.45.1800 |
1940 |
1660 |
110 |
1887 |
1713 |
45 |
26 |
M24 |
48 |
5 |
1802 |
1798 |
100 |
10 |
90 |
0.5 |
14 |
2013.2 |
141 |
1573.6 |
113 |
15.8 |
21.9 |
610 |
|
012.45.1800 |
014.45.1800 |
16 |
2012.8 |
123 |
1574.4 |
99 |
18.1 |
25 |
|
20’ |
010.35.1800 |
011.35.1800 |
013.35.1800 |
1940 |
1660 |
110 |
1887 |
1713 |
45 |
26 |
M24 |
48 |
5 |
1801 |
1798 |
100 |
10 |
90 |
0.5 |
14 |
2013.2 |
141 |
1573.6 |
113 |
15.8 |
21.9 |
610 |
|
012.35.1800 |
014.35.1800 |
16 |
2012.8 |
123 |
1574.4 |
99 |
18.1 |
25 |
|
21 |
010.60.2000 |
011.60.2000 |
013.60.2000 |
2178 |
1825 |
144 |
2110 |
1891 |
48 |
33 |
M30 |
60 |
8 |
2002 |
1998 |
132 |
12 |
120 |
0.5 |
16 |
2268.8 |
139 |
1734.4 |
109 |
24.1 |
33.3 |
1100 |
|
012.60.2000 |
014.60.2000 |
18 |
2264.4 |
123 |
1735.2 |
97 |
27.1 |
37.5 |
|
21’ |
010.40.2000 |
011.40.2000 |
013.40.2000 |
2178 |
1825 |
144 |
2110 |
1891 |
48 |
33 |
M30 |
60 |
8 |
2001 |
1998 |
132 |
12 |
120 |
0.5 |
16 |
2268.8 |
139 |
1734.4 |
109 |
24.1 |
33.3 |
1100 |
|
012.40.2000 |
014.40.2000 |
18 |
2264.4 |
123 |
1735.2 |
97 |
27.1 |
37.5 |
|
22 |
010.60.2240 |
011.60.2240 |
013.60.2240 |
2418 |
2065 |
144 |
2350 |
2131 |
48 |
33 |
M30 |
60 |
8 |
2242 |
2238 |
132 |
12 |
120 |
0.5 |
16 |
2492.8 |
153 |
1990.4 |
125 |
24.1 |
33.3 |
1250 |
|
012.60.2240 |
014.60.2240 |
18 |
2498.4 |
136 |
1987.2 |
111 |
27.1 |
37.5 |
|
22’ |
010.40.2240 |
011.40.2240 |
013.40.2240 |
2418 |
2065 |
144 |
2350 |
2131 |
48 |
33 |
M30 |
60 |
8 |
2241 |
2238 |
132 |
12 |
120 |
0.5 |
16 |
2492.8 |
153 |
1990.4 |
125 |
24.1 |
33.3 |
1250 |
|
012.40.2240 |
014.40.2240 |
18 |
2498.4 |
136 |
1987.2 |
111 |
27.1 |
37.5 |
|
23 |
010.60.2500 |
011.60.2500 |
013.60.2500 |
2678 |
2325 |
144 |
2610 |
2391 |
56 |
33 |
M30 |
60 |
8 |
2502 |
2498 |
132 |
12 |
120 |
0.5 |
18 |
2768.4 |
151 |
2239.2 |
125 |
27.1 |
37.5 |
1400 |
|
012.60.2500 |
014.60.2500 |
20 |
2776 |
136 |
2228 |
112 |
30.1 |
41.8 |
|
23’ |
010.40.2500 |
011.40.2500 |
013.40.2500 |
2678 |
2325 |
144 |
2610 |
2391 |
56 |
33 |
M30 |
60 |
8 |
2501 |
2498 |
132 |
12 |
120 |
0.5 |
18 |
2768.4 |
151 |
2239.2 |
125 |
27.1 |
37.5 |
1400 |
|
012.40.2500 |
014.40.2500 |
20 |
2776 |
136 |
2228 |
112 |
30.1 |
41.8 |
|
24 |
010.60.2800 |
011.60.2800 |
013.60.2800 |
2978 |
2625 |
144 |
2910 |
2691 |
56 |
33 |
M30 |
60 |
8 |
2802 |
2798 |
132 |
12 |
120 |
0.5 |
18 |
3074.4 |
168 |
2527.2 |
141 |
27.1 |
37.5 |
1600 |
|
012.60.2800 |
014.60.2800 |
20 |
3076 |
151 |
2528 |
127 |
30.1 |
41.8 |
|
24’ |
010.40.2800 |
011.40.2800 |
013.40.2800 |
2978 |
2625 |
144 |
2910 |
2691 |
56 |
33 |
M30 |
60 |
8 |
2802 |
2798 |
132 |
12 |
120 |
0.5 |
18 |
3074.4 |
168 |
2527.2 |
141 |
27.1 |
37.5 |
1600 |
|
012.40.2800 |
014.40.2800 |
20 |
3076 |
151 |
2528 |
127 |
30.1 |
41.8 |
|
25 |
010.75.3150 |
011.75.3150 |
013.75.3150 |
3376 |
2922 |
174 |
3286 |
3014 |
56 |
45 |
M42 |
84 |
8 |
3152 |
3147 |
162 |
12 |
150 |
0.5 |
20 |
3476 |
171 |
2828 |
142 |
37.7 |
52.2 |
2800 |
|
012.75.3150 |
014.75.3150 |
22 |
3471.6 |
155 |
2824.8 |
129 |
41.5 |
57.4 |
|
25’ |
010.50.3150 |
011.50.3150 |
013.50.3150 |
3376 |
2922 |
174 |
3286 |
3014 |
56 |
45 |
M42 |
84 |
8 |
3152 |
3147 |
162 |
12 |
150 |
0.5 |
20 |
3476 |
171 |
2828 |
142 |
37.7 |
52.2 |
2800 |
|
012.50.3150 |
014.50.3150 |
22 |
3471.6 |
155 |
2824.8 |
129 |
41.5 |
57.4 | |
|
|
|
|
|
|
|