|
|
| 叁件套外螺纹杆端轴承SA5E、SA6E、SA8E、SA10E、SA12E、SA15ES、SA17ES、SA20ES、SA25ES、SA30ES、SA35ES、SA40ES、SA45ES、SA50ES、SA5LE、SA6LE、SA8LE、SA10LE、SA12LE、SA15LES、SA17LES、SA20LES、SA25LES、SA30LES、SA35LES、SA40LES、SA45LES、SA50LRS |
|
 | 生产厂家: | 南京哈宁轴承制造有限公司 |
| |  | 公司地址: | 江苏省南京市莫愁路195号 |
| |  | 联系电话: | 025-86629730 |
| |  | 公司传真: | 025-52300551 |
| |  | 联 系 人: | 刘长岭 |
| |  | 联系邮件: | lcl@8767.com |
| |  | 产品价格: | ¥.00 |
| |  | 网上报价: | ¥.00 |
| |
|

|
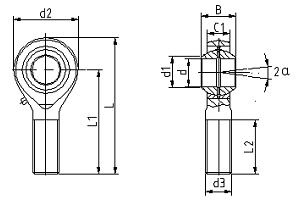
轴承 型号 |
外形尺寸 (mm) |
基本额定负载(KN) |
|
重量 (g) |
|
d |
d2 |
B |
C1 |
d3 |
L1 |
L2 |
L |
d1 |
Cd |
Cs |
|
SA5E |
5 |
21 |
6 |
4.5 |
M5X0.8 |
36 |
16 |
48 |
7 |
3.4 |
17 |
13 |
11 |
|
SA6E |
6 |
21 |
6 |
4.5 |
M6X1 |
36 |
16 |
48 |
8 |
3.4 |
17 |
13 |
13 |
|
SA8E |
8 |
24 |
8 |
6.5 |
M8X1.25 |
42 |
21 |
55 |
10 |
5.5 |
27.6 |
13 |
26 |
|
SA10E |
10 |
29 |
9 |
7.5 |
M10X1.5 |
48 |
26 |
63 |
13 |
8.1 |
40.8 |
13 |
44 |
|
SA12E |
12 |
34 |
10 |
8.5 |
M12X1.75 |
54 |
28 |
71 |
15 |
10.7 |
53.5 |
13 |
66 |
|
SA15ES |
15 |
40 |
12 |
10.5 |
M14X2 |
63 |
34 |
83 |
18 |
16.8 |
84.1 |
13 |
121 |
|
SA17ES |
17 |
46 |
14 |
11.5 |
M16X2 |
69 |
36 |
92 |
20 |
21.2 |
106 |
13 |
172 |
|
SA20ES |
20 |
53 |
16 |
13.5 |
M20X1.5 |
78 |
43 |
105 |
24 |
29.5 |
148 |
13 |
283 |
|
SA25ES |
25 |
64 |
20 |
18 |
M24X2 |
94 |
53 |
126 |
29 |
48.2 |
241 |
13 |
504 |
|
SA30ES |
30 |
73 |
22 |
20 |
M30X2 |
110 |
65 |
147 |
34 |
62.2 |
311 |
13 |
835 |
|
SA35ES |
35 |
82 |
25 |
22 |
M36X3 |
140 |
82 |
182 |
39 |
79.9 |
399 |
13 |
1410 |
|
SA40ES |
40 |
92 |
28 |
24 |
M39X3 |
150 |
86 |
198 |
45 |
99 |
495 |
13 |
1860 |
|
SA45ES |
45 |
102 |
32 |
28 |
M42X3 |
163 |
92 |
217 |
50 |
127.5 |
637.5 |
13 |
2570 |
|
SA50ES |
50 |
112 |
35 |
31 |
M45X3 |
185 |
104 |
246 |
55 |
157 |
785.4 |
13 |
3580 |
|
SA60ES |
60 |
135 |
44 |
39 |
M52X3 |
210 |
115 |
282 |
66 |
244.8 |
1224 |
13 |
5730 | |
|
|
|
|
|
|
|