|
|
| 英制单开缝向心关节轴承GEZ12ES、GEZ15ES、GEZ19ES、GEZ22ES、GEZ25ES、GEZ31ES、GEZ34ES、GEZ38ES、GEZ44ES、GEZ50ES、GEZ57ES、GEZ63ES、GEZ69ES、GEZ76ES、GEZ82ES、GEZ88ES、GEZ95ES、GEZ101ES、GEZ107ES、GEZ114ES、GEZ120ES、GEZ127ES、GEZ152ES |
|
 | 生产厂家: | 南京哈宁轴承制造有限公司 |
| |  | 公司地址: | 江苏省南京市莫愁路195号 |
| |  | 联系电话: | 025-86629730 |
| |  | 公司传真: | 025-52300551 |
| |  | 联 系 人: | 刘长岭 |
| |  | 联系邮件: | lcl@8767.com |
| |  | 产品价格: | ¥.00 |
| |  | 网上报价: | ¥.00 |
| |
|
 |
 |
|
|
|
|
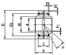
轴承型号 |
外形尺寸 |
额定载荷 |
重量 (kg) |
|
d |
D |
B |
C |
dk |
rs min |
rls min |
|
动载荷 |
静载荷 |
|
GEZ12ES |
|
12.7 |
22.225 |
11.1 |
9.525 |
18 |
0.15 |
0.6 |
6 |
13 |
41 |
0.022 |
|
GEZ15ES |
|
15.875 |
26.988 |
13.894 |
11.913 |
23 |
0.15 |
0.6 |
6 |
22 |
65 |
0.036 |
|
GEZ19ES |
GEZ19ES-2RS |
19.05 |
31.75 |
16.662 |
14.275 |
27.5 |
0.3 |
0.6 |
6 |
31 |
95 |
0.053 |
|
GEZ22ES |
GEZ22ES-2RS
|
22.225 |
36.513 |
19.431 |
16.662 |
32 |
0.3 |
0.6 |
6 |
42 |
127 |
0.085 |
|
GEZ25ES |
GEZ25ES-2RS |
25.4 |
41.275 |
22.225 |
19.05 |
36.5 |
0.3 |
0.6 |
6 |
56 |
166 |
0.121 |
|
GEZ31ES |
GEZ31ES-2RS |
31.75 |
50.8 |
27.762 |
23.8 |
45.5 |
0.6 |
0.6 |
6 |
86 |
260 |
0.23 |
|
GEZ34ES |
GEZ34ES-2RS |
34.925 |
55.563 |
30.15 |
26.187 |
49 |
0.6 |
1 |
6 |
102 |
310 |
0.35 |
|
GEZ38ES |
GEZ38ES-2RS |
38.1 |
61.913 |
33.325 |
28.575 |
54.7 |
0.6 |
1 |
6 |
125 |
375 |
0.42 |
|
GEZ44ES |
GEZ44ES-2RS |
44.45 |
71.438 |
38.887 |
33.325 |
63.9 |
0.6 |
1 |
6 |
170 |
510 |
0.64 |
|
GEZ50ES |
GEZ50ES-2RS |
50.8 |
80.963 |
44.45 |
38.1 |
73 |
0.6 |
1 |
6 |
224 |
670 |
0.93 |
|
GEZ57ES |
GEZ57ES-2RS |
57.15 |
90.488 |
50.013 |
42.85 |
82 |
0.6 |
1 |
6 |
280 |
850 |
1.3 |
|
GEZ63ES |
GEZ63ES-2RS |
63.5 |
100.013 |
55.55 |
47.625 |
92 |
1 |
1 |
6 |
355 |
1060 |
1.85 |
|
GEZ69ES |
GEZ69ES-2RS |
69.85 |
111.125 |
61.112 |
52.375 |
100 |
1 |
1 |
6 |
415 |
1250 |
2.4 |
|
GEZ76ES |
GEZ76ES-2RS |
76.2 |
120.65 |
66.675 |
57.15 |
109.5 |
1 |
1 |
6 |
500 |
1500 |
3.1 |
|
GEZ82ES |
GEZ82ES-2RS |
82.55 |
130.175 |
72.238 |
61.9 |
119 |
1 |
1 |
6 |
585 |
1760 |
3.8 |
|
GEZ88ES |
GEZ88ES-2RS |
88.9 |
139.7 |
77.775 |
66.675 |
128 |
1 |
1 |
6 |
680 |
2040 |
4.8 |
|
GEZ95ES |
GEZ95ES-2RS |
95.25 |
149.225 |
83.337 |
71.425 |
137 |
1 |
1 |
6 |
780 |
2360 |
5.8 |
|
GEZ101ES |
GEZ101ES-2RS |
101.6 |
158.75 |
88.9 |
76.2 |
146 |
1 |
1 |
6 |
900 |
2650 |
7 |
|
GEZ107ES |
GEZ107ES-2RS |
107.95 |
168.275 |
94.463 |
80.95 |
155 |
1 |
1 |
6 |
1000 |
3000 |
8.41 |
|
GEZ114ES |
GEZ114ES-2RS |
114.3 |
177.8 |
100.013 |
85.725 |
164.5 |
1 |
1 |
6 |
1120 |
3400 |
9.8 |
|
GEZ120ES |
GEZ120ES-2RS |
120.65 |
187.325 |
105.562 |
90.475 |
173.5 |
1 |
1 |
6 |
1250 |
3750 |
11.5 |
|
GEZ127ES |
GEZ127ES-2RS |
127 |
196.85 |
111.125 |
95.25 |
183 |
1 |
1 |
6 |
1400 |
4150 |
13.5 |
|
GEZ152ES |
GEZ152ES-2RS |
152.4 |
222.25 |
120.65 |
104.775 |
207 |
1 |
1 |
5 |
1730 |
5200 |
17.5 | |
|
|
|
|
|
|
|