|
|
| 支承滚轮轴承NATR5、NATR6、NATR8、NATR10、NATR12、NATR15、NATR17、NATR20、NATR25、NATR30、NATR35、NATR40、NATR45、NATR50、NATV5、NATV6、NATV8、NATV10、NATV12、NATV15、NATV17、NATV20、NATV25、NATV30、NATV35、NATV40、NATV50 |
|
 | 生产厂家: | 南京哈宁轴承制造有限公司 |
| |  | 公司地址: | 江苏省南京市莫愁路195号 |
| |  | 联系电话: | 025-86629730 |
| |  | 公司传真: | 025-52300551 |
| |  | 联 系 人: | 刘长岭 |
| |  | 联系邮件: | lcl@8767.com |
| |  | 产品价格: | ¥.00 |
| |  | 网上报价: | ¥.00 |
| |
|
 |

|
|
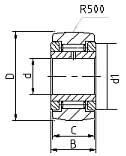
轴径 15~50mm |
|
| 外径 |
轴承型号及近似单重 |
偏心套尺寸 |
基本额定负荷 |
极限转速 |
|
无密封 |
单重 |
带密封 |
单重 |
d |
D |
B |
C |
d1 |
动 |
静 |
作为曲线滚轮 |
脂润滑 |
| CW |
COW |
|
mm |
g |
g |
mm |
N |
rpm |
|
16 |
NATR5 |
14 |
NATR5PP |
14 |
5 |
16 |
12 |
11 |
12 |
3050 |
3000 |
2050 |
2400 |
22000 |
|
NATV5 |
15 |
ANTV5PP |
15 |
5 |
16 |
12 |
11 |
12 |
4500 |
6300 |
3680 |
4300 |
8500 |
|
19 |
NATR6 |
20 |
NATR6PP |
20 |
6 |
19 |
12 |
11 |
14 |
3600 |
3650 |
2450 |
2850 |
20000 |
|
NATV6 |
21 |
NATV6PP |
21 |
6 |
19 |
12 |
11 |
14 |
5700 |
8700 |
4600 |
6750 |
7000 |
|
24 |
NATR8 |
41 |
NATR8PP |
41 |
8 |
24 |
15 |
14 |
19 |
4500 |
5400 |
3900 |
4500 |
5000 |
|
NATV8 |
42 |
ANTV8PP |
42 |
8 |
24 |
15 |
14 |
19 |
8600 |
12000 |
6700 |
9800 |
5500 |
|
30 |
NATR10 |
64 |
NATR10PP |
64 |
10 |
30 |
15 |
14 |
23 |
6100 |
7800 |
4500 |
6900 |
11000 |
|
NATV10 |
65 |
NATV10PP |
65 |
10 |
30 |
15 |
14 |
23 |
10900 |
17000 |
7600 |
11800 |
4500 |
|
32 |
NATR12 |
71 |
NATR12PP |
71 |
12 |
32 |
15 |
14 |
25 |
6600 |
9800 |
4660 |
7000 |
9000 |
|
NATV12 |
72 |
ANTV12PP |
72 |
12 |
32 |
15 |
14 |
25 |
11800 |
19000 |
7800 |
13000 |
3900 |
|
35 |
NATR15 |
103 |
NATR15PP |
103 |
15 |
35 |
19 |
18 |
27 |
10500 |
17500 |
7800 |
11500 |
7000 |
|
NATV15 |
105 |
NATV15PP |
105 |
15 |
35 |
19 |
18 |
27 |
16000 |
32500 |
10200 |
20500 |
3400 |
|
40 |
NATR17 |
144 |
NATR17PP |
144 |
17 |
40 |
21 |
20 |
32 |
11800 |
19400 |
9500 |
13500 |
6000 |
|
NATV17 |
152 |
ANTV17PP |
152 |
17 |
40 |
21 |
20 |
32 |
19600 |
37000 |
1200 |
23000 |
2900 |
|
47 |
NATR20 |
246 |
NATR20PP |
246 |
20 |
47 |
25 |
24 |
37 |
17500 |
29800 |
13500 |
22500 |
4900 |
|
NATV20 |
254 |
NATV20PP |
254 |
20 |
47 |
25 |
24 |
37 |
25800 |
57000 |
19000 |
39500 |
2600 |
|
52 |
NATR25 |
275 |
NATR25PP |
275 |
25 |
52 |
25 |
24 |
42 |
19500 |
36500 |
13400 |
23500 |
3600 |
|
NATV25 |
285 |
ANTV25PP |
285 |
25 |
52 |
25 |
24 |
42 |
29000 |
69600 |
19800 |
40900 |
2100 |
|
62 |
NATR30 |
470 |
NATR30PP |
470 |
30 |
62 |
29 |
28 |
51 |
31000 |
57500 |
20900 |
35500 |
2600 |
|
NATV30 |
481 |
NATV30PP |
481 |
30 |
62 |
29 |
28 |
51 |
45500 |
104000 |
27800 |
60900 |
1700 |
|
72 |
NATR35 |
635 |
NATR35PP |
635 |
35 |
72 |
29 |
28 |
58 |
34500 |
67500 |
22500 |
41000 |
2000 |
|
NATV35 |
647 |
NATV34PP |
647 |
35 |
72 |
29 |
28 |
58 |
50800 |
109500 |
30900 |
70800 |
1400 |
|
80 |
NATR40 |
805 |
NATR40PP |
805 |
40 |
80 |
32 |
30 |
66 |
47000 |
91500 |
30900 |
56500 |
1700 |
|
NATV40 |
890 |
NATV40PP |
890 |
40 |
80 |
32 |
30 |
66 |
64000 |
139000 |
39800 |
87800 |
1300 |
|
85 |
NATR45 |
910 |
NATR45PP |
910 |
45 |
85 |
32 |
30 |
72 |
49100 |
98000 |
30600 |
56900 |
1500 |
|
90 |
NATV50 |
960 |
ANTV50PP |
960 |
50 |
90 |
32 |
30 |
76 |
50500 |
10600 |
30600 |
57500 |
1300 |
|
NATR50 |
990 |
NATR50PP |
990 |
50 |
90 |
32 |
30 |
76 |
69500 |
187000 |
38700 |
90900 |
1000 | |
|
|
|
|
|
|
|