南京轴承厂 南京轴承有限公司 南京哈宁轴承制造有限公司 南京工艺装备制造有限公司
设为首页 加入收藏夹 联系我们
电话:025-52217447、86629730 QQ:349831866
图文传真:025-52300551 联系人:刘长岭 13801591302
首页 | 产品大全 | 贸易知识 | 技术知识 | 轴承知识 | 行业新闻 | 国内新闻 | 哈宁新闻 | 样本下载 | 轴承样本 | 现货信息 | 供应信息 | 价格信息 | 营业执照 | 企业商标 | 汇款资料 | 产品介绍 | 联系我们 | 价格表 | 微薄 |
搜索:

销售电话:138 0159 1302

您现在的位置是:首页 --->产品大全

产品信息及联系方式

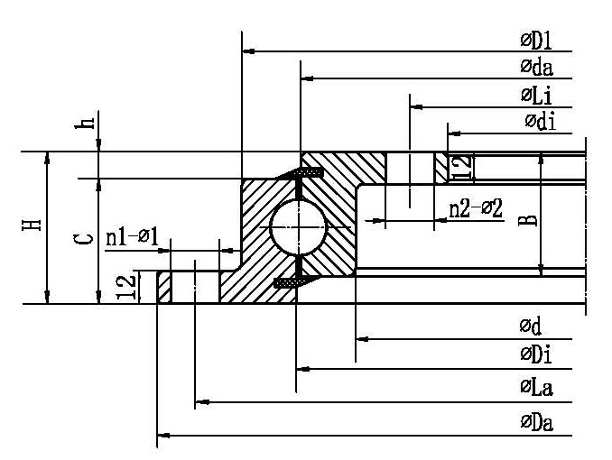
单列四点接触球型回转支承(带内齿)SIR16/340、SIR16/486、SIR25/562、SIR20/657、SIR25/722、SIR40/817、SIR30/812、SIR30/812、SIR25/952、SIR20/976、SIR20/1166、SIR25/1200、SIR30/1228、SIR40/1258、SIR30/1255
生产厂家:南京哈宁轴承制造有限公司
公司地址:江苏省南京市莫愁路195号
联系电话:025-86629730
公司传真:025-52300551
联 系 人:刘长岭
联系邮件:lcl@8767.com
产品价格:¥.00
网上报价:¥.00
产品信息及联系方式

 

外型尺寸Dimension(mm)

重量
Weight(kg)
轴承代号
Da di C B H La Li dB n* d0 m z
340 216 34 34 39 324 252 9 20 224 4 56 12 SIR16/340
486 332 34 34 39 462 378 14 16 340 4 85 24 SIR16/486
562 384 50 50 55 538 440 14 40 396 6 66 43 SIR25/562
657 462 43 48 55 625 525 18 16 474 6 79 55 SIR20/657
722 504 52 52 59 690 580 18 24 520 8 65 70 SIR25/722
817 560 79 79 86 785 640 18 52 580 10 58 140 SIR40/817
812 584 61 61 68 780 660 18 40 600 8 75 100 SIR30/812
952 736 53 53 60 920 810 18 20 752 8 94 100 SIR25/952
976 776 43 53 60 944 850 18 32 792 8 99 90 SIR20/976
1166 960 45 55 64 1134 1040 18 40 980 10 98 115 SIR20/1166
1200 950 54 75 84 1160 1040 22 30 970 10 97 180 SIR25/1200
1228 960 64 70 79 1188 1052 22 40 980 10 98 205 SIR30/1228
1258 936 81 95 104 1210 1045 26 36 960 12 80 320 SIR40/1258
1255 984 64 64 73 1215 1085 22 40 1008 12 84 200 SIR30/1255
1330 1060 75 75 85 1290 1150 22 48 1080 10 108 250 SIR36/1330
1416 1140 82 82 92 1380 1228 20 76 1160 10 116 295 SIR40/1416
1465 1180 82 82 92 1425 1270 22 60 1200 10 120 320 SIR40/1465
1528 1176 100 100 110 1480 1290 26 56 1200 12 100 490 SIR50/1528
1630 1308 82 82 92 1582 1418 26 48 1332 12 111 400 SIR40/1630
1753 1416 100 100 110 1705 1525 26 64 1440 12 120 550 SIR50/1753
1830 1498 82 82 92 1782 1618 26 56 1526 14 109 460 SIR40/1830
1923 1568 100 100 110 1875 1695 26 72 1596 14 114 630 SIR50/1923
2024 1616 118 118 128 1970 1760 30 68 1648 16 103 890 SIR60/2024
2010 1740 64 72 82 1970 1840 22 48 1764 12 147 360 SIR30/2010
2088 1722 100 100 110 2040 1850 26 48 1750 14 125 740 SIR50/2088
2184 1764 122 122 136 2130 1921 30 72 1800 18 100 1030 SIR60/2184
2355 1920 122 122 136 2295 2065 33 64 1952 16 122 1170 SIR60/2355
2413 2072 96 96 110 2365 2195 26 84 2100 14 150 780 SIR45/2413
2700 2286 104 104 118 2640 2440 33 64 2322 18 129 1100 SIR50/2700
2775 2336 122 122 136 2715 2485 33 76 2368 16 148 1420 SIR60/2775
2800 2480 80 100 114 2760 2615 22 108 2520 20 126 750 SIR36/2800
3040 2628 104 104 118 2980 2775 33 72 2664 18 148 1260 SIR50/3040
3100 2796 95 95 109 3060 2900 22 160 2820 12 235 860 SIR45/3100
3455 3006 122 122 136 3395 3165 33 96 3042 18 169 1820 SIR60/3455
3565 3100 140 140 154 3505 3260 33 116 3140 20 157 2290 SIR70/3565
3560 3168 96 96 110 3500 3305 33 80 3200 16 200 1300 SIR45/35
3690 3200 158 158 172 3630 3370 33 124 3240 20 162 2720 SIR80/3690
3910 3420 158 158 172 3850 3590 33 132 3460 20 173 2890 SIR80/3910
4010 3520 158 158 172 3950 3690 33 136 3560 20 178 2990 SIR80/4010
4234 3720 158 158 172 4174 3896 33 144 3760 20 188 3330 SIR80/4234

产品分类
  微型深沟球轴承   深沟球轴承   调心球轴承   圆柱滚子轴承   调心滚子轴承   滚针轴承   角接触球轴承
  圆锥滚子轴承   推力球轴承   平面滚子轴承   偏心轴承   直线轴承   含油轴承   杆端轴承
  滚轮轴承   不锈钢轴承   叉车轴承   单向轴承   导轨滑块   组合轴承   英制球轴承
  汽车轴承   塑料轴承   高温轴承   关节轴承   滑动轴承座   外球面轴承   部分式轴承座
  紧定套   退卸套   外球面轴承座   外球面轴承带座   胀套   分离轴承   推力滚子轴承
  丝杠轴承   交叉滚子轴承   罗拉轴承   滚珠丝杆   转盘轴承   十字架轴承   双列球轴承
  钻具轴承   直线滑块   冲压轴承座   企业证书   推力关节轴承   轴承技术参数   非标轴承
  长圆柱滚子轴承   推力关节轴承   锌合金轴承座   轴承型号对照表   轴承座框架   英制圆锥滚子轴承   双列满滚子轴承
  直线轴承支撑   退卸套附件   水泵轴承   轴承附件   串联轴承   万向节   输送机专用轴承座
  回转支承   逆止器   弹性膜片联轴器   在线支付   滚动花键副   滚珠丝杠副   滚动直线导套副
  轴承加热器   薄壁角接触球轴承   薄壁深沟球轴承
关于我们 - 设为首页 - 加入收藏 - 营业执照 - 企业商标 - 汇款资料 - 产品介绍 - 联系我们 - 友情连接 - 企业库 - VIP会员
单位汇款资料:南京哈宁轴承制造有限公司 开户行及帐号:工行朝天宫分理处4301021409100005958
个人汇款资料:中国农业银行南京白下分行 6228460390011617510 刘长岭 苏ICP备16004265号-1