|
|
| 公制螺栓型滚轮滚针轴承CF4、CF5、CF6、CF8、CF10、CF12、CF16、CF18、CF20、CF24、CF30、系列 |
|
 | 生产厂家: | 南京哈宁轴承制造有限公司 |
| |  | 公司地址: | 江苏省南京市莫愁路195号 |
| |  | 联系电话: | 025-86629730 |
| |  | 公司传真: | 025-52300551 |
| |  | 联 系 人: | 刘长岭 |
| |  | 联系邮件: | lcl@8767.com |
| |  | 产品价格: | ¥.00 |
| |  | 网上报价: | ¥.00 |
| |
|
|
 
|
|
|
|
|
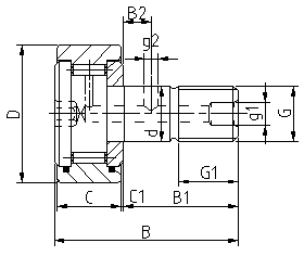
轴径 |
轴承型号及近似单重 |
外形尺寸 |
|
无密封圈、 有保持架 |
带密封圈、 有保持架 |
单重 |
D |
d |
C |
B |
B1 |
B2 |
G |
G1 |
g1 |
g2 |
|
mm |
国外代号 |
国内代号 |
国外代号 |
国内代号 |
|
g |
mm |
|
4 |
CF 4 B |
|
CF 4 BUU |
|
7.4 |
12 |
4 |
8 |
20 |
11 |
-- |
M4X0.7 |
6 |
-- |
-- |
|
5 |
CF 5 B |
KR 13 |
CF 5 BUU |
KR 13 PP |
10.3 |
13 |
5 |
9 |
23 |
13 |
-- |
M5X0.8 |
7.5 |
-- |
-- |
|
6 |
CF 6 B |
KR 16 |
CF 6 BUU |
KR 16 PP |
18.5 |
16 |
6 |
11 |
28 |
16 |
-- |
M6X1 |
8 |
-- |
-- |
|
8 |
CF 8 B |
KR 19 |
CF 8 BUU |
KR 19 PP |
28.5 |
19 |
8 |
11 |
32 |
20 |
-- |
M8X1.25 |
10 |
-- |
-- |
|
10 |
CF 10 B |
KR 22 |
CF 10 BUU |
KR 22 PP |
45 |
22 |
10 |
12 |
36 |
23 |
-- |
M10X1.25 |
12 |
-- |
-- |
|
CF 10-1 B |
KR 26 |
CF 10-1 BUU |
KR 26 PP |
60 |
26 |
10 |
12 |
36 |
23 |
-- |
M10X1.25 |
12 |
-- |
-- |
|
12 |
CF 12 B |
KR 30 |
CF 12 BUU |
KR 30 PP |
95 |
30 |
12 |
14 |
40 |
25 |
6 |
M12X1.5 |
13 |
6 |
3 |
|
CF 12-1 B |
KR 32 |
CF 12-1 BUU |
KR 32 PP |
105 |
32 |
12 |
14 |
40 |
25 |
6 |
M12X1.5 |
13 |
6 |
3 |
|
16 |
CF 16 B |
KR 35 |
CF 16 BUU |
KR 35 PP |
169 |
35 |
16 |
18 |
52 |
32.5 |
8 |
M16X1.5 |
17 |
6 |
3 |
|
18 |
CF 18 B |
KR 40 |
CF 18 BUU |
KR 40 PP |
250 |
40 |
18 |
20 |
58 |
36.5 |
8 |
M18X1.5 |
19 |
6 |
3 |
|
20 |
CF 20-1 B |
KR 47 |
CF 20-1 BUU |
KR 47 PP |
386 |
47 |
20 |
24 |
66 |
40.5 |
9 |
M20X1.5 |
21 |
8 |
4 |
|
CF 20 B |
KR 52 |
CF 20 BUU |
KR 52 PP |
461 |
52 |
20 |
29 |
66 |
40.5 |
9 |
M20X1.5 |
21 |
8 |
4 |
|
24 |
CF 24 B |
KR 62 |
CF 24 BUU |
KR 62 PP |
815 |
62 |
24 |
29 |
80 |
49.5 |
11 |
M24X1.5 |
25 |
8 |
4 |
|
CF 24-1 B |
KR 72 |
CF 24-1 BUU |
KR 72 PP |
1140 |
72 |
24 |
29 |
80 |
49.5 |
11 |
M24X1.5 |
25 |
8 |
4 |
|
30 |
CF 30 B |
KR 80 |
CF 30 BUU |
KR 80 PP |
1870 |
80 |
30 |
35 |
100 |
63 |
15 |
M30X1.5 |
32 |
8 |
4 |
|
CF 30-1 B |
KR 85 |
CF 30-1 BUU |
KR 85 PP |
2030 |
85 |
30 |
35 |
100 |
63 |
15 |
M30X1.5 |
32 |
8 |
4 |
|
CF 30-2 B |
KR 90 |
CF 30-2 BUU |
KR 90 PP |
2220 |
90 |
30 |
35 |
100 |
63 |
15 |
M30X1.5 |
32 |
8 |
4 | |
|
|
|
|
|
|
|