南京轴承厂 南京轴承有限公司 南京哈宁轴承制造有限公司 南京工艺装备制造有限公司
设为首页 加入收藏夹 联系我们
电话:025-52217447、86629730 QQ:349831866
图文传真:025-52300551 联系人:刘长岭 13801591302
首页 | 产品大全 | 贸易知识 | 技术知识 | 轴承知识 | 行业新闻 | 国内新闻 | 哈宁新闻 | 样本下载 | 轴承样本 | 现货信息 | 供应信息 | 价格信息 | 营业执照 | 企业商标 | 汇款资料 | 产品介绍 | 联系我们 | 价格表 | 微薄 |
搜索:

销售电话:138 0159 1302

您现在的位置是:首页 --->产品大全

产品信息及联系方式

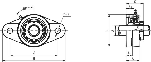
外球面轴承带座UKFL205、UKFL206、UKFL207、UKFL208、UKFL209、UKFL210、UKFL211、UKFL212、UKFL213、UKFL214、UKFL215、UKFL216
生产厂家:南京哈宁轴承制造有限公司
公司地址:江苏省南京市莫愁路195号
联系电话:025-86629730
公司传真:025-52300551
联 系 人:刘长岭
联系邮件:lcl@8767.com
产品价格:¥.00
网上报价:¥.00
产品信息及联系方式
带座轴
承代号
轴径 外形尺寸(mm)

螺栓规格

轴承代码

座代号

紧定套代号 重量
(kg)
可选用
d H J L A2 A1 A E N S1 紧定套代号
(in.) (mm) N
 UKFL205+HE2305 3/4 130 99 68 16 13 27 34.5 11.5 18.5 M10 UK205 FL205 HE2305 0.6 16
 UKFL205+H2305 20 130 99 68 16 13 27 34.5 11.5 18.5 M10 UK205 FL205 H2305 0.6 16
 UKFL206+HS2306 7/8 148 117 80 18 13 31 38.5 11.5 20.5 M10 UK206 FL206 HS2306 0.96 16
 UKFL206+HA2306 15/16 148 117 80 18 13 31 38.5 11.5 20.5 M10 UK206 FL206 HA2306 0.96 16
 UKFL206+H2306 25 148 117 80 18 13 31 38.5 11.5 20.5 M10 UK206 FL206 H2306 0.96 16
 UKFL206+HE2306 1 148 117 80 18 13 31 38.5 11.5 20.5 M10 UK206 FL206 HE2306 0.96 16
 UKFL207+HS2307 1-1/8 161 130 90 19 14 34 41.5 14 22.5 M12 UK207 FL207 HS2307 1.3 16
 UKFL207+H2307 30 161 130 90 19 14 34 41.5 14 22.5 M12 UK207 FL207 H2307 1.3 16
 UKFL207+HA2307 1-3/16 161 130 90 19 14 34 41.5 14 22.5 M12 UK207 FL207 HA2307 1.6 16
 UKFL208+HE2308 1-1/4 175 144 100 21 14 36 45.5 14 24.5 M12 UK208 FL208 HE2308 1.6 16
 UKFL208+HS2308 1-3/8 175 144 100 21 14 36 45.5 14 24.5 M12 UK208 FL208 HS2308 1.6 16
 UKFL208+H2308 35 175 144 100 21 14 36 45.5 14 24.5 M12 UK208 FL208 H2308 1.6 16
 UKFL209+HA2309 1-7/16 188 148 108 22 16 38 48 18 26 M16 UK209 FL209 HA2309 2.0 19
 UKFL209+HE2309 1-1/2 188 148 108 22 16 38 48 18 26 M16 UK209 FL209 HE2309 2.0 19
 UKFL20-+H2309 40 188 148 108 22 16 38 48 18 26 M16 UK209 FL209 H2309 2.0 19
 UKFL210+HS2310 1-5/8 197 157 115 22 16 40 49.5 18 27.5 M16 UK210 FL210 HS2310 2.3 19
 UKFL210+HA2310 1-11/16 197 157 115 22 16 40 49.5 18 27.5 M16 UK210 FL210 HA2310 2.3 19
 UKFL210+HE2310 1-3/4 197 157 115 22 16 40 49.5 18 27.5 M16 UK210 FL210 HE2310 2.3 19
 UKFL210+H2310 45 197 157 115 22 16 40 49.5 18 27.5 M16 UK210 FL210 H2310 2.3 19
 UKFL211+HS2311 1-7/8 224 184 130 25 18 43 53.5 18 28.5 M16 UK211 FL211 HS2311 3.3 19
 UKFL211+HA2311 1-15/16 224 184 130 25 18 43 53.5 18 28.5 M16 UK211 FL211 HA2311 3.3 19
 UKFL211+H2311 50 224 184 130 25 18 43 53.5 18 28.5 M16 UK211 FL211 H2311 3.3 19
 UKFL211+HE2311 2 224 184 130 25 18 43 53.5 18 28.5 M16 UK211 FL211 HE2311 3.3 19
 UKFL212+HS2312 2-1/8 250 202 140 29 18 48 60 18 31 M16 UK212 FL212 HS2312 4.0 23
 UKFL212+H2312 55 250 202 140 29 18 48 60 18 31 M16 UK212 FL212 H2312 4.0 23
 UKFL213+HA2313 2-3/16 258 210 155 30 20 50 62 23 32 M20 UK213 FL213 HA2313 5.1
 UKFL213+HE2313 2-1/4 258 210 155 30 20 50 62 23 32 M20 UK213 FL213 HE2313 5.1
 UKFL213+H2313 60 258 210 155 30 20 50 62 23 32 M20 UK213 FL213 H2313 5.1
 UKFL213+HS2313 2-3/8 258 210 155 30 20 50 62 23 32 M20 UK213 FL213 HS2313 5.1
 UKFL215+HA2315 2-7/16 275 225 164 34 22 55 69.5 23 35.5 M20 UK215 FL215 HA2315 6.4
 UKFL215+HE2315 2-1/2 275 225 164 34 22 55 69.5 23 35.5 M20 UK215 FL215 HE2315 6.4
 UKFL215+H2315 65 275 225 164 34 22 55 69.5 23 35.5 M20 UK215 FL215 H2315 6.4
 UKFL216+HA2316 2-11/16 290 233 180 34 22 58 73 25 39 M22 UK216 FL216 HA2316 8.0
 UKFL216+HE2316 2-3/4 290 233 180 34 22 58 73 25 39 M22 UK216 FL216 HE2316 8.0
 UKFL216+H2316 70 290 233 180 34 22 58 73 25 39 M22 UK216 FL216 H2316 8.0
产品分类
  微型深沟球轴承   深沟球轴承   调心球轴承   圆柱滚子轴承   调心滚子轴承   滚针轴承   角接触球轴承
  圆锥滚子轴承   推力球轴承   平面滚子轴承   偏心轴承   直线轴承   含油轴承   杆端轴承
  滚轮轴承   不锈钢轴承   叉车轴承   单向轴承   导轨滑块   组合轴承   英制球轴承
  汽车轴承   塑料轴承   高温轴承   关节轴承   滑动轴承座   外球面轴承   部分式轴承座
  紧定套   退卸套   外球面轴承座   外球面轴承带座   胀套   分离轴承   推力滚子轴承
  丝杠轴承   交叉滚子轴承   罗拉轴承   滚珠丝杆   转盘轴承   十字架轴承   双列球轴承
  钻具轴承   直线滑块   冲压轴承座   企业证书   推力关节轴承   轴承技术参数   非标轴承
  长圆柱滚子轴承   推力关节轴承   锌合金轴承座   轴承型号对照表   轴承座框架   英制圆锥滚子轴承   双列满滚子轴承
  直线轴承支撑   退卸套附件   水泵轴承   轴承附件   串联轴承   万向节   输送机专用轴承座
  回转支承   逆止器   弹性膜片联轴器   在线支付   滚动花键副   滚珠丝杠副   滚动直线导套副
  轴承加热器   薄壁角接触球轴承   薄壁深沟球轴承
关于我们 - 设为首页 - 加入收藏 - 营业执照 - 企业商标 - 汇款资料 - 产品介绍 - 联系我们 - 友情连接 - 企业库 - VIP会员
单位汇款资料:南京哈宁轴承制造有限公司 开户行及帐号:工行朝天宫分理处4301021409100005958
个人汇款资料:中国农业银行南京白下分行 6228460390011617510 刘长岭 苏ICP备16004265号-1