|
|
| DTII05A7124、DTII05A5143Y/Z、DTII05A5144、DTII05A5143S、DTII05A5144S、DTII05A6143Y/Z、DTII05A6144、DTII05A6143S、DTII05A6144S、DTII05A7143Y/Z、DTII05A7144、DTII05A7143S 、DTII05A7144S、DTII05A6163Y/Z、DTII05A6164、DTII05A6163S、DTII05A6164S、DTII05A7163Y/Z |
|
 | 生产厂家: | 南京哈宁轴承制造有限公司 |
| |  | 公司地址: | 江苏省南京市莫愁路99号 |
| |  | 联系电话: | 025-86629730、52217447、86622491 |
| |  | 公司传真: | 025-52300551(电话:86622492、86622493) |
| |  | 联 系 人: | 刘长岭 13801591302 |
| |  | 联系邮件: | hrbn@vip.qq.com |
| |  | 产品价格: | ¥.00 |
| |  | 网上报价: | ¥.00 |
| |
|

|
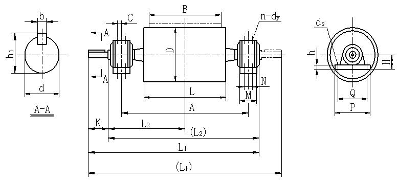
说明:Y—右单出轴; Z—左单出轴; S—双出轴 |
|
B |
许用 |
许用 |
D |
轴承 |
轴承座 |
胶 面 |
|
扭矩 |
合力 |
|
mm |
kN·N |
kN |
mm |
型号 |
型号 |
转动惯量 |
质量 |
人字形图号 |
菱形图号 |
|
kg·m2 |
kg |
|
500 |
2.7 |
49 |
500 |
1316 |
DTⅡZ1208 |
6 |
264 |
DTⅡ01A4083Y Z |
DTⅡ01A4084 |
|
650 |
3.5 |
40 |
DTⅡZ1308 |
7.8 |
298 |
DTⅡ02A4083Y Z |
DTⅡ02A4084 |
|
4.1 |
630 |
|
18.5 |
347 |
DTⅡ02A5083Y Z |
DTⅡ02A5084 |
|
6.3 |
59 |
500 |
3520 |
DTⅡZ1210 |
7.8 |
393 |
DTⅡ02A4103Y Z |
DTⅡ02A4104 |
|
7.3 |
80 |
630 |
DTⅡZ1310 |
18.5 |
451 |
DTⅡ02A5103Y Z |
DTⅡ02A5104 |
|
800 |
4.1 |
40 |
500 |
|
9.8 |
453 |
DTⅡ03A4103Y Z |
DTⅡ03A4104 |
|
6 |
50 |
630 |
|
23.5 |
521 |
DTⅡ03A5103Y Z |
DTⅡ03A5104 |
|
7 |
800 |
|
25 |
782 |
DTⅡ03A6103Y Z |
DTⅡ03A6104 |
|
12 |
80 |
630 |
3524 |
DTⅡZ1212 |
29.5 |
776 |
DTⅡ03A5123Y Z |
DTⅡ03A5124 |
|
800 |
DTⅡZ1312 |
58 |
887 |
DTⅡ03A6123Y Z |
DTⅡ03A6124 |
|
20 |
100 |
630 |
3528 |
DTⅡZ1114 |
32 |
920 |
DTⅡ03A5143Y Z |
DTⅡ03A5144 |
|
2×16 |
DTⅡZ1214 |
32 |
967 |
DTⅡ03A5143S |
DTⅡ03A5144S |
|
20 |
110 |
800 |
DTⅡZ1314 |
66.3 |
1095 |
DTⅡ03A6143Y Z |
DTⅡ03A6144 |
|
2×16 |
|
66.3 |
1143 |
DTⅡ03A6143S |
DTⅡ03A6144S |
|
32 |
160 |
3532 |
DTⅡZ1116 |
67.5 |
1253 |
DTⅡ03A6163Y Z |
DTⅡ03A6164 |
|
DTⅡZ1216 |
|
2×23 |
DTⅡZ1316 |
67.5 |
1287 |
DTⅡ03A6163S |
DTⅡ03A6164S |
|
1000 |
6 |
40 |
630 |
3520 |
DTⅡZ1210 |
26.5 |
585 |
DTⅡ04A5103Y Z |
DTⅡ04A5104 |
|
DTⅡZ1310 |
|
12 |
73 |
630 |
3524 |
DTⅡZ1212 |
38.3 |
857 |
DTⅡ04A5123Y Z |
DTⅡ04A5124 |
|
800 |
DTⅡZ1312 |
78.8 |
964 |
DTⅡ04A6123Y Z |
DTⅡ04A6124 |
|
80 |
1000 |
|
164.8 |
1162 |
DTⅡ04A7123Y Z |
DTⅡ04A7124 |
|
20 |
110 |
800 |
3528 |
DTⅡZ1114 |
80.3 |
1168 |
DTⅡ04A6143Y Z |
DTⅡ04A6144 |
|
DTⅡZ1214 |
|
2×16 |
DTⅡZ1314 |
80.3 |
1216 |
DTⅡ04A6143S |
DTⅡ04A6144S |
|
20 |
110 |
1000 |
3528 |
DTⅡZ1114 |
166.5 |
1408 |
DTⅡ04A7143Y Z |
DTⅡ04A7144 |
|
DTⅡZ1214 |
|
2×16 |
DTⅡZ1314 |
166.5 |
1456 |
DTⅡ04A7143S |
DTⅡ04A7144S |
|
27 |
160 |
800 |
3532 |
DTⅡZ1116 |
81.8 |
1376 |
DTⅡ04A6163Y Z |
DTⅡ04A6164 |
|
2×22 |
DTⅡZ1216 |
81.8 |
1410 |
DTⅡ04A6163S |
DTⅡ04A6164S |
|
27 |
170 |
1000 |
DTⅡZ1316 |
168.3 |
1617 |
DTⅡ04A7163Y Z |
DTⅡ04A7164 |
|
2×22 |
|
168.3 |
1651 |
DTⅡ04A7163S |
DTⅡ04A7164S |
|
40 |
190 |
800 |
3536 |
DTⅡZ1118 |
83.3 |
1691 |
DTⅡ04A6183Y Z |
DTⅡ04A6184 |
|
2×35 |
DTⅡZ1218 |
83.3 |
1744 |
DTⅡ04A6183S |
DTⅡ04A6184S |
|
40 |
210 |
1000 |
DTⅡZ1318 |
170 |
1928 |
DTⅡ04A7183Y Z |
DTⅡ04A7184 |
|
2×35 |
|
170 |
1981 |
DTⅡ04A7183S |
DTⅡ04A7184S |
|
52 |
330 |
3540 |
DTⅡZ1120 |
215.3 |
2585 |
DTⅡ04A7203Y Z |
DTⅡ04A7204 |
|
DTⅡZ1220 |
|
2×42 |
DTⅡZ1320 |
215.3 |
2677 |
DTⅡ04A7203S |
DTⅡ04A7204S |
|
1200 |
12 |
52 |
630 |
3524 |
DTⅡZ1212 |
46.5 |
967 |
DTⅡ05A5123Y Z |
DTⅡ05A5124 |
|
80 |
800 |
DTⅡZ1312 |
96 |
1059 |
DTⅡ05A6123Y Z |
DTⅡ05A6124 |
|
1000 |
|
200 |
1307 |
DTⅡ05A7123Y Z |
DTⅡ05A7124 |
|
20 |
85 |
630 |
3528 |
DTⅡZ1114 |
47.3 |
1156 |
DTⅡ05A5143Y Z |
DTⅡ05A5144 |
|
2×16 |
DTⅡZ1214 |
47.3 |
1204 |
DTⅡ05A5143S |
DTⅡ05A5144S |
|
20 |
110 |
800 |
DTⅡZ1314 |
97.8 |
1297 |
DTⅡ05A6143Y Z |
DTⅡ05A6144 |
|
2×16 |
|
97.8 |
1345 |
DTⅡ05A6143S |
DTⅡ05A6144S |
|
20 |
110 |
1000 |
3528 |
DTⅡZ1114 |
202.5 |
1567 |
DTⅡ05A7143Y Z |
DTⅡ05A7144 |
|
DTⅡZ1214 |
|
2×16 |
DTⅡZ1314 |
202.5 |
1615 |
DTⅡ05A7143S |
DTⅡ05A7144S |
|
27 |
140 |
800 |
3532 |
DTⅡZ1116 |
99.5 |
1520 |
DTⅡ05A6163Y Z |
DTⅡ05A6164 |
|
2×22 |
DTⅡZ1216 |
99.5 |
1554 |
DTⅡ05A6163S |
DTⅡ05A6164S |
|
27 |
160 |
1000 |
DTⅡZ1316 |
204.8 |
1780 |
DTⅡ05A7163Y Z |
DTⅡ05A7164 |
|
2×22 |
|
204.8 |
1818 |
DTⅡ05A7163S |
DTⅡ05A7164S |
|
40 |
180 |
800 |
3536 |
DTⅡZ1118 |
101.3 |
1928 |
DTⅡ05A6183Y Z |
DTⅡ05A6184 |
|
2×32 |
DTⅡZ1218 |
101.3 |
1981 |
DTⅡ05A6183S |
DTⅡ05A6184S |
|
40 |
210 |
1000 |
DTⅡZ1318 |
207 |
2173 |
DTⅡ05A7183Y Z |
DTⅡ05A7184 |
|
2×32 |
|
207 |
2226 |
DTⅡ05A7183S |
DTⅡ05A7184S |
|
52 |
230 |
800 |
3540 |
DTⅡZ1120 |
118.3 |
2393 |
DTⅡ05A6203Y Z |
DTⅡ05A6204 |
|
2×42 |
DTⅡZ1220 |
118.3 |
2484 |
DTⅡ05A6203S |
DTⅡ05A6204S |
|
52 |
290 |
1000 |
DTⅡZ1320 |
262 |
2813 |
DTⅡ05A7203Y Z |
DTⅡ05A7204 |
|
2×42 |
|
262 |
2903 |
DTⅡ05A7203S |
DTⅡ05A7204S |
|
66 |
330 |
3544 |
DTⅡZ1122 |
283 |
3234 |
DTⅡ05A7223Y Z |
DTⅡ05A7224 |
|
DTⅡZ1222 |
|
2×50 |
DTⅡZ1322 |
283 |
3329 |
DTⅡ05A7223S |
DTⅡ05A7224S |
|
1400 |
20 |
100 |
800 |
3528 |
DTⅡZ1114 |
111.8 |
1417 |
DTⅡ06A6143Y Z |
DTⅡ06A6144 |
|
2×16 |
DTⅡZ1214 |
111.8 |
1465 |
DTⅡ06A6143S |
DTⅡ06A6144S |
|
20 |
100 |
DTⅡZ1314 |
202.5 |
1720 |
DTⅡ06A7143Y Z |
DTⅡ06A7144 |
|
2×16 |
|
202.5 |
1768 |
DTⅡ06A7143S |
DTⅡ06A7144S |
|
27 |
130 |
800 |
3532 |
DTⅡZ1116 |
113.8 |
1530 |
DTⅡ05A6163Y Z |
DTⅡ06A6164 |
|
DTⅡZ1216 |
|
2×22 |
DTⅡZ1316 |
113.8 |
1564 |
DTⅡ06A6163S |
DTⅡ06A6164 |
|
27 |
160 |
1000 |
3532 |
DTⅡZ1116 |
204.8 |
1919 |
DTⅡ06A7163Y Z |
DTⅡ06A7164 |
|
DTⅡZ1216 |
|
2×22 |
DTⅡZ1316 |
204.8 |
1953 |
DTⅡ06A7163S |
DTⅡ06A7164S |
|
40 |
170 |
800 |
3536 |
DTⅡZ1118 |
115.8 |
2004 |
DTⅡ06A6183Y Z |
DTⅡ06A6184 |
|
2×32 |
DTⅡZ1218 |
115.8 |
2057 |
DTⅡ06A6183S |
DTⅡ06A6184S |
|
40 |
210 |
1000 |
DTⅡZ1318 |
236.5 |
2287 |
DTⅡ06A7183Y Z |
DTⅡ06A7184 |
|
2×32 |
|
236.5 |
2339 |
DTⅡ06A7183S |
DTⅡ06A7184S |
|
52 |
800 |
3540 |
DTⅡZ1120 |
135.3 |
2553 |
DTⅡ06A6203Y Z |
DTⅡ06A6204 |
|
2×42 |
DTⅡZ1220 |
135.3 |
2632 |
DTⅡ06A6203S |
DTⅡ06A6204S |
|
52 |
260 |
1000 |
DTⅡZ1320 |
299.5 |
2994 |
DTⅡ06A7203Y Z |
DTⅡ06A7204 |
|
2×42 |
|
299.5 |
3082 |
DTⅡ06A7203S |
DTⅡ06A7204S |
|
66 |
300 |
3544 |
DTⅡZ1122 |
300 |
3456 |
DTⅡ06A7223Y Z |
DTⅡ06A7224 |
|
DTⅡZ1222 |
|
2×50 |
DTⅡZ1322 |
300 |
3551 |
DTⅡ06A7223S |
DTⅡ06A7224S |
|
B |
D |
图号 |
A |
L |
L1 |
L2 |
K |
M |
N |
Q |
P |
H |
h |
h1 |
d |
b |
ds |
C |
n—dy |
|
500 |
500 |
DTⅡ01A4081 |
850 |
600 |
1114 |
495 |
140 |
70 |
- |
350 |
410 |
120 |
33 |
74.5 |
70 |
20 |
M20 |
22 |
2-M8×1 |
|
DTⅡ01A4083Y Z |
|
DTⅡ01A4084 |
|
650 |
DTⅡ02A4081 |
1000 |
750 |
1264 |
570 |
|
DTⅡ02A4083Y Z |
|
DTⅡ02A4084 |
|
630 |
DTⅡ02A5081 |
|
DTⅡ02A5083Y Z |
|
DTⅡ02A5084 |
|
500 |
DTⅡ02A4101 |
1324 |
590 |
170 |
80 |
- |
380 |
460 |
135 |
46 |
95 |
90 |
25 |
M24 |
26 |
4-M8×1 |
|
DTⅡ02A4103Y Z |
|
DTⅡ02A4104 |
|
630 |
DTⅡ02A5101 |
|
DTⅡ02A5103Y Z |
|
DTⅡ02A5104 |
|
500 |
DTⅡ02A4121 |
1050 |
1419 |
615 |
210 |
110 |
- |
440 |
530 |
155 |
116 |
110 |
28 |
32 |
|
DTⅡ02A4123Y Z |
|
DTⅡ02A4124 |
|
630 |
DTⅡ02A5121 |
|
DTⅡ02A5123Y Z |
|
DTⅡ02A5124 |
|
800 |
500 |
DTⅡ03A4101 |
1300 |
950 |
1624 |
740 |
170 |
80 |
- |
380 |
460 |
135 |
95 |
90 |
25 |
26 |
|
DTⅡ03A4103Y Z |
|
DTⅡ03A4104 |
|
630 |
DTⅡ03A5101 |
|
DTⅡ03A5103Y Z |
|
DTⅡ03A5104 |
|
800 |
DTⅡ03A6103Y Z |
|
DTⅡ03A6104 |
|
630 |
DTⅡ03A5121 |
1669 |
210 |
110 |
- |
440 |
530 |
155 |
116 |
110 |
28 |
M30 |
32 |
|
DTⅡ03A5123Y Z |
|
DTⅡ03A5124 |
|
800 |
DTⅡ03A6123Y Z |
|
DTⅡ03A6124 |
|
630 |
DTⅡ03A5141 |
1724 |
750 |
250 |
120 |
- |
480 |
570 |
170 |
63 |
137 |
130 |
32 |
37 |
|
DTⅡ03A5143Y Z |
|
DTⅡ03A5144 |
|
DTⅡ03A5143S |
2000 |
1500 |
|
DTⅡ03A5144S |
|
800 |
DTⅡ03A6143Y Z |
1724 |
750 |
|
DTⅡ03A6144 |
|
DTⅡ03A6143S |
2000 |
1500 |
|
DTⅡ03A6144S |
|
DTⅡ03A6163Y Z |
1400 |
1839 |
800 |
200 |
105 |
520 |
640 |
200 |
60 |
158 |
150 |
36 |
43 |
4-M10×1 |
|
DTⅡ03A6164 |
|
DTⅡ03A6163S |
2100 |
1600 |
|
DTⅡ03A6164S |
|
1000 |
630 |
DTⅡ04A5103Y Z |
1500 |
1150 |
1824 |
840 |
170 |
80 |
- |
380 |
460 |
135 |
46 |
95 |
90 |
25 |
M24 |
26 |
4-M8×1 |
|
DTⅡ04A5104 |
|
DTⅡ04A5123Y Z |
1869 |
210 |
110 |
- |
440 |
530 |
155 |
116 |
110 |
28 |
32 |
|
DTⅡ04A5124 |
|
800 |
DTⅡ04A6123Y Z |
|
DTⅡ04A6124 |
|
1000 |
DTⅡ04A7123Y Z |
|
DTⅡ04A7124 |
|
630 |
DTⅡ04A5143Y Z |
1924 |
850 |
250 |
120 |
- |
480 |
570 |
170 |
63 |
137 |
130 |
32 |
M30 |
37 |
|
DTⅡ04A5144 |
|
DTⅡ04A5143S |
2300 |
1700 |
|
DTⅡ04A5144S |
|
800 |
DTⅡ04A6143Y Z |
1924 |
850 |
|
DTⅡ04A6144 |
|
DTⅡ04A6143S |
2300 |
1700 |
|
DTⅡ04A6144S |
|
1000 |
DTⅡ04A7143 Y Z |
1924 |
850 |
|
DTⅡ04A7144 |
|
DTⅡ04A7143S |
2300 |
1700 |
|
DTⅡ04A7144S |
|
800 |
DTⅡ04A6163Y Z |
1600 |
2039 |
900 |
200 |
105 |
520 |
640 |
200 |
60 |
158 |
150 |
36 |
43 |
4-M10×1 |
|
DTⅡ04A6164 |
|
DTⅡ04A6163S |
2300 |
1800 |
|
DTⅡ04A6164S |
|
1000 |
DTⅡ04A7163 Y Z |
2039 |
900 |
|
DTⅡ04A7164 |
|
DTⅡ04A7163S |
2300 |
1800 |
|
DTⅡ04A7164S |
|
800 |
DTⅡ04A6183Y Z |
2110 |
910 |
300 |
220 |
120 |
570 |
700 |
220 |
70 |
179 |
170 |
40 |
46 |
|
DTⅡ04A6184 |
|
DTⅡ04A6183S |
2420 |
1820 |
|
DTⅡ04A6184S |
|
1000 |
DTⅡ04A7183 Y Z |
2110 |
910 |
|
DTⅡ04A7184 |
|
DTⅡ04A7183S |
2420 |
1820 |
|
DTⅡ04A7184S |
|
800 |
DTⅡ04A6203Y Z |
1650 |
2278 |
975 |
350 |
240 |
140 |
640 |
780 |
240 |
75 |
200 |
190 |
45 |
60 |
|
DTⅡ04A6204 |
|
DTⅡ04A6203S |
2650 |
1950 |
|
DTⅡ04A6204S |
|
1000 |
DTⅡ04A7203Y Z |
2278 |
975 |
|
DTⅡ04A7204 |
|
DTⅡ04A7203S |
2650 |
1950 |
|
DTⅡ04A7204S |
|
1200 |
630 |
DTⅡ05A5123Y Z |
1750 |
1400 |
2129 |
975 |
210 |
110 |
- |
440 |
530 |
155 |
46 |
116 |
110 |
28 |
M24 |
32 |
4-M8×1 |
|
DTⅡ05A5124 |
|
800 |
DTⅡ05A6123Y Z |
|
DTⅡ05A6124 |
|
1000 |
DTⅡ05A7123Y Z |
|
DTⅡ05A7124 |
|
630 |
DTⅡ05A5143Y Z |
2174 |
250 |
120 |
- |
480 |
570 |
170 |
63 |
137 |
130 |
32 |
M30 |
37 |
|
DTⅡ05A5144 |
|
DTⅡ05A5143S |
2450 |
1950 |
|
DTⅡ05A5144S |
|
800 |
DTⅡ05A6143Y Z |
2174 |
975 |
|
DTⅡ05A6144 |
|
DTⅡ05A6143S |
2450 |
1950 |
|
DTⅡ05A6144S |
|
1000 |
DTⅡ05A7143Y Z |
2174 |
975 |
|
DTⅡ05A7144 |
|
1000 |
DTⅡ05A7143S |
1750 |
1400 |
2450 |
1950 |
250 |
120 |
- |
480 |
570 |
170 |
63 |
137 |
130 |
32 |
M30 |
37 |
4-M8×1 |
|
DTⅡ05A7144S |
|
800 |
DTⅡ05A6163Y Z |
1850 |
2289 |
1025 |
200 |
105 |
520 |
640 |
200 |
60 |
158 |
150 |
36 |
M30 |
43 |
4-M10×1 |
|
DTⅡ05A6164 |
|
DTⅡ05A6163S |
2550 |
2050 |
|
DTⅡ05A6164S |
|
1000 |
DTⅡ05A7163 Y Z |
2289 |
1025 |
|
DTⅡ05A7164 |
|
DTⅡ05A7163S |
2550 |
2050 |
|
DTⅡ05A7164S |
|
800 |
DTⅡ05A6183Y Z |
2360 |
1035 |
300 |
220 |
120 |
570 |
700 |
220 |
70 |
179 |
170 |
40 |
46 |
|
DTⅡ05A6184 |
|
DTⅡ05A6183S |
2670 |
2070 |
|
DTⅡ05A6184S |
|
1000 |
DTⅡ05A7183 Y Z |
2360 |
1035 |
|
DTⅡ05A7184 |
|
DTⅡ05A7183S |
2670 |
2070 |
|
DTⅡ05A7184S |
|
800 |
DTⅡ05A6203Y Z |
1900 |
2528 |
1100 |
350 |
240 |
140 |
640 |
780 |
240 |
75 |
200 |
190 |
45 |
60 |
|
DTⅡ05A6204 |
|
DTⅡ05A6203S |
2900 |
2200 |
|
DTⅡ05A6204S |
|
1000 |
DTⅡ05A7203Y Z |
2528 |
1100 |
|
DTⅡ05A7204 |
|
DTⅡ05A7203S |
2900 |
2200 |
|
DTⅡ05A7204S |
|
DTⅡ05A7223Y Z |
2533 |
1100 |
250 |
720 |
880 |
270 |
80 |
210 |
200 |
45 |
M36 |
65 |
|
DTⅡ05A7224 |
|
DTⅡ05A7223S |
2900 |
2200 |
|
DTⅡ05A7224S |
|
1400 |
800 |
DTⅡ06A6143Y Z |
2050 |
1600 |
2474 |
1125 |
250 |
120 |
- |
480 |
570 |
170 |
63 |
137 |
130 |
32 |
M30 |
37 |
4-M8×1 |
|
DTⅡ06A6144 |
|
DTⅡ06A6143S |
2750 |
2250 |
|
DTⅡ06A6144S |
|
1000 |
DTⅡ06A7143Y Z |
2474 |
1125 |
|
DTⅡ06A7144 |
|
DTⅡ06A7143S |
2750 |
2250 |
|
DTⅡ06A7144S |
|
800 |
DTⅡ06A6163Y Z |
2489 |
1125 |
200 |
105 |
520 |
640 |
200 |
60 |
158 |
150 |
36 |
43 |
4-M10×1 |
| DTⅡ06A6164 |
| DTⅡ06A6163S |
2750 |
2250 |
| DTⅡ06A6164S |
| 1000 |
DTⅡ06A7163Y Z |
2489 |
1125 |
| DTⅡ06A7164 |
| DTⅡ06A7163S |
2750 |
2250 |
| DTⅡ06A7164S |
| 800 |
DTⅡ06A6183Y Z |
2560 |
1135 |
300 |
220 |
120 |
570 |
700 |
220 |
70 |
179 |
170 |
40 |
46 |
| DTⅡ06A6184 |
| DTⅡ06A6183S |
2870 |
2270 |
| DTⅡ06A6184S |
| 1000 |
DTⅡ06A7183Y Z |
2560 |
1135 |
| DTⅡ06A7184 |
| DTⅡ06A7183S |
2870 |
2270 |
| DTⅡ06A7184S |
| 800 |
DTⅡ06A6203Y Z |
2100 |
2728 |
1200 |
350 |
240 |
140 |
640 |
780 |
240 |
75 |
200 |
190 |
45 |
60 |
| DTⅡ06A6204 |
| DTⅡ06A6203S |
3100 |
2400 |
| DTⅡ06A6204S |
| 1000 |
DTⅡ06A7203Y Z |
2728 |
1200 |
| DTⅡ06A7204 |
| DTⅡ06A7203S |
3100 |
2400 |
| DTⅡ06A7204S |
| DTⅡ06A7223Y Z |
2733 |
1200 |
250 |
720 |
880 |
270 |
80 |
210 |
200 |
M36 |
65 |
| DTⅡ06A7224 |
| DTⅡ06A7223S |
3100 |
2400 |
| DTⅡ06A7224S | |
|
|
|
|
|
|
|