|
|
| HSW.50.3580外齿式、HSN.50.3580内齿式、HSW.50.3580A外齿式、HSN.50.3580A内齿式、HSB.50.4030无齿式、HSW.50.4030外齿式、HSN.50.4030内齿式、HSW.50.4030A外齿式、HSN.50.4030A内齿式、HSB.50.4540无齿式、HSW.50.4540外齿式、HSN.50.4540内齿式、HSW.50.4540A外齿式、HSN.50.4540A内齿式 |
|
 | 生产厂家: | 南京哈宁轴承制造有限公司 |
| |  | 公司地址: | 江苏省南京市莫愁路99号 |
| |  | 联系电话: | 025-86629730、52217447、86622491 |
| |  | 公司传真: | 025-52300551(电话:86622492、86622493) |
| |  | 联 系 人: | 刘长岭 13801591302 |
| |  | 联系邮件: | hrbn@vip.qq.com |
| |  | 产品价格: | ¥.00 |
| |  | 网上报价: | ¥.00 |
| |
|

|
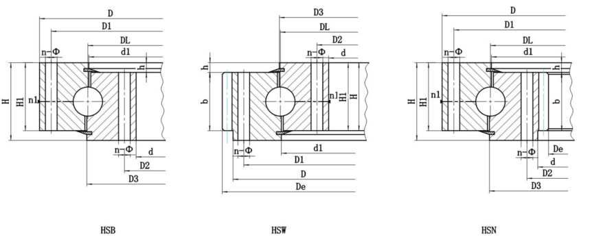
序 |
基本型号 |
外型尺寸 |
安装尺寸 |
结构尺寸 |
齿轮参数 |
外齿参数 |
内齿参数 |
齿轮圆周力 |
参考 |
|
号 |
重量 |
|
|
无齿式 |
外齿式 |
内齿式 |
D |
d |
H |
D1 |
D2 |
n |
Ø |
n1 |
D3 |
d1 |
H1 |
h |
b |
x |
m |
De |
z |
De |
z |
正火 |
调质 |
kg |
|
|
DL |
DL |
DL |
mm |
mm |
mm |
mm |
mm |
mm |
mm |
mm |
mm |
mm |
mm |
mm |
mm |
mm |
mm |
Z 104N |
T 104N |
|
|
|
mm |
mm |
mm |
|
|
|
|
|
|
|
|
|
|
|
|
|
|
|
|
|
|
|
1 |
HSB.25.625 |
HSW.25.625 |
HSN.25.625 |
725 |
525 |
80 |
685 |
565 |
18 |
18 |
3 |
626 |
624 |
68 |
12 |
60 |
1.4 |
5 |
751.9 |
146 |
498.8 |
101 |
|
5.2 |
100 |
|
HSW.25.625A |
HSN.25.625A |
1.15 |
6 |
755.5 |
122 |
496.7 |
84 |
|
6.2 |
|
2 |
HSB.25.720 |
HSW.25.720 |
HSN.25.720 |
820 |
620 |
80 |
780 |
660 |
18 |
18 |
3 |
721 |
719 |
68 |
12 |
60 |
1.4 |
6 |
860.3 |
139 |
586.6 |
99 |
|
6.2 |
120 |
|
HSW.25.720A |
HSN.25.720A |
1 |
8 |
861.1 |
104 |
582.3 |
74 |
|
8.3 |
|
3 |
HSB.30.820 |
HSW.30.820 |
HSN.30.820 |
940 |
705 |
95 |
893 |
749 |
24 |
20 |
4 |
821 |
818 |
83 |
12 |
70 |
1.4 |
6 |
980.6 |
159 |
664.5 |
112 |
|
7.2 |
210 |
|
HSW.30.820A |
HSN.30.820A |
1 |
10 |
986.2 |
95 |
658 |
67 |
|
12.2 |
|
4 |
HSB.30.880 |
HSW.30.880 |
HSN.30.880 |
1000 |
760 |
95 |
956 |
800 |
24 |
20 |
4 |
881 |
878 |
83 |
12 |
70 |
1.15 |
8 |
1047.5 |
127 |
718.2 |
91 |
|
9.7 |
230 |
|
HSW.30.880A |
HSN.30.880A |
1 |
10 |
1046.3 |
101 |
707.9 |
72 |
|
12.2 |
|
5 |
HSB.30.1020 |
HSW.30.1020 |
HSN.30.1020 |
1170 |
875 |
95 |
1120 |
930 |
24 |
22 |
4 |
1021 |
1018 |
80 |
15 |
70 |
1.4 |
8 |
1219.3 |
148 |
830.1 |
105 |
|
9.7 |
300 |
|
HSW.30.1020A |
HSN.30.1020A |
1.15 |
10 |
1219.2 |
118 |
827.8 |
84 |
|
12.2 |
|
6 |
HSB.30.1220 |
HSW.30.1220 |
HSN.30.1220 |
1365 |
1075 |
120 |
1310 |
1130 |
36 |
24 |
6 |
1221 |
1218 |
105 |
15 |
90 |
1.4 |
10 |
1424.9 |
138 |
1027.8 |
104 |
|
15.7 |
450 |
|
HSW.30.1220A |
HSN.30.1220A |
1 |
12 |
1435.9 |
116 |
1017.3 |
86 |
|
18.8 |
|
7 |
HSB.35.1250 |
HSW.35.1250 |
HSN.35.1250 |
1400 |
1090 |
120 |
1350 |
1150 |
36 |
26 |
6 |
1251 |
1248 |
105 |
15 |
90 |
-0.35 |
10 |
1443 |
143 |
1037 |
105 |
|
15.7 |
20 |
|
HSW.35.1225A |
HSN.35.1250A |
1 |
12 |
1449.6 |
117 |
1036.8 |
86 |
|
18.8 |
|
8 |
HSB.35.1435 |
HSW.35.1435 |
HSN.35.1435 |
1595 |
1278 |
120 |
1535 |
1335 |
36 |
26 |
6 |
1436 |
1433 |
105 |
15 |
90 |
1.15 |
12 |
1655.5 |
134 |
1221.2 |
103 |
|
18.8 |
610 |
|
HSW.35.1435A |
HSN.35.1435A |
1 |
14 |
1661.2 |
115 |
1214.8 |
88 |
|
21.9 |
|
9 |
HSB.35.1540 |
HSW.35.1540 |
HSN.35.1540 |
1720 |
1360 |
140 |
1660 |
1420 |
42 |
26 |
6 |
1541 |
1538 |
122 |
18 |
110 |
1.4 |
12 |
1780.8 |
144 |
1293.1 |
109 |
|
23 |
732 |
|
HSW.35.1450A |
HSN.35.1540A |
1.15 |
14 |
1791.1 |
124 |
1284.8 |
93 |
|
26.8 |
|
10 |
HSB.35.1700 |
HSW.35.1700 |
HSN.35.1700 |
1875 |
1525 |
140 |
1815 |
1585 |
42 |
29 |
6 |
1701 |
1698 |
122 |
18 |
110 |
1.15 |
14 |
1945.4 |
135 |
1452.7 |
105 |
|
26.8 |
844 |
|
HSW.35.1700A |
HSN.35.1700A |
1.15 |
16 |
1950.8 |
118 |
1452.3 |
92 |
|
30.5 |
|
11 |
HSB.40.1880 |
HSW.40.1880 |
HSN.40.1880 |
2100 |
1665 |
160 |
2030 |
1740 |
48 |
32 |
6 |
1881 |
1878 |
140 |
20 |
115 |
1.4 |
14 |
2189.8 |
152 |
1592.6 |
115 |
|
27.8 |
1400 |
|
HSW.40.1880A |
HSN.40.1880A |
1.15 |
18 |
2194.6 |
118 |
1452.3 |
92 |
|
35.8 |
|
12 |
HSB.40.2115 |
HSW.40.2115 |
HSN.40.2115 |
2325 |
1900 |
160 |
2245 |
1980 |
48 |
32 |
6 |
2116 |
2113 |
140 |
20 |
115 |
1.4 |
16 |
2406.5 |
146 |
1804.1 |
114 |
|
31.9 |
1600 |
|
HSW.40.2115A |
HSN.40.2115A |
1.15 |
20 |
2418.4 |
117 |
2040.9 |
91 |
|
40 |
|
13 |
HSB.40.2370 |
HSW.40.2370 |
HSN.40.2370 |
2600 |
2146 |
180 |
2520 |
2220 |
48 |
32 |
6 |
2371 |
2368 |
158 |
22 |
130 |
1.4 |
18 |
2707.3 |
146 |
2065.6 |
116 |
|
40.7 |
2100 |
|
HSW.40.2370A |
HSN.40.2370A |
1.15 |
22 |
2704.4 |
119 |
2040.9 |
94 |
|
49.7 |
|
14 |
HSB.40.2600 |
HSW.40.2600 |
HSN.40.2600 |
2835 |
2365 |
180 |
2750 |
2450 |
54 |
36 |
6 |
2601 |
2598 |
158 |
22 |
130 |
1.4 |
18 |
2941.7 |
159 |
2263.5 |
127 |
|
37.6 |
2400 |
|
HSW.40.2600A |
HSN.40.2600A |
1.15 |
22 |
2946.9 |
130 |
2260.8 |
104 |
|
45.9 |
|
15 |
HSB.50.2820 |
HSW.50.2820 |
HSN.50.2820 |
3085 |
2555 |
200 |
3000 |
2640 |
54 |
36 |
6 |
2822 |
2818 |
178 |
22 |
150 |
1.4 |
20 |
3188.4 |
155 |
2455 |
124 |
|
52.2 |
3400 |
|
HSW.50.2820A |
HSN.50.2820A |
1.15 |
25 |
3198.4 |
124 |
2444.1 |
99 |
|
65.3 |
|
16 |
HSB.50.3120 |
HSW.50.3120 |
HSN.50.3120 |
3400 |
2840 |
200 |
3310 |
2930 |
54 |
36 |
6 |
3122 |
3118 |
178 |
22 |
150 |
1.4 |
22 |
3507.2 |
156 |
2722.5 |
125 |
|
57.4 |
4000 |
|
HSW.50.3120A |
HSN.50.3120A |
1.4 |
25 |
3509.6 |
136 |
2719 |
110 |
|
65.3 |
|
17 |
HSB.50.3580 |
HSW.50.3580 |
HSN.50.3580 |
3920 |
3240 |
240 |
3820 |
3340 |
60 |
40 |
6 |
3582 |
3578 |
218 |
22 |
190 |
1.4 |
22 |
4036.1 |
179 |
3118.4 |
143 |
|
72.7 |
6700 |
|
HSW.50.3580A |
HSN.50.3580A |
1.4 |
25 |
4035.6 |
157 |
3118.8 |
126 |
|
82.6 |
|
18 |
HSB.50.4030 |
HSW.50.4030 |
HSN.50.4030 |
4370 |
3690 |
240 |
4270 |
3790 |
66 |
40 |
6 |
4032 |
4028 |
218 |
22 |
190 |
1.4 |
22 |
4520.6 |
201 |
3558.3 |
163 |
|
53.6 |
7700 |
|
HSW.50.4030A |
HSN.50.4030A |
1.4 |
28 |
4522.4 |
157 |
3549 |
128 |
|
68.2 |
|
19 |
HSB.50.4540 |
HSW.50.4540 |
HSN.50.4540 |
4860 |
4210 |
240 |
4760 |
4310 |
72 |
40 |
6 |
4542 |
4538 |
218 |
22 |
190 |
1.4 |
22 |
4983.1 |
222 |
4042.2 |
185 |
|
72.1 |
8760 |
|
HSW.50.4540A |
HSN.50.4540A |
1.4 |
30 |
4992.9 |
162 |
4042.4 |
136 |
|
99.1 | |
|
|
|
|
|
|
|