南京轴承厂 南京轴承有限公司 南京哈宁轴承制造有限公司 南京工艺装备制造有限公司
设为首页 加入收藏夹 联系我们
电话:025-52217447、86629730 QQ:349831866
图文传真:025-52300551 联系人:刘长岭 13801591302
首页 | 产品大全 | 贸易知识 | 技术知识 | 轴承知识 | 行业新闻 | 国内新闻 | 哈宁新闻 | 样本下载 | 轴承样本 | 现货信息 | 供应信息 | 价格信息 | 营业执照 | 企业商标 | 汇款资料 | 产品介绍 | 联系我们 | 价格表 | 微薄 |
搜索:

销售电话:138 0159 1302

您现在的位置是:首页 --->产品大全

产品信息及联系方式

BGC系列钢珠与球保持器之间含有油膜!所以相对摩擦由油膜吸收。易言之钢珠纯粹与油膜作剪切运动。故产生摩擦低。由于BGC系列钢珠之间为球保持器含油膜接触并非钢珠直接接触,所以BGC系列钢珠接触点相对速度为无链带型线性滑轨的一半,又无链带型线性滑轨为点接触,产生压力远超过BGC系列球保持器之油膜接触所产生的摩擦力,所以综合上述原因
生产厂家:南京哈宁轴承制造有限公司
公司地址:江苏省南京市莫愁路99号
联系电话:025-86629730、52217447、86622491
公司传真:025-52300551(电话:86622492、86622493)
联 系 人:刘长岭 13801591302
联系邮件:hrbn@vip.qq.com
产品价格:¥.00
网上报价:¥.00
产品信息及联系方式

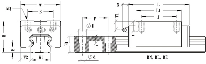
型号 组装规格-mm 滑块-mm 滑轨-mm 额定负载-KN 滑块 滑轨
H W W2 E L B J MQ I L1 OiI H T1 N W1 H1 F d D h C-BGX C-BGC C0 Kg Kg/M
S15BS 24 34 9.5 3.3 40.6 26   M4 4.8 22.2 M4*0.7 5.5 5 15 13.0  60 4.5 7.5 6.0  4.6 5.7 9.8 0.10  1.28
S15BN 24 34 9.5 3.3 58.6 26 26 M4 4.8 40.2 M4*0.7 5.5 5 15 13.0  60 4.5 7.5 6.0  9.3 11.5 19.6 0.17 1.28
S15BL 24 34 9.5 3.3 66.1 26 26 M4 4.8 47.7 M4*0.7 5.5 5 15 13.0  60 4.5 7.5 6.0  11.3 13.9 23.7 0.18 1.28
S15BE 24 34 9.5 3.3 81.1 26 34 M4 4.8 62.7 M4*0.7 5.5 5 15 13.0  60 4.5 7.5 6.0  13.7 16.9 31.4 0.22 1.28
S20BS 28 42 11.0  4.5 48.3 32   M5 5.5 27.5 M6*1 5.1 15.6 20 16.3 60 6.0  9.5 8.5 7.4 9.1 15.7 0.17 2.15
S20BN 28 42 11.0  4.5 69.3 32 32 M5 5.5 48.5 M6*1 5.1 15.6 20 16.3 60 6.0  9.5 8.5 14.3 17.7 30.5 0.26 2.15
S25BS 33 48 12.5 5.8 54.5 35   M6 6.8 32.3 M6*1 7.2 15.6 23 19.2 60 7.0  11.0  9.0  10.3 12.7 21.0  0.21 2.88
S25BN 33 48 12.5 5.8 79.2 35 35 M6 6.8 57.5 M6*1 7.2 15.6 23 19.2 60 7.0  11.0  9.0  20.1 24.8 41.1 0.38 2.88
X25BN 36 48 12.5 5.8 79.2 35 35 M6 9.0  57.5 M6*1 10.2 15.6 23 19.2 60 7.0  11.0  9.0  20.1 24.8 41.1 0.40  2.88
X25BL 36 48 12.5 5.8 93.9 35 35 M6 9.0  72.2 M6*1 10.2 15.6 23 19.2 60 7.0  11.0  9.0  25.9 31.9 52.8 0.54 2.88
X25BE 36 48 12.5 5.8 108.6 35 50 M6 9.0  86.9 M6*1 10.2 15.6 23 19.2 60 7.0  11.0  9.0  29.2 36.0  63.3 0.67 2.88
S30BS 42 60 16.0  7.0  64.2 40   M8 10.0  37.2 M6*1 8.0  15.6 28 22.8 80 9.0  14.0  12.0  14.7 18.2 27.0  0.50  4.45
S30BN 42 60 16.0  7.0  94.8 40 40 M8 10.0  67.8 M6*1 8.0  15.6 28 22.8 80 9.0  14.0  12.0  29.7 36.7 54.6 0.80  4.45
S30BL 42 60 16.0  7.0  105.0  40 40 M8 10.0  78.0  M6*1 8.0  15.6 28 22.8 80 9.0  14.0  12.0  38.5 47.5 70.7 0.94 4.45
S30BE 42 60 16.0  7.0  130.5 40 60 M8 10.0  103.5 M6*1 8.0  15.6 28 22.8 80 9.0  14.0  12.0  42.9 52.9 86.7 1.16 4.45
S35BS 48 70 18.0  7.5 75.5 50   M8 10.0  44.5 M6*1 8.0  15.6 34 26.0  80 9.0  14.0  12.0  21.2 26.2 40.7 0.80  6.25
S35BN 48 70 18.0  7.5 111.5 50 50 M8 10.0  80.5 M6*1 8.0  15.6 34 26.0  80 9.0  14.0  12.0  42.4 52.3 81.1 1.20  6.25
S35BL 48 70 18.0  7.5 123.5 50 50 M8 10.0  92.5 M6*1 8.0  15.6 34 26.0  80 9.0  14.0  12.0  52.9 65.4 101.4 1.40  6.25
S35BE 48 70 18.0  7.5 153.5 50 72 M8 10.0  122.5 M6*1 8.0  15.6 34 26.0  80 9.0  14.0  12.0  58.3 71.9 125.3 1.84 6.25
S45BN 60 86 20.5 8.9 129.0  60 60 M10 15.5 94.0  M8*1.25 14.4 16 45 31.1  105 14.0  20.0  17.0  58.0  71.6 108.9 1.64 9.60 
S45BL 60 86 20.5 8.9 145.0  60 60 M10 15.5 110.0  M8*1.25 14.4 16 45 31.1  105 14.0  20.0  17.0  69.0  85.1 129.5 1.93 9.60 
S45BE 60 86 20.5 8.9 174.0  60 80 M10 15.5 139.0  M8*1.25 14.4 16 45 31.1  105 14.0  20.0  17.0  79.7 98.4 163.3 2.42 9.60 
S55BN 70 100 23.5 12.7 155.0  75 75 M12 18.0  116.0  M8*1.25 14.0  16 53 38.0  120 16.0  23.0  20.0  69.8 86.2 133.4 2.67 13.80 
S55BL 70 100 23.5 12.7 193.0  75 75 M12 18.0  154.0  M8*1.25 14.0  16 53 38.0  120 16.0  23.0  20.0  94.2 116.3 178.9 3.57 13.80 
S55BE 70 100 23.5 12.7 210.0  75 95 M12 18.0  171.0  M8*1.25 14.0  16 53 38.0  120 16.0  23.0  20.0  127.7 157.7 253.6 3.97 13.80

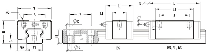
型号 组装规格-mm 滑块-mm 滑轨-mm 额定负载-kN 滑块 滑轨
H W W2 E L B J MQ ih I L1 Oil H T1 N W1 H1 F d D h C-BGX C-BGC C0 Kg Kg/M
H15FN 24 47 16.0  3.3 58.6 38 30  M5 4.4  8.0  40.2 M4*0.7 5.5 (5) 15  13.0  60  4.5  7.5  6.0  9.3 11.5 19.6 0.21 1.28
H15FL 24 47 16.0  3.3 66.1 38 30  M5 4.4  8.0  47.7 M4*0.7 5.5 (5) 15  13.0  60  4.5  7.5  6.0  11.3 13.9 23.7 0.23 1.28
H15FE 24 47 16.0  3.3 81.1 38 30  M5 4.4  8.0  62.7 M4*0.7 5.5 (5) 15  13.0  60  4.5  7.5  6.0  13.7 16.9 31.4 0.29 1.28
S15FS 24 52 18.5  3.3 40.6 41   M5 4.4  8.0  22.2 M4*0.7 5.5 (5) 15  13.0  60  4.5  7.5  6.0  4.6 5.7 9.8 0.12 1.28
S15FN 24 52 18.5  3.3 58.6 41 26  M5 4.4  8.0  40.2 M4*0.7 5.5 (5) 15  13.0  60  4.5  7.5  6.0  9.3 11.5 19.6 0.19 1.28
H20FN 30 63 21.5  4.5  69.3  53 40  M6 5.4  9.0  48.5  M6*1 7.1 (15.6) 20  16.3  60  6.0  9.5  8.5  14.3  17.7  30.5  0.40  2.15 
H20FL 30 63 21.5  4.5  82.1  53 40  M6 5.4  9.0  61.3  M6*1 7.1 (15.6) 20  16.3  60  6.0  9.5  8.5  18.6  23.0  39.5  0.46  2.15 
H20FE 30 63 21.5  4.5  97.3  53 40  M6 5.4  9.0  76.5  M6*1 7.1 (15.6) 20  16.3  60  6.0  9.5  8.5  22.1  27.3  48.9  0.61  2.15 
S20FS 28 59 19.5  4.5  48.3  49   M6 5.4  7.0  27.5  M6*1 5.1 (15.6) 20  16.3  60  6.0  9.5  8.5  7.4  9.1  15.7  0.18  2.15 
S20FN 28 59 19.5  4.5  69.3  49 32  M6 5.4  7.0  48.5  M6*1 5.1 (15.6) 20  16.3  60  6.0  9.5  8.5  14.3  17.7  30.5  0.31  2.15 
H25FN 36 70 23.5  5.8  79.7  57 45  M8 7.0  10.0  57.5  M6*1 10.2 (15.6) 23  19.2  60  7.0  11.0  9.0  20.1  24.8  41.1  0.57  2.88 
H25FL 36 70 23.5  5.8  94.4  57 45  M8 7.0  10.0  72.2  M6*1 10.2 (15.6) 23  19.2  60  7.0  11.0  9.0  25.9  31.9  52.8  0.72  2.88 
H25FE 36 70 23.5  5.8  109.1  57 45  M8 7.0  10.0  86.9  M6*1 10.2 (15.6) 23  19.2  60  7.0  11.0  9.0  29.2  36.0  63.3  0.89  2.88 
S25FS 33 73 25.0  5.8  54.5  60   M8 7.0  7.0  32.3  M6*1 7.2 (15.6) 23  19.2  60  7.0  11.0  9.0  10.3  12.7  21.0  0.33  2.88 
S25FN 33 73 25.0  5.8  79.7  60 35  M8 7.0  7.0  57.5  M6*1 7.2 (15.6) 23  19.2  60  7.0  11.0  9.0  20.1  24.8  41.1  0.50  2.88 
H30FN 42 90 31.0  7.0  94.8  72 52  M10 8.6  11.0  67.8  M6*1 8.0  (15.6) 28  22.8  80  9.0  14.0  12 29.7  36.7  54.6  1.10  4.45 
H30FL 42 90 31.0  7.0  105.0  72 52  M10 8.6  11.0  78.0  M6*1 8.0  (15.6) 28  22.8  80  9.0  14.0  12 38.5  47.5  70.7  1.34  4.45 
H30FE 42 90 31.0  7.0  130.5  72 52  M10 8.6  11.0  103.5  M6*1 8.0  (15.6) 28  22.8  80  9.0  14.0  12 42.9  52.9  86.7  1.66  4.45 
H30FS 42 90 31.0  7.0  64.2  72   M10 8.6  11.0  37.2  M6*1 8.0  (15.6) 28  22.8  80  9.0  14.0  12 14.7  18.2  27.0  0.80  4.45 
H35FN 48 100 33.0  7.5  111.5  82 62  M10 8.6  12.0  80.5  M6*1 8.0  (16) 34  26.0  80  9.0  14.0  12 42.4  52.3  81.1  1.50  6.25 
H35FL 48 100 33.0  7.5  123.5  82 62  M10 8.6  12.0  92.5  M6*1 8.0  (16) 34  26.0  80  9.0  14.0  12 52.9  65.4  101.4  1.90  6.25 
H35FE 48 100 33.0  7.5  153.5  82 62  M10 8.6  12.0  122.5  M6*1 8.0  (16) 34  26.0  80  9.0  14.0  12 58.3  71.9  125.3  2.54  6.25 
H35FS 48 100 33.0  7.5  75.5  82   M10 8.6  12.0  44.5  M6*1 8.0  (16) 34  26.0  80  9.0  14.0  12 21.2  26.2  40.7  1.00  6.25 
H45FN 60 120 37.5  8.9  129.0  100 80  M12 10.6  15.5  94.0  M8*1.25 14.4  (16) 45  31.1  105  14 20.0  17 58.0  71.6  108.9  2.27  9.60 
H45FL 60 120 37.5  8.9  145.0  100 80  M12 10.6  15.5  110.0  M8*1.25 14.4  (16) 45  31.1  105  14 20.0  17 69.0  85.1  129.5  2.68  9.60 
H45FE 60 120 37.5  8.9  174.0  100 80  M12 10.6  15.5  139.0  M8*1.25 14.4  (16) 45  31.1  105  14 20.0  17 79.7  98.4  163.3  3.42  9.60 
H55FN 70 140 43.5  12.7  155.0  116 95  M14 12.6  18.5  116.0  M8*1.25 14.0  (16) 53  38.0  120  16 23.0  20 69.8  86.2  133.4  3.44  13.8
H55FL 70 140 43.5  12.7  193.0  116 95  M14 12.6  18.5  154.0  M8*1.25 14.0  (16) 53  38.0  120  16 23.0  20. 94.2  116.3  178.9  4.63  13.8
H55FE 70 140 43.5  12.7  210.0  116 95  M14 12.6  18.5  171.0  M8*1.25 14.0  (16) 53  38.0  120  16 23.0  20 127.7  157.7  253.6  5.16  13.8

型号 组装规格 滑块-MM 滑轨-MM 额定负载-KN 滑块 滑轨
H W W2 E L B J J1 MQ I LI Oi1H T1 N W1 H1 F d D h C-BGX C-BGC C0 Kg Kg/M
H15BN 28 34 9.5  3.3 58.6 26 26   M4 6.0  40.2 M4*0.7 9.5 5 15 13.0  60 4.5 7.5 6.0  9.3 11.5 19.6 0.19 1.28
H20BN 30 44 12.0  4.5 69.3 32 36   M5 6.5 48.5 M6*1 7.1 15.6 20 16.3  60 6.0  9.5 8.5  14.3 17.7 30.5 0.31 2.15
H20BL 30 44 12.0  4.5 82.1 32 36 50 M5 6.5 61.3 M6*1 7.1 15.6 20 16.3  60 6.0  9.5 8.5  18.6 23.0  39.5 0.36 2.15
H20BE 30 44 12.0  4.5 97.3 32 50   M5 6.5 76.5 M6*1 7.1 15.6 20 16.3  60 6.0  9.5 8.5  22.1 27.3  48.9 0.47 2.15
H25BN 40 48 12.5  5.8 79.2 35 35   M6 9.0  57.5 M6*1 14.2 15.6 23 19.2  60 7.0  11.0  9.0  20.1 24.8  41.1 0.45 2.88
H25BL 40 48 12.5  5.8 93.9 35 35 50 M6 9.0  72.2 M6*1 14.2 15.6 23 19.2  60 7.0  11.0  9.0  25.9 31.9  52.8 0.66 2.88
H25BE 40 48 12.5  5.8 108.6 35 50   M6 9.0  86.9 M6*1 14.2 15.6 23 19.2  60 7.0  11.0  9.0  29.2 36.0  63.3 0.80  2.88
H30BN 45 60 16.0  7.0  94.8 40 40   M8 12.0  67.8 M6*1 11.0  15.6 28 22.8  80 9.0  14.0  12.0  29.7 36.7  54.6 0.91  4.45
H30BL 45 60 16.0  7.0  105.0  40 40 60 M8 12.0  78.0  M6*1 11.0  15.6 28 22.8  80 9.0  14.0  12.0  38.5 47.5  70.7 1.04  4.45
H30BE 45 60 16.0  7.0  130.5  40 60   M8 12.0  103.5  M6*1 11.0  15.6 28 22.8  80 9.0  14.0  12.0  42.9 52.9  86.7 1.36  4.45
H35BN 55 70 18.0  7.5  111.5  50 50   M8 12 80.5  M6*1 15.0  15.6 34 26.0  80 9.0  14.0  12.0  42.4 52.3  81.1 1.50  6.25
H35BL 55 70 18.0  7.5  123.5  50 50 72 M8 12.0  92.5  M6*1 15.0  15.6 34 26.0  80 9.0  14.0  12.0  52.9 65.4  101.4 1.80  6.25
H35BE 55 70 18.0  7.5  153.5  50 72   M8 12.0  122.5  M6*1 15.0  15.6 34 26.0  80 9.0  14.0  12.0  58.3 71.9  125.3 2.34  6.25
H45BN 70 86 20.5  8.9  129.0  60 60   M10 18.0  94.0  M8*1.25 24.4  16 45 31.1  105 14.0  20.0  17.0  58.0  71.6  108.9 2.28  9.60 
H45BL 70 86 20.5  8.9  145.0  60 60 80 M10 18.0  110.0  M8*1.25 24.4  16 45 31.1  105 14.0  20.0  17.0  69.0  85.1  129.5 2.67  9.60 
H45BE 70 86 20.5  8.9  174.0  60 80   M10 18.0  139.0  M8*1.25 24.4  16 45 31.1  105 14.0  20.0  17.0  79.7  98.4  163.3 3.35  9.60 
H55BN 80 100 23.5  12.7  155.0  75 75   M12 22.0  116.0  M8*1.25 24.0  16 53 38.0  120 16.0  23.0  20.0  69.8  86.2  133.4 3.42  13.80 
H55BL 80 100 23.5  12.7  193.0  75 75 95 M12 22.0  154.0  M8*1.25 24.0  16 53 38.0  120 16.0  23.0  20.0  94.2  116.3  178.9 4.57  13.80 
H55BE 80 100 23.5  12.7  210.0  75 95   M12 22.0  171.0  M8*1.25 24.0  16 53 38.0  120 16.0  23.0  20.0  127.7  157.7  253.6 5.08  13.80 

产品分类
  微型深沟球轴承   深沟球轴承   调心球轴承   圆柱滚子轴承   调心滚子轴承   滚针轴承   角接触球轴承
  圆锥滚子轴承   推力球轴承   平面滚子轴承   偏心轴承   直线轴承   含油轴承   杆端轴承
  滚轮轴承   不锈钢轴承   叉车轴承   单向轴承   导轨滑块   组合轴承   英制球轴承
  汽车轴承   塑料轴承   高温轴承   关节轴承   滑动轴承座   外球面轴承   部分式轴承座
  紧定套   退卸套   外球面轴承座   外球面轴承带座   胀套   分离轴承   推力滚子轴承
  丝杠轴承   交叉滚子轴承   罗拉轴承   滚珠丝杆   转盘轴承   十字架轴承   双列球轴承
  钻具轴承   直线滑块   冲压轴承座   企业证书   推力关节轴承   轴承技术参数   非标轴承
  长圆柱滚子轴承   推力关节轴承   锌合金轴承座   轴承型号对照表   轴承座框架   英制圆锥滚子轴承   双列满滚子轴承
  直线轴承支撑   退卸套附件   水泵轴承   轴承附件   串联轴承   万向节   输送机专用轴承座
  回转支承   逆止器   弹性膜片联轴器   在线支付   滚动花键副   滚珠丝杠副   滚动直线导套副
  轴承加热器   薄壁角接触球轴承   薄壁深沟球轴承
关于我们 - 设为首页 - 加入收藏 - 营业执照 - 企业商标 - 汇款资料 - 产品介绍 - 联系我们 - 友情连接 - 企业库 - VIP会员
单位汇款资料:南京哈宁轴承制造有限公司 开户行及帐号:工行朝天宫分理处4301021409100005958
个人汇款资料:中国农业银行南京白下分行 6228460390011617510 刘长岭 苏ICP备16004265号-1