|
|
| GGB16滑块,GGB20滑块,GGB25滑块,GGB30滑块,GGB35滑块,GGB45滑块,GGB55滑块,GGB65滑块,GGB85滑块,GGB16导轨,GGB20导轨,GGB25导轨,GGB30导轨,GGB35导轨,GGB45导轨,GGB55导轨,GGB65导轨,GGB85导轨 |
|
 | 生产厂家: | 南京哈宁轴承制造有限公司 |
| |  | 公司地址: | 江苏省南京市莫愁路99号 |
| |  | 联系电话: | 025-86629730、52217447、86622491 |
| |  | 公司传真: | 025-52300551(电话:86622492、86622493) |
| |  | 联 系 人: | 刘长岭 13801591302 |
| |  | 联系邮件: | hrbn@vip.qq.com |
| |  | 产品价格: | ¥.00 |
| |  | 网上报价: | ¥.00 |
| |
|
GGB16AA滑块、GGB16导轨、GGB16维修、GGB16售后、GGB16轴承、GGB16AA螺纹孔带法兰标准长度滑块、GGB16AAL螺纹孔带法兰加长滑块、GGB16AA通孔带法兰标准长度滑块、GGB16AA通孔带法兰加长滑块、GGB16AA标准方形滑块、GGB16AA不带法兰方形滑块、GGB16AA加长方形滑块、GGB16AA不带法兰加长型滑块、GGB16AA滑块载荷型滚动直线导轨副、GGB16AA滑块轴承是最早开发研制的第一代滚动直线导轨副,GGB16AA滑块也是应用最为广泛的一种类型、由于GGB16AA接触角的等分设计,GGB16AA使其具有垂直向上、GGB16AA向下和左右水、GGB16AA平四方向额定载荷相等、GGB16AA且额定载荷大,GGB16AA刚性好,GGB16AA刚度高,GGB16AA三个方向抗颠覆力矩能力强、GGB16AA该规格的产品又叫四方向等载荷型滚动导轨副、GGB16AA系列可分为非、GGB16AA互换性和互换性型两类。GGB16AA两者的所有规格、GGB16AA尺寸参数、GGB16AA承载等都相同。GGB16AA最大的区别就是在不是特别高的精度要求下可以很方便的实现导轨与滑块的互换安装,大大节省了滚动直线、导轨副的储备和维修周期、GGB16AA四方向等载荷型滚动直线导轨副的应用、GGB16AA机械加工中心、GGB16AA车床、GGB16AA搬运装置、GGB16AA电火花加工机、GGB16AA木工机械、GGB16AA激光加工机械、GGB16AA精、GGB16AA密测试仪器、GGB16AA包装机械、GGB16AA食品机械、GGB16AA医疗器械、GGB16AA工具磨床、GGB16AA平面磨床、GGB16AAAA螺纹孔带法兰标准长度滑块、GGB16AAAAL螺纹孔带法兰加长滑块、GGB16AA通孔带法兰标准长度滑块、GGB16AA通孔带法兰加长滑块、GGB16AA标准方形滑块、GGB16AA不带法兰方形滑块、GGB16AA加长方形滑块、GGB16AA不带法兰加长型滑块、AA法兰型、AB通孔、L加长型、BA方形、GGB16AA滑块载荷型滚动直线导轨副、GGB16AA滑块轴承是最早开发研制的第一代滚动直线导轨副,GGB16AA滑块也是应用最为广泛的一种类型、由于GGB16AA接触角的等分设计,GGB16AA使其具有垂直向上、GGB16AA向下和左右水、GGB16AA平四方向额定载荷相等、GGB16AA且额定载荷大,GGB16AA刚性好,GGB16AA刚度高,GGB16AA三个方向抗颠覆力矩能力强、GGB16AA该规格的产品又叫四方向等载荷型滚动导轨副、GGB16AA系列可分为非、GGB16AA互换性和互换性型两类。GGB16AA两者的所有规格、GGB16AA尺寸参数、GGB16AA承载等都相同。GGB16AA最大的区别就是在不是特别高的精度要求下可以很方便的实现导轨与滑块的互换安装,大大节省了滚动直线、导轨副的储备和维修周期、GGB16AA四方向等载荷型滚动直线导轨副的应用、GGB16AA机械加工中心、GGB16AA车床、GGB16AA搬运装置、GGB16AA电火花加工机、GGB16AA木工机械、GGB16AA激光加工机械、GGB16AA精、GGB16AA密测试仪器、GGB16AA包装机械、GGB16AA食品机械、GGB16AA医疗器械、GGB16AA工具磨床、GGB16AA平面磨床、GGB16AA螺纹孔带法兰标准长度滑块、GGB16AAL螺纹孔带法兰加长滑块、GGB16AA通孔带法兰标准长度滑块、GGB16AA通孔带法兰加长滑块、GGB16AA标准方形滑块、GGB16AA不带法兰方形滑块、GGB16AA加长方形滑块、GGB16AA不带法兰加长型滑块、AA法兰型、AB通孔、L加长型、BA方形

|
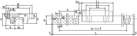
型 号 |
导轨副 |
滑块尺寸 |
重量 |
|
尺寸 |
|
H |
W |
B1 |
B2 |
B3 |
K |
T |
T1 |
M1 |
L1 |
L2 |
L3 |
滑块 |
导轨 |
|
个 |
米 |
|
GGB16AA |
24 |
15.5 |
47 |
4.5 |
38 |
19.4 |
7 |
11 |
M5 |
58.5 |
40.5 |
30 |
0.17 |
1.62 |
|
GGB20AA |
30 |
21.5 |
63 |
5 |
53 |
24 |
10 |
10 |
M6 |
71 |
50 |
40 |
0.33 |
2.3 |
|
GGB20AAL |
87 |
66 |
0.45 |
|
GGB25IAA |
37 |
23.5 |
70 |
6.5 |
57 |
30.5 |
12 |
16 |
M8 |
83 |
59 |
45 |
0.55 |
3.3 |
|
GGB25IAAL |
102 |
78 |
0.75 |
|
GGB25IIAA |
36 |
83 |
59 |
0.5 |
|
GGB25IIAAL |
102 |
78 |
0.7 |
|
GGB30AA |
42 |
31 |
90 |
9 |
72 |
35 |
10 |
18 |
M10 |
97 |
70 |
52 |
1 |
4.7 |
|
GGB30AAL |
119 |
92 |
1.3 |
|
GGB35AA |
48 |
33 |
100 |
9 |
82 |
38 |
13 |
21 |
M10 |
109 |
81 |
62 |
1.45 |
6.5 |
|
GGB35AAL |
133 |
105 |
1.9 |
|
GGB45IAA |
62 |
37.5 |
120 |
10 |
100 |
51 |
15 |
25 |
M12 |
137 |
102 |
80 |
2.6 |
11.2 |
|
GGB45IAAL |
165 |
130 |
3.4 |
|
GGB45IIAA |
60 |
137 |
102 |
2.4 |
|
GGB45IIAAL |
165 |
130 |
3.1 |
|
GGB55AA |
70 |
43.5 |
140 |
12 |
116 |
57 |
20 |
29 |
M14 |
161 |
118 |
95 |
4.3 |
15 |
|
GGB55AAL |
199 |
156 |
5.8 |
|
GGB65AA |
90 |
53.5 |
170 |
14 |
142 |
76 |
23 |
37 |
M16 |
199 |
147 |
110 |
7.3 |
22.2 |
|
GGB65AAL |
259 |
207 |
10.7 |
|
GGB85AA |
110 |
65 |
215 |
15 |
185 |
94 |
30 |
55 |
M20 |
247 |
179 |
140 |
16.5 |
35.5 |
|
GGB85AAL |
304 |
236 |
22.2 |
|
导轨尺寸 |
油杯尺寸 |
额定 |
额定 |
额定力矩 |
型号 |
|
动载 |
静载 |
|
d×D×h |
B4 |
H1 |
F |
单根 |
L4 |
G |
N |
C |
C0 |
MA |
MB |
MC |
|
最大 |
(KN) |
(KN) |
(N.m) |
(N.m) |
(N.m) |
|
长度Lmax |
|
|
|
|
|
|
4.5×7.5×5.3 |
16 |
15 |
60 |
500 |
2.5 |
Φ4 |
4 |
8.51 |
13.38 |
70 |
70 |
100 |
GGB16AA |
|
6×9.5×8.5 |
20 |
18 |
60 |
1400 |
11 |
M6 |
6 |
13.7 |
19.27 |
160 |
160 |
230 |
GGB20AA |
|
18.43 |
26.5 |
260 |
260 |
310 |
GGB20AAL |
|
7×11×9 |
23 |
22 |
60 |
3000 |
11 |
M6 |
7.2 |
20.19 |
22.6 |
149.8 |
149.8 |
246 |
GGB25IAA |
|
27.17 |
40.68 |
450 |
450 |
500 |
GGB25IAAL |
|
20.19 |
22.6 |
149.8 |
149.8 |
246 |
GGB25IIAA |
|
27.17 |
40.68 |
450 |
450 |
500 |
GGB25IIAAL |
|
9×14×12 |
28 |
26 |
80 |
3000 |
11 |
M6 |
7 |
28.08 |
46.33 |
430 |
430 |
650 |
GGB30AA |
|
37.77 |
61.77 |
720 |
720 |
870 |
GGB30AAL |
|
9×14×12 |
34 |
29 |
80 |
3000 |
11 |
M6 |
8 |
34.97 |
58.53 |
610 |
610 |
1030 |
GGB35AA |
|
46.43 |
76.54 |
1030 |
1030 |
1380 |
GGB35AAL |
|
14×20×16 |
45 |
38 |
100 |
3000 |
11 |
M6 |
12 |
60.14 |
94.57 |
1290 |
1290 |
2100 |
GGB45IAA |
|
80.83 |
126.09 |
2080 |
2080 |
2790 |
GGB45IAAL |
|
105 |
60.14 |
94.57 |
1290 |
1290 |
2100 |
GGB45IIAA |
|
80.83 |
126.09 |
2080 |
2080 |
2790 |
GGB45IIAAL |
|
16×23×20 |
53 |
44 |
120 |
3000 |
14 |
M8×1 |
12 |
92.62 |
137.57 |
2180 |
2180 |
3640 |
GGB55AA |
|
126.51 |
187.6 |
3650 |
3650 |
4860 |
GGB55AAL |
|
18×26×22 |
63 |
53 |
150 |
3000 |
14 |
M8×1 |
12 |
154.13 |
221.89 |
4170 |
4170 |
6800 |
GGB65AA |
|
220.24 |
322.75 |
7300 |
7300 |
9100 |
GGB65AAL |
|
24×35×28 |
85 |
65 |
180 |
3000 |
14 |
M8×1 |
14 |
247.88 |
346.7 |
10400 |
10400 |
12900 |
GGB85AA |
|
351.45 |
441.26 |
12800 |
12800 |
17200 |
GGB85AAL | |
|
|
|
|
|
|