南京轴承厂 南京轴承有限公司 南京哈宁轴承制造有限公司 南京工艺装备制造有限公司
设为首页 加入收藏夹 联系我们
电话:025-52217447、86629730 QQ:349831866
图文传真:025-52300551 联系人:刘长岭 13801591302
首页 | 产品大全 | 贸易知识 | 技术知识 | 轴承知识 | 行业新闻 | 国内新闻 | 哈宁新闻 | 样本下载 | 轴承样本 | 现货信息 | 供应信息 | 价格信息 | 营业执照 | 企业商标 | 汇款资料 | 产品介绍 | 联系我们 | 价格表 | 微薄 |
搜索:

销售电话:138 0159 1302

您现在的位置是:首页 --->产品大全

产品信息及联系方式

FZH2475直线导套轴承、FZH2550直线导套轴承、FZH2560直线导套轴承、FZH2575直线导套轴承、FZH2775直线导套轴承、FZH2860直线导套轴承、FZH2875直线导套轴承、FZH3060直线导套轴承、FZH3075直线导套轴承、FZH3260直线导套轴承、FZH3275直线导套轴承、FZH3290直线导套轴承、FZH3685直线导套轴承、FZH3690直线导套轴承、FZH3870直线导套轴承
生产厂家:南京哈宁轴承制造有限公司
公司地址:江苏省南京市莫愁路99号
联系电话:025-86629730、52217447、86622491
公司传真:025-52300551(电话:86622492、86622493)
联 系 人:刘长岭 13801591302
联系邮件:hrbn@vip.qq.com
产品价格:¥.00
网上报价:¥.00
产品信息及联系方式


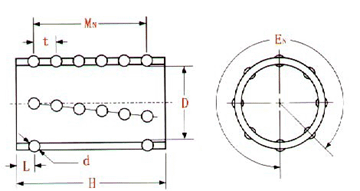
型号规格

D H d EN MN BALLS T L
FZH-1950 19 50 3 12 8 96 5.5 5.75
FZH-1960 19 60 3 12 10 120 5.5 5.25
FZH-2050 20 50 3 12 8 96 5.5 5.75
FZH-2060 20 60 3 12 10 120 5.5 5.25
FZH-2250 22 50 3 14 8 112 5.5 5.75
FZH-2260 22 60 3 14 10 140 5.5 5.25
FZH-2360 23 60 3 14 10 140 5.5 5.25
FZH-2475 24 75 3 16 13 208 5.45 4.8
FZH-2550 25 50 3 16 8 128 5.5 5.75
FZH-2560 25 60 3 16 10 160 5.5 5.25
FZH-2575 25 75 3 16 13 208 5.45 4.8
FZH-2775 27 75 3 16 13 208 5.45 4.8
FZH-2860 28 60 4 14 8 112 6.5 7.25
FZH-2875 28 75 4 14 11 154 6.5 5.0
FZH-3060 30 60 4 14 8 112 6.5 7.25
FZH-3075 30 75 4 14 11 154 6.5 5.0
FZH-3260 32 60 4 16 8 128 6.5 7.25
FZH-3275 32 75 4 16 11 176 6.5 5.0
FZH-3290 32 90 4 16 13 208 6.5 6.0
FZH-3685 36 85 4 16 12 192 6.5 6.75
FZH-3690 36 90 4 16 13 208 6.5 6.0
FZH-3870 38 70 5 16 8 128 8.0 7.0
FZH-3890 38 90 5 16 11 176 7.9 5.5
FZH-4090 40 90 5 16 11 176 7.9 5.5
FZH-4590 45 90 5 18 11 198 7.9 5.5
FZH-45110 45 110 5 18 13 234 8.0 7.0
FZH-5090 50 90 5 20 11 220 7.9 5.5
FZH-50110 50 110 5 20 13 260 8.0 7.0
FZH-6090 60 90 5 22 11 242 7.9 5.5
FZH-60110 60 110 5 22 13 286 8.0 7.0
FZH-80130 80 130 5 28 15 420 8.0 9.0
产品分类
  微型深沟球轴承   深沟球轴承   调心球轴承   圆柱滚子轴承   调心滚子轴承   滚针轴承   角接触球轴承
  圆锥滚子轴承   推力球轴承   平面滚子轴承   偏心轴承   直线轴承   含油轴承   杆端轴承
  滚轮轴承   不锈钢轴承   叉车轴承   单向轴承   导轨滑块   组合轴承   英制球轴承
  汽车轴承   塑料轴承   高温轴承   关节轴承   滑动轴承座   外球面轴承   部分式轴承座
  紧定套   退卸套   外球面轴承座   外球面轴承带座   胀套   分离轴承   推力滚子轴承
  丝杠轴承   交叉滚子轴承   罗拉轴承   滚珠丝杆   转盘轴承   十字架轴承   双列球轴承
  钻具轴承   直线滑块   冲压轴承座   企业证书   推力关节轴承   轴承技术参数   非标轴承
  长圆柱滚子轴承   推力关节轴承   锌合金轴承座   轴承型号对照表   轴承座框架   英制圆锥滚子轴承   双列满滚子轴承
  直线轴承支撑   退卸套附件   水泵轴承   轴承附件   串联轴承   万向节   输送机专用轴承座
  回转支承   逆止器   弹性膜片联轴器   在线支付   滚动花键副   滚珠丝杠副   滚动直线导套副
  轴承加热器   薄壁角接触球轴承   薄壁深沟球轴承
关于我们 - 设为首页 - 加入收藏 - 营业执照 - 企业商标 - 汇款资料 - 产品介绍 - 联系我们 - 友情连接 - 企业库 - VIP会员
单位汇款资料:南京哈宁轴承制造有限公司 开户行及帐号:工行朝天宫分理处4301021409100005958
个人汇款资料:中国农业银行南京白下分行 6228460390011617510 刘长岭 苏ICP备16004265号-1