|
|
| SIBP16S杆端关节轴承、SIBP16S/B1杆端关节轴承、SIBP18S杆端关节轴承、SIBP20S杆端关节轴承、SIBP22S杆端关节轴承、SIBP25S杆端关节轴承、SIBP28S杆端关节轴承、SIBP30S杆端关节轴承、SIBP30S/B1杆端关节轴承 |
|
 | 生产厂家: | 南京哈宁轴承制造有限公司 |
| |  | 公司地址: | 江苏省南京市莫愁路99号 |
| |  | 联系电话: | 025-86629730、52217447、86622491 |
| |  | 公司传真: | 025-52300551(电话:86622492、86622493) |
| |  | 联 系 人: | 刘长岭 13801591302 |
| |  | 联系邮件: | hrbn@vip.qq.com |
| |  | 产品价格: | ¥.00 |
| |  | 网上报价: | ¥.00 |
| |
|

|
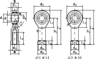
型号 |
尺寸mm |
负荷KN |
重量 |
|
d |
d3 |
B |
C1 |
L3 |
W |
d2 |
d1 |
h1 |
L4 |
L5 |
d4 |
d5 |
dk |
a |
动 |
静 |
|
若是左旋螺纹,轴承型号需加"L",例如:SIBPL 8 联系人:刘长岭 13801591302 QQ:349831866 |
≈ |
C |
C0 |
kg |
|
SIBP5S |
5 |
M5x0.8 |
8 |
6 |
10 |
9 |
16 |
7.7 |
27 |
35 |
4 |
8.5 |
11 |
11.1 |
13 |
3.25 |
5.7 |
0.02 |
|
SIBP6S |
6 |
M6x1.0 |
9 |
6.75 |
12 |
11 |
18 |
8.96 |
30 |
39 |
5 |
10 |
13 |
12.7 |
13 |
4.3 |
7.2 |
0.02 |
|
SIBP8S |
8 |
M8x1.25 |
12 |
9 |
16 |
14 |
22 |
10.4 |
36 |
47 |
5 |
12.5 |
16 |
15.9 |
14 |
7.2 |
11.6 |
0.05 |
|
SIBP10S |
10 |
M10x1.5 |
14 |
10.5 |
20 |
17 |
26 |
12.9 |
43 |
56 |
6.5 |
15 |
19 |
19.1 |
13 |
10 |
14.5 |
0.08 |
|
SIBP10S/B1 |
10 |
M10x1.25 |
14 |
10.5 |
20 |
17 |
26 |
12.9 |
43 |
56 |
6.5 |
15 |
19 |
19.1 |
13 |
10 |
14.5 |
0.08 |
|
SIBP12S |
12 |
M12x1.75 |
16 |
12 |
22 |
19 |
30 |
15.4 |
50 |
65 |
6.5 |
17.5 |
22 |
22.2 |
13 |
13.4 |
17 |
0.1 |
|
SIBP12S/B2 |
12 |
M12x1.25 |
16 |
12 |
22 |
19 |
30 |
15.4 |
50 |
65 |
6.5 |
17.5 |
22 |
22.2 |
13 |
13.4 |
17 |
0.1 |
|
SIBP14S |
14 |
M14x2.0 |
19 |
13.5 |
25 |
22 |
34 |
16.9 |
57 |
74 |
8 |
20 |
25 |
25.4 |
16 |
17 |
24 |
0.16 |
|
SIBP14S/B1 |
14 |
M14x1.5 |
19 |
13.5 |
25 |
22 |
34 |
16.9 |
57 |
74 |
8 |
20 |
25 |
25.4 |
16 |
17 |
24 |
0.16 |
|
SIBP16S |
16 |
M16x2.0 |
21 |
15 |
28 |
22 |
40 |
19.4 |
64 |
84 |
8 |
22 |
27 |
28.6 |
15 |
21.6 |
28.5 |
0.22 |
|
SIBP16S/B1 |
16 |
M16x1.5 |
21 |
15 |
28 |
22 |
40 |
19.4 |
64 |
84 |
8 |
22 |
27 |
28.6 |
15 |
21.6 |
28.5 |
0.22 |
|
SIBP18S |
18 |
M18x1.5 |
23 |
16.5 |
32 |
27 |
44 |
21.9 |
71 |
93 |
10 |
25 |
31 |
31.8 |
15 |
26 |
42.5 |
0.32 |
|
SIBP20S |
20 |
M20x1.5 |
25 |
18 |
33 |
30 |
50 |
24.4 |
77 |
102 |
10 |
27.5 |
34 |
34.9 |
14 |
21.5 |
42.5 |
0.42 |
|
SIBP22S |
22 |
M22x1.5 |
28 |
20 |
37 |
32 |
54 |
25.8 |
84 |
111 |
12 |
30 |
38 |
38.1 |
15 |
38 |
57 |
0.54 |
|
SIBP25S |
25 |
M24x2.0 |
31 |
22 |
42 |
36 |
60 |
29.6 |
94 |
124 |
12 |
33.5 |
42 |
42.9 |
15 |
47.5 |
68 |
0.73 |
|
SIBP28S |
28 |
M27x2.0 |
35 |
24 |
48 |
41 |
66 |
32.3 |
103 |
136 |
14 |
37.5 |
46 |
47.6 |
15 |
58 |
75 |
0.98 |
|
SIBP30S |
30 |
M30x2.0 |
37 |
25 |
51 |
41 |
70 |
34.8 |
110 |
145 |
15 |
40 |
50 |
50.8 |
17 |
64 |
88 |
1.1 |
|
SIBP30S/B1 |
30 |
M27x2.0 |
37 |
25 |
51 |
41 |
70 |
34.8 |
110 |
145 |
15 |
40 |
50 |
50.8 |
17 |
64 |
88 |
1.1 | |
|
|
|
|
|
|
|