|
|
| RHD-LG15C导轨滑块、RHD-LG20C导轨滑块、RHD-LG20CL导轨滑块、RHD-LG25C导轨滑块、RHD-LG25CL导轨滑块、RHD-LG30C导轨滑块、RHD-LG30CL导轨滑块、RHD-LG35C导轨滑块、RHD-LG35CL导轨滑块、RHD-LG45C导轨滑块、RHD-LG45CL导轨滑块、RHD-LG55C导轨滑块、RHD-LG55CL导轨滑块 |
|
 | 生产厂家: | 南京哈宁轴承制造有限公司 |
| |  | 公司地址: | 江苏省南京市莫愁路99号 |
| |  | 联系电话: | 025-86629730、52217447、86622491 |
| |  | 公司传真: | 025-52300551(电话:86622492、86622493) |
| |  | 联 系 人: | 刘长岭 13801591302 |
| |  | 联系邮件: | hrbn@vip.qq.com |
| |  | 产品价格: | ¥.00 |
| |  | 网上报价: | ¥.00 |
| |
|
|
|
|
|
|
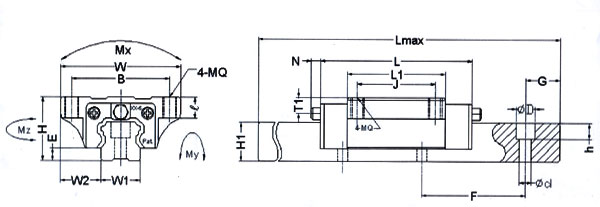
型号 |
组合尺寸 |
滑座尺寸 |
滑轨尺寸 |
|
H |
W |
W2 |
E |
L |
B×J |
MQ×l |
L1 |
油孔 |
T1 |
N |
W1 |
H1 |
F |
d×D×h |
|
RHD15C |
24 |
47 |
16 |
4.6 |
66 |
38×30 |
Ф4.5×8 |
40 |
Ф3 |
4.3 |
5 |
15 |
14 |
60 |
4.5×7.5×5.3 |
|
RHD20C |
30 |
63 |
21.5 |
5 |
77.8 |
53×40 |
Ф5.5×9 |
48.8 |
M6×1 |
5 |
6.5 |
20 |
18 |
60 |
6×9.5×8.5 |
|
RHD20CL |
92.4 |
63.4 |
|
RHD25C |
36 |
70 |
23.5 |
7 |
88 |
57×45 |
Ф7×12 |
57 |
M6×1 |
5 |
6.5 |
23 |
22 |
60 |
7×11×9 |
|
RHD25CL |
110.1 |
79.1 |
|
RHD30C |
42 |
90 |
31 |
9 |
109 |
72×52 |
Ф9×12 |
72 |
M6×1 |
7 |
6.5 |
28 |
26 |
80 |
9×14×12 |
|
RHD30CL |
131.3 |
94.3 |
|
RHD35C |
48 |
100 |
33 |
9.5 |
116 |
82×62 |
Ф11×9 |
80.4 |
M6×1 |
8 |
6.5 |
34 |
29 |
80 |
9×14×12 |
|
RHD35CL |
139.3 |
105.8 |
|
RHD45C |
62 (60) |
120 |
37.5 |
14 |
139 |
100×80 |
Ф13×15 |
102 |
M8×1 |
10 |
13 |
45 |
38 |
100 105 |
14×20×17 |
|
RHD45CL |
170.8 |
129.8 |
|
RHD55C |
70 |
140 |
43.5 |
15 |
170 |
116×95 |
Ф14×20 |
118 |
M8×1 |
11 |
13 |
53 |
44 |
120 |
16×23×20 | | |
|
|
|
|
|
|
|