|
|
| RHD-LG15B滑块、RHD-LG20B滑块、RHD-LG20BL滑块、RHD-LG25B滑块、RHD-LG25BL滑块、RHD-LG30B滑块、RHD-LG30BL滑块、RHD-LG35B滑块、RHD-LG35BL滑块、RHD-LG45B滑块、RHD-LG45BL滑块、RHD-LG55B滑块、RHD-LG55BL滑块 |
|
 | 生产厂家: | 南京哈宁轴承制造有限公司 |
| |  | 公司地址: | 江苏省南京市莫愁路99号 |
| |  | 联系电话: | 025-86629730、52217447、86622491 |
| |  | 公司传真: | 025-52300551(电话:86622492、86622493) |
| |  | 联 系 人: | 刘长岭 13801591302 |
| |  | 联系邮件: | hrbn@vip.qq.com |
| |  | 产品价格: | ¥.00 |
| |  | 网上报价: | ¥.00 |
| |
|

|
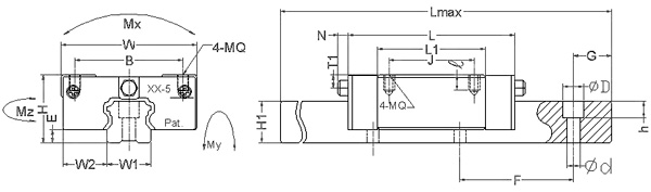
型号 |
组合尺寸 |
滑座尺寸 |
滑轨尺寸 |
|
H |
W |
W2 |
E |
L |
B×J |
MQ×l |
L1 |
油孔 |
T1 |
N |
W1 |
H1 |
F |
d×D×h |
|
RHD15B |
28 |
34 |
9.5 |
4.6 |
66 |
26×26 |
M4×6.4 |
40 |
Ф3 |
8.3 |
5 |
15 |
14 |
60 |
4.5×7.5×5.3 |
|
RHD20B |
30 |
44 |
12 |
5 |
77.8 |
32×36 |
M5×8 |
48.8 |
M6×1 |
7 |
6.5 |
20 |
18 |
60 |
6×9.5×8.5 |
|
RHD20BL |
92.4 |
32×50 |
63.4 |
|
RHD25B |
40 |
48 |
12.5 |
7 |
88 |
35×35 |
M6×9.6 |
57 |
M6×1 |
11.8 |
6.5 |
23 |
22 |
60 |
7×11×9 |
|
RHD25BL |
110.1 |
35×50 |
79.1 |
|
RHD30B |
45 |
60 |
16 |
9 |
109 |
40×40 |
M8×12.8 |
72 |
M6×1 |
10 |
6.5 |
28 |
26 |
80 |
9×14×12 |
|
RHD30BL |
131.3 |
40×60 |
94.3 |
|
RHD35B |
55 |
70 |
18 |
9.5 |
119 |
50×50 |
M8×12.8 |
80 |
M6×1 |
15 |
6.5 |
34 |
29 |
80 |
9×14×12 |
|
RHD35BL |
144.8 |
50×72 |
105.8 |
|
RHD45B |
70 |
86 |
20.5 |
14 |
148.2 |
60×60 |
M10×16 |
105 |
M8×1 |
18 |
13 |
45 |
38 |
105 |
14×20×17 |
|
RHD45BL |
173 |
60×80 |
129.8 |
|
RHD55B |
80 |
100 |
23.5 |
15 |
170 |
75×75 |
M12×19 |
121 |
M8×1 |
20 |
13 |
53 |
44 |
120 |
16×23×20 |
|
RHD55BL |
205.1 |
75×95 |
156.1 |
|
|
型号 |
参考资料(mm) |
基本荷重(kgf) |
容许静力矩(kgfxm) |
重量 |
|
Lmax |
G |
动额定负荷(c) |
静额定负荷(co) |
Mx |
My |
Mz |
滑块(kgf) |
滑轨(kgf/m) |
|
RHD15B |
4000 |
30 |
850 |
1650 |
10 |
8 |
8 |
0.21 |
1.4 |
|
RHD20B |
4000 |
30 |
1450 |
2560 |
22 |
18 |
18 |
0.31 |
2.6 |
|
RHD20BL |
1900 |
3330 |
28.6 |
23.4 |
23.4 |
0.47 |
|
RHD25B |
4000 |
30 |
2140 |
4000 |
36 |
32 |
31 |
0.45 |
3.6 |
|
RHD25BL |
2996 |
5600 |
50.4 |
44.8 |
43.4 |
0.56 |
|
RHD30B |
4000 |
40 |
2980 |
5490 |
60 |
50 |
49 |
0.91 |
5.2 |
|
RHD30BL |
3900 |
7190 |
78.5 |
65 |
65 |
1.2 |
|
RHD35B |
4000 |
40 |
3960 |
7010 |
96 |
75 |
73 |
1.5 |
7.2 |
|
RHD35BL |
5230 |
9270 |
125 |
95 |
95 |
1.9 |
|
RHD45B |
4000 |
52.5 |
6740 |
12100 |
216 |
170 |
168 |
2.3 |
12.3 |
|
RHD45BL |
8330 |
14950 |
267 |
210 |
210 |
2.8 |
|
RHD55B |
4000 |
60 |
9940 |
17100 |
367 |
293 |
288 |
3.9 |
16.9 | | |
|
|
|
|
|
|
|