|
|
| HDHCP12外球面轴承带座、HDHCP15外球面轴承带座、HDHCP17外球面轴承带座、HDHCP20外球面轴承带座、HDHCP25外球面轴承带座、HDHCP30外球面轴承带座 |
|
 | 生产厂家: | 南京哈宁轴承制造有限公司 |
| |  | 公司地址: | 江苏省南京市莫愁路99号 |
| |  | 联系电话: | 025-86629730 52217447 |
| |  | 公司传真: | 025-52300551 |
| |  | 联 系 人: | 刘长岭 13801591302 |
| |  | 联系邮件: | hrbn@vip.qq.com |
| |  | 产品价格: | ¥.00 |
| |  | 网上报价: | ¥.00 |
| |
|
 |
 |
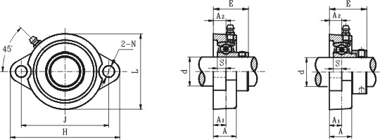
| Unit No. |
Shaft No. |
Dimensions(mm) |
Bolt Size |
Bearing No. |
Housing No. |
Mass(kg) |
| d |
H |
J |
L |
A1 |
A |
A2 |
N |
S |
E |
| (in.) |
(mm) |
| HDHCP12 |
|
12 |
81 |
63.5 |
56 |
9.5 |
18 |
9.5 |
8 |
6.5 |
31.6 |
M6 |
SA201 |
LF203 |
0.3 |
| HDHCP12-8 |
1/2 |
|
81 |
63.5 |
56 |
9.5 |
18 |
9.5 |
8 |
6.5 |
31.6 |
1/4 |
SA201-8 |
LF203 |
0.3 |
| HDHCP15 |
|
15 |
81 |
63.5 |
56 |
9.5 |
18 |
9.5 |
8 |
6.5 |
31.6 |
M6 |
SA202 |
LF203 |
0.29 |
| HDHCP15-10 |
5/8 |
|
81 |
63.5 |
56 |
9.5 |
18 |
9.5 |
8 |
6.5 |
31.6 |
1/4 |
SA202-10 |
LF203 |
0.29 |
| HDHCP17 |
|
17 |
81 |
63.5 |
56 |
9.5 |
18 |
9.5 |
8 |
6.5 |
31.6 |
M6 |
SA203 |
LF203 |
0.28 |
| HDHCP17-11 |
11/16 |
|
81 |
63.5 |
56 |
9.5 |
18 |
9.5 |
8 |
6.5 |
31.6 |
1/4 |
SA230-11 |
LF203 |
0.28 |
| HDHCP20-12 |
3/4 |
|
90 |
71.5 |
63 |
11 |
20 |
11 |
10 |
7.5 |
34.4 |
5/16 |
SA204-12 |
LF204 |
0.33 |
| HDHCP20 |
|
20 |
90 |
71.5 |
63 |
11 |
20 |
11 |
10 |
7.5 |
34.4 |
M8 |
SA204 |
LF204 |
0.33 |
| HDHCP25-14 |
7/8 |
|
95 |
76 |
69 |
11 |
20 |
11 |
10 |
7.5 |
34.4 |
5/16 |
SA205-14 |
LF205 |
0.42 |
| HDHCP25-15 |
15/16 |
|
95 |
76 |
69 |
11 |
20 |
11 |
10 |
7.5 |
34.4 |
5/16 |
SA205-15 |
LF205 |
0.42 |
| HDHCP25 |
|
25 |
95 |
76 |
69 |
11 |
20 |
11 |
10 |
7.5 |
34.4 |
M8 |
SA205 |
LF205 |
0.42 |
| HDHCP25-16 |
1 |
|
95 |
76 |
69 |
11 |
20 |
11 |
10 |
7.5 |
34.4 |
5/16 |
SA205-16 |
LF205 |
0.42 |
| HDHCP30-18 |
1-1/8 |
|
113 |
90.5 |
76 |
12 |
22.5 |
12 |
12 |
9 |
38.7 |
3/8 |
SA206-18 |
LF206 |
0.60 |
| HDHCP30 |
|
30 |
113 |
90.5 |
76 |
12 |
22.5 |
12 |
12 |
9 |
38.7 |
M10 |
SA206 |
LF206 |
0.60 |
| HDHCP30-19 |
1-3/16 |
|
113 |
90.5 |
76 |
12 |
22.5 |
12 |
12 |
9 |
38.7 |
3/8 |
SA206-19 |
LF206 |
0.60 |
| HDHCP30-20 |
1-1/4 |
|
113 |
90.5 |
76 |
12 |
22.5 |
12 |
12 |
9 |
38.7 |
3/8 |
SA206-20 |
LF206 |
0.60 |
| HDHCP35-20 |
1-1/4 |
|
122 |
100 |
89 |
13 |
24 |
13 |
12 |
9.5 |
42.4 |
3/8 |
SA207-20 |
LF207 |
0.85 |
| HDHCP35-21 |
1-5/16 |
|
122 |
100 |
89 |
13 |
24 |
13 |
12 |
9.5 |
42.4 |
3/8 |
SA207-21 |
LF207 |
0.85 |
| HDHCP35-22 |
1-3/8 |
|
122 |
100 |
89 |
13 |
24 |
13 |
12 |
9.5 |
42.4 |
3/8 |
SA207-22 |
LF207 |
0.85 |
| HDHCP35 |
|
35 |
122 |
100 |
89 |
13 |
24 |
13 |
12 |
9.5 |
42.4 |
M10 |
SA207 |
LF207 |
0.85 |
| HDHCP35-23 |
1-7/16 |
|
122 |
100 |
89 |
13 |
24 |
13 |
12 |
9.5 |
42.4 |
3/8 |
SA207-23 |
LF207 |
0.85 | |
|
|
|
|
|
|
|