南京轴承厂 南京轴承有限公司 南京哈宁轴承制造有限公司 南京工艺装备制造有限公司
设为首页 加入收藏夹 联系我们
电话:025-52217447、86629730 QQ:349831866
图文传真:025-52300551 联系人:刘长岭 13801591302
首页 | 产品大全 | 贸易知识 | 技术知识 | 轴承知识 | 行业新闻 | 国内新闻 | 哈宁新闻 | 样本下载 | 轴承样本 | 现货信息 | 供应信息 | 价格信息 | 营业执照 | 企业商标 | 汇款资料 | 产品介绍 | 联系我们 | 价格表 | 微薄 |
搜索:

销售电话:138 0159 1302

您现在的位置是:首页 --->产品大全

产品信息及联系方式

HJG-DA30C滑块、HJG-DA30CL滑块、HJG-DA35C滑块、HJG-DA35CL滑块、HJG-DA45C滑块、HJG-DA45CL滑块、HJG-DA45BC滑块、HJG-DA45BCL滑块
生产厂家:南京哈宁轴承制造有限公司
公司地址:江苏省南京市莫愁路99号
联系电话:025-86629730、52217447、52251441
公司传真:025-52300551
联 系 人:刘长岭 13801591302
联系邮件:hrbn@vip.qq.com
产品价格:¥.00
网上报价:¥.00
产品信息及联系方式

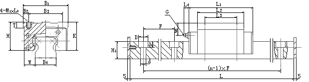
型号 导轨副尺寸 汉江滑块尺寸 滑块
H W B1 B2 B3 K T M1×L0 L1 L2 L3 d×D×h 重量
kg
HJG-DA15C 28 9 34 4 26 23.4 6 M4×5.0 58 40.5 26 4.5×7.5×5.3 0.18
HJG-DA20C 30 12 44 6 32 24 8 M5×5 70 50 36 6×9.5×8.5 0.25
HJG-DA20CL 86 66 50 0.35
HJG-DA25C 40 12.5 48 6.5 35 33.1 8 M6×8 79.5 59 35 7×11×9 0.54
HJG-DA25CL 98.5 78 50 0.67
HJG-DA30C 45 16 60 10 40 38 8 M8×10 95.2 70 40 9×14×12 0.9
HJG-DA30CL 117.2 92 60 1.1
HJG-DA35C 55 18 70 10 50 47 10 M8×12 107.8 81 50 9×14×12 1.5
HJG-DA35CL 131.8 105 72 2
HJG-DA45C 70 20.5 86 13 60 60 15 M10×16 135 102 60 14×20×16 2.6
HJG-DA45CL 163 130 80 3.1
HJG-DA55C 80 23.5 100 12.5 75 67 18 M12×18 161 118 75 16×23×20 4.3
HJG-DA55CL 199 156 95 5.4
HJG-DA65C 90 31.5 126 25 76 76 23 M16×16 195 147 70 18×26×22 7.3
HJG-DA65CL 255 207 120 9.3
HJG-DA85C 110 39 163 31.5 100 94 30 M18×25 243.4 179 80 24×35×28 13
HJG-DA85CL 300.4 236 140 16
汉江导轨尺寸 油杯尺寸 额定 额定 额定力矩 导轨
动载 静载
  B4 H1 F 单根 L4 G N C C0 MA MB MC 重量
长度 (KN) (KN) (N.m) (N.m) (N.m)
Lmax kg
HJG-DA15C 16 15 60 500 2.5 Φ4 9 6.07 6.8 55.5 55.5 88.8 1.5
HJG-DA20C 20 18 60 1400 11 M6 5 11.6 14.5 92.4 92.4 154 2.3
HJG-DA20CL 13.6 20.3 121.8 121.8 203
HJG-DA25C 23 22 60 3000 11 M6 10.2 17.7 22.6 149.8 149.8 246 3.3
HJG-DA25CL 20.7 34.97 244.8 244.8 402
HJG-DA30C 28 26 80 3000 11 M6 10 27.6 34.4 311.3 311.3 546 4.6
HJG-DA30CL 33.4 45.8 560 560 745.2
HJG-DA35C 34 29 80 3000 11 M6 17 35.1 47.2 488 488 790 6.2
HJG-DA35CL 39.96 64.85 681 681 1102.45
HJG-DA45C 45 38 100 3000 11 M6 21 42.5 71 848 848 1448 11.1
HJG-DA45CL 64.4 102.1 1345.4 1345.4 2247.25
HJG-DA55C 53 44 120 3000 14 M8×1 22 79.4 101 1547 1547 2580 14.9
HJG-DA55CL 92.2 142.5 2264.3 2264.3 3776.25
HJG-DA65C 63 53 150 3000 14 M8×1 12 115 163 3237 3237 4860 21.7
HJG-DA65CL 148 224.5 4627.5 4627.5 6945.75
HJG-DA85C 85 65 180 3000 14 M8×1 14 172.2 257.4 6076.4 6076.4 12842 36.1
HJG-DA85CL 202.3 327.6 9946.3 9946.3 15410

产品分类
  微型深沟球轴承   深沟球轴承   调心球轴承   圆柱滚子轴承   调心滚子轴承   滚针轴承   角接触球轴承
  圆锥滚子轴承   推力球轴承   平面滚子轴承   偏心轴承   直线轴承   含油轴承   杆端轴承
  滚轮轴承   不锈钢轴承   叉车轴承   单向轴承   导轨滑块   组合轴承   英制球轴承
  汽车轴承   塑料轴承   高温轴承   关节轴承   滑动轴承座   外球面轴承   部分式轴承座
  紧定套   退卸套   外球面轴承座   外球面轴承带座   胀套   分离轴承   推力滚子轴承
  丝杠轴承   交叉滚子轴承   罗拉轴承   滚珠丝杆   转盘轴承   十字架轴承   双列球轴承
  钻具轴承   直线滑块   冲压轴承座   企业证书   推力关节轴承   轴承技术参数   非标轴承
  长圆柱滚子轴承   推力关节轴承   锌合金轴承座   轴承型号对照表   轴承座框架   英制圆锥滚子轴承   双列满滚子轴承
  直线轴承支撑   退卸套附件   水泵轴承   轴承附件   串联轴承   万向节   输送机专用轴承座
  回转支承   逆止器   弹性膜片联轴器   在线支付   滚动花键副   滚珠丝杠副   滚动直线导套副
  轴承加热器   薄壁角接触球轴承   薄壁深沟球轴承
关于我们 - 设为首页 - 加入收藏 - 营业执照 - 企业商标 - 汇款资料 - 产品介绍 - 联系我们 - 友情连接 - 企业库 - VIP会员
单位汇款资料:南京哈宁轴承制造有限公司 开户行及帐号:工行朝天宫分理处4301021409100005958
个人汇款资料:中国农业银行南京白下分行 6228460390011617510 刘长岭 苏ICP备16004265号-1