南京轴承厂 南京轴承有限公司 南京哈宁轴承制造有限公司 南京工艺装备制造有限公司
设为首页 加入收藏夹 联系我们
电话:025-52217447、86629730 QQ:349831866
图文传真:025-52300551 联系人:刘长岭 13801591302
首页 | 产品大全 | 贸易知识 | 技术知识 | 轴承知识 | 行业新闻 | 国内新闻 | 哈宁新闻 | 样本下载 | 轴承样本 | 现货信息 | 供应信息 | 价格信息 | 营业执照 | 企业商标 | 汇款资料 | 产品介绍 | 联系我们 | 价格表 | 微薄 |
搜索:

销售电话:138 0159 1302

您现在的位置是:首页 --->产品大全

产品信息及联系方式

JSA-LG45C滑块、JSA-LG55滑块、JSA-LG55C滑块、JSA-LG65滑块、JSA-LG65C滑块
生产厂家:南京哈宁轴承制造有限公司
公司地址:江苏省南京市莫愁路99号
联系电话:025-86629730、52217447、52251441
公司传真:025-52300551
联 系 人:刘长岭 13801591302
联系邮件:hrbn@vip.qq.com
产品价格:¥.00
网上报价:¥.00
产品信息及联系方式

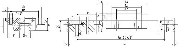
  导轨副 精特精工滑块尺寸 参考重量
尺寸
C(表示加长滑块) H W B1 B2 B3 K T T1 M1 L1 L2 L3 滑块 导轨
KL(安装孔为螺孔)
KT(安装孔为通孔)
JSA-LG15KT 24 16 47 4.5 38 19.4 7 11 M5 58.5 40.5 30 0.17 1.62
JSA-LG20KT 30 21.5 63 5 53 24 10 10 M6 71 50 40 0.33 2.3
JSA-LG20KTC 87 66 0.45
JSA-LG25KT 37 23.5 70 6.5 57 30.5 12 16 M8 83 59 45 0.55 3.3
JSA-LG25KTC 102 78 0.75
JSA-LG30KT 42 31 90 9 72 35 10 18 M10 97 70 52 1 4.7
JSA-LG30KTC 119 92 1.3
JSA-LG35KT 48 33 100 9 82 38 13 21 M10 109 81 62 1.45 6.5
JSA-LG35KTC 133 105 1.9
JSA-LG45KT 62 37.5 120 10 100 51 15 25 M12 137 102 80 2.6 11.2
JSA-LG45KTC 165 130 3.4
JSA-LG55KT 70 43.5 140 12 116 57 20 29 M14 161 118 95 4.3 15
JSA-LG55KTC 199 156 5.8
JSA-LG65KT 90 53.5 170 14 142 76 23 37 M16 199 147 110 7.3 22.2
JSA-LG65KTC 259 207 10.7
精特精工导轨尺寸 油杯尺寸 额定 额定 额定力矩 导轨尺寸
动载 静载
  B4 H1 F 单根 L4 G N C C0 MA MB MC dxDxh
最大 (KN) (KN) (N.m) (N.m) (N.m)
长度
JSA-LG15KT 16 15 60 500 2.5 Φ4 4 8.51 13.38 70 70 100 4.5×7.5×5.3
JSA-LG20KT 20 18 60 1400 11 M6 6 13.7 19.27 160 160 230 6×9.5×8.5
JSA-LG20KTC 18.43 26.5 260 260 310
JSA-LG25KT 23 22 60 3000 11 M6 7.2 20.19 22.6 149.8 149.8 246 7×11×9
JSA-LG25KTC 27.17 40.68 450 450 500
JSA-LG30KT 28 26 80 3000 11 M6 7 28.08 46.33 430 430 650 9×14×12
JSA-LG30KTC 37.77 61.77 720 720 870
JSA-LG35KT 34 29 80 3000 11 M6 8 34.97 58.53 610 610 1030 9×14×12
JSA-LG35KTC 46.43 76.54 1030 1030 1380
JSA-LG45KT 45 38 100 3000 11 M6 12 60.14 94.57 1290 1290 2100 14×20×16
JSA-LG45KTC 80.83 126.09 2080 2080 2790
JSA-LG55KT 53 44 120 3000 14 M8×1 12 92.62 137.57 2180 2180 3640 16×23×20
JSA-LG55KTC 126.51 187.6 3650 3650 4860
JSA-LG65KT 63 53 150 3000 14 M8×1 12 154.13 221.89 4170 4170 6800 18×26×22
JSA-LG65KTC 220.24 322.75 7300 7300 9100

产品分类
  微型深沟球轴承   深沟球轴承   调心球轴承   圆柱滚子轴承   调心滚子轴承   滚针轴承   角接触球轴承
  圆锥滚子轴承   推力球轴承   平面滚子轴承   偏心轴承   直线轴承   含油轴承   杆端轴承
  滚轮轴承   不锈钢轴承   叉车轴承   单向轴承   导轨滑块   组合轴承   英制球轴承
  汽车轴承   塑料轴承   高温轴承   关节轴承   滑动轴承座   外球面轴承   部分式轴承座
  紧定套   退卸套   外球面轴承座   外球面轴承带座   胀套   分离轴承   推力滚子轴承
  丝杠轴承   交叉滚子轴承   罗拉轴承   滚珠丝杆   转盘轴承   十字架轴承   双列球轴承
  钻具轴承   直线滑块   冲压轴承座   企业证书   推力关节轴承   轴承技术参数   非标轴承
  长圆柱滚子轴承   推力关节轴承   锌合金轴承座   轴承型号对照表   轴承座框架   英制圆锥滚子轴承   双列满滚子轴承
  直线轴承支撑   退卸套附件   水泵轴承   轴承附件   串联轴承   万向节   输送机专用轴承座
  回转支承   逆止器   弹性膜片联轴器   在线支付   滚动花键副   滚珠丝杠副   滚动直线导套副
  轴承加热器   薄壁角接触球轴承   薄壁深沟球轴承
关于我们 - 设为首页 - 加入收藏 - 营业执照 - 企业商标 - 汇款资料 - 产品介绍 - 联系我们 - 友情连接 - 企业库 - VIP会员
单位汇款资料:南京哈宁轴承制造有限公司 开户行及帐号:工行朝天宫分理处4301021409100005958
个人汇款资料:中国农业银行南京白下分行 6228460390011617510 刘长岭 苏ICP备16004265号-1