|
|
| 轴承RN217E、轴承RN218E、轴承RN219E、轴承RN220E、轴承RN221E、轴承RN222E、轴承RN224E、轴承502204、轴承502205、轴承502206、轴承502207、轴承502208、轴承502209、轴承502210、轴承502211、轴承502212、轴承502213、轴承502214、轴承502215、轴承502216 |
|
 | 生产厂家: | 南京哈宁轴承制造有限公司 |
| |  | 公司地址: | 江苏省南京市莫愁路99号 |
| |  | 联系电话: | 025-86629730、52217447、52251441 |
| |  | 公司传真: | 025-52300551 |
| |  | 联 系 人: | 刘长岭 13801591302 |
| |  | 联系邮件: | hrbn@vip.qq.com |
| |  | 产品价格: | ¥.00 |
| |  | 网上报价: | ¥.00 |
| |
|

|
无外圈圆柱滚子轴承 电话:025-86622491-86622492-86622493-86629730-52217447 手机:13801591302 |
|
南京哈宁轴承制造有限公司 免费电话:400 660 6679 传真:025-52300551 联系人:刘长岭 |
|
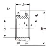
轴 承 型 号 |
尺 寸 ㎜ |
轴承原型号 |
|
EW |
EW公差 |
d |
B |
rsmin |
D2max |
a |
|
RN204 |
40 |
0-0.010 |
20 |
14 |
1 |
37.3 |
3.75 |
502204 |
|
RN205 |
45 |
0-0.015 |
25 |
15 |
1 |
42.3 |
4.25 |
502205 |
|
RN206 |
53.5 |
30 |
16 |
1 |
50.5 |
4.25 |
502206 |
|
RN207 |
61.8 |
35 |
17 |
1.1 |
59 |
4 |
502207 |
|
RN208 |
70 |
40 |
18 |
1.1 |
66.2 |
4 |
502208 |
|
RN209 |
75 |
45 |
19 |
1.1 |
71.2 |
4.5 |
502209 |
|
RN210 |
80.4 |
50 |
20 |
1.1 |
77 |
5 |
502210 |
|
RN211 |
88.5 |
0-0.020 |
55 |
21 |
1.5 |
85 |
5 |
502211 |
|
RN212 |
97.5 |
60 |
22 |
1.5 |
93.2 |
5 |
502212 |
|
RN213 |
105.6 |
65 |
23 |
1.5 |
101 |
5 |
502213 |
|
RN214 |
110.5 |
70 |
24 |
1.5 |
105.8 |
5.5 |
502214 |
|
RN215 |
116.5 |
75 |
25 |
2 |
111.4 |
5.5 |
502215 |
|
RN216 |
125.3 |
80 |
26 |
2 |
119.8 |
5.5 |
502216 |
|
RN217 |
133.8 |
85 |
28 |
2 |
129 |
6 |
502217 |
|
RN218 |
143 |
90 |
30 |
2.1 |
136.4 |
6 |
502218 |
|
RN219 |
151.5 |
95 |
32 |
2.1 |
145.5 |
6.5 |
502219 |
|
RN220 |
160 |
100 |
34 |
2.1 |
152.8 |
7 |
502220 |
|
RN221 |
168.8 |
105 |
36 |
2.1 |
161.2 |
7.5 |
502221 |
|
RN222 |
178.5 |
110 |
38 |
2.1 |
170.2 |
7.5 |
502222 |
|
RN224 |
191.5 |
120 |
40 |
2.1 |
183.5 |
8 |
502224 |
|
RN226 |
204 |
0-0.025 |
130 |
40 |
3 |
195 |
8 |
502226 |
|
RN228 |
221 |
140 |
42 |
3 |
211.5 |
8 |
502228 |
|
RN230 |
238 |
150 |
45 |
3 |
228 |
8.5 |
502230 |
|
RN232 |
255 |
160 |
48 |
3 |
245 |
9 |
502232 |
|
RN234 |
272 |
170 |
52 |
4 |
262 |
10 |
502234 |
|
RN236 |
282 |
180 |
52 |
4 |
270 |
10 |
502236 |
|
RN238 |
299 |
190 |
55 |
4 |
286.5 |
10.5 |
502238 |
|
RN240 |
316 |
200 |
58 |
4 |
302.5 |
11.5 |
502240 |
|
RN204E |
41.5 |
0-0.010 |
20 |
14 |
1 |
37.3 |
2.5 |
502204E |
|
RN205E |
46.5 |
0-0.015 |
25 |
15 |
1 |
42.3 |
3 |
502205E |
|
RN206E |
55.5 |
30 |
16 |
1 |
50.5 |
3 |
502206E |
|
RN207E |
64 |
35 |
17 |
1.1 |
59 |
3 |
502207E |
|
RN208E |
71.5 |
40 |
18 |
1.1 |
66.2 |
3.5 |
502208E |
|
RN209E |
76.5 |
45 |
19 |
1.1 |
71.2 |
3.5 |
502209E |
|
RN210E |
81.5 |
50 |
20 |
1.1 |
77 |
4 |
502210E |
|
RN211E |
90 |
0-0.020 |
55 |
21 |
1.5 |
85 |
3.5 |
502211E |
|
RN212E |
100 |
60 |
22 |
1.5 |
93.2 |
4 |
502212E |
|
RN213E |
108.5 |
65 |
23 |
1.5 |
101 |
4 |
502213E |
|
RN214E |
113.5 |
70 |
24 |
1.5 |
105.8 |
4 |
502214E |
|
RN215E |
118.5 |
75 |
25 |
2 |
111.4 |
4 |
502215E |
|
RN216E |
127.3 |
80 |
26 |
2 |
119.8 |
4.5 |
502216E |
|
RN217E |
136.5 |
85 |
28 |
2 |
129 |
4.5 |
502217E |
|
RN218E |
145 |
90 |
30 |
2.1 |
136.4 |
5 |
502218E |
|
RN219E |
154.5 |
95 |
32 |
2.1 |
145.5 |
5 |
502219E |
|
RN220E |
163 |
100 |
34 |
2.1 |
152.8 |
5 |
502220E |
|
RN221E |
- |
105 |
36 |
2.1 |
161.2 |
- |
502221E |
|
RN222E |
180.5 |
110 |
38 |
2.1 |
170.2 |
6 |
502222E |
|
RN224E |
195.5 |
120 |
40 |
2.1 |
183.5 |
6 |
502224E | |
|
|
|
|
|
|
|