|
|
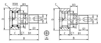
| KRE62滚轮轴承、KRVE62滚轮轴承、KRE72滚轮轴承、KRVE72滚轮轴承、KRE80滚轮轴承 |
|
 | 生产厂家: | 南京哈宁轴承制造有限公司 |
| |  | 公司地址: | 江苏省南京市莫愁路99号 |
| |  | 联系电话: | 025-86629730、52217447、52251441 |
| |  | 公司传真: | 025-52300551 |
| |  | 联 系 人: | 刘长岭 13801591302 |
| |  | 联系邮件: | hrbn@vip.qq.com |
| |  | 产品价格: | ¥.00 |
| |  | 网上报价: | ¥.00 |
| |
|
|
轴径 6~30mm
|
轴径 |
轴承型号及近似单重 |
外形尺寸 |
螺母拧紧力矩 |
基本额定负荷 |
极限转速 |
极限转速 |
|
球面 |
圆柱面 |
单重 |
B3 |
动 |
静 |
Cw |
Cow |
KRE
脂润滑 |
KRE..PP
脂润滑 |
|
mm |
g |
mm |
Nm |
N |
N |
rpm |
rpm |
|
6 |
KRE16 |
KRE16X |
20 |
7 |
2.5 |
3650 |
3540 |
3020 |
3100 |
18000 |
12000 |
|
KRVE16 |
KRVE16X |
22 |
7 |
2.5 |
6000 |
8000 |
4610 |
6000 |
7200 |
7200 |
|
8 |
KRE19 |
KRE19X |
31 |
9 |
6.8 |
3820 |
4160 |
3220 |
3100 |
16000 |
11300 |
|
KRVE19 |
KRVE19 |
35 |
9 |
6.8 |
6300 |
9800 |
5000 |
6900 |
6000 |
6000 |
|
10 |
KRE22 |
KRE22X |
48 |
10 |
12.5 |
4770 |
5010 |
3450 |
4020 |
10000 |
9000 |
|
KRVE22 |
KRVE22X |
50 |
10 |
12.5 |
6200 |
9900 |
5300 |
7100 |
4500 |
4500 |
|
KRE26 |
KRE26X |
62 |
10 |
12.5 |
4100 |
5500 |
4100 |
5200 |
10000 |
9000 |
|
KRVE26 |
KRVE26X |
65 |
10 |
12.5 |
6600 |
9900 |
5320 |
8900 |
4300 |
4300 |
|
12 |
KRE30 |
KRE30X |
93 |
11 |
18.2 |
6140 |
7700 |
5820 |
6400 |
9000 |
6300 |
|
KRVE30 |
KRVE30X |
95 |
11 |
18.2 |
9200 |
10100 |
7500 |
10600 |
3200 |
3200 |
|
KRE32 |
KRE32X |
103 |
11 |
18.2 |
6100 |
8700 |
5100 |
7001 |
9000 |
6300 |
|
KRVE32 |
KRVE32X |
105 |
11 |
18.2 |
8220 |
12600 |
8000 |
11800 |
3200 |
3200 |
|
16 |
KRE35 |
KRE35X |
182 |
14 |
45.8 |
9900 |
8460 |
7900 |
10100 |
5800 |
5800 |
|
KRVE35 |
KRVE35X |
184 |
14 |
45.8 |
10300 |
24000 |
9800 |
16000 |
2800 |
2800 |
|
18 |
KRE40 |
KRE40X |
263 |
16 |
68.7 |
9290 |
11400 |
8100 |
14000 |
4200 |
4200 |
|
KRVE40 |
KRVE40X |
265 |
16 |
68.7 |
11200 |
23500 |
10800 |
18500 |
2100 |
2100 |
|
20 |
KRE47 |
KRE47X |
406 |
18 |
101 |
12500 |
22000 |
10500 |
20500 |
3900 |
3900 |
|
KRVE47 |
KRVE47X |
410 |
18 |
101 |
16000 |
41000 |
16600 |
32000 |
1800 |
1800 |
|
KRE52 |
KRE52X |
481 |
18 |
101 |
10500 |
21000 |
10800 |
22500 |
3990 |
3900 |
|
KRVE52 |
KRVE52X |
485 |
18 |
101 |
22000 |
39000 |
10800 |
38100 |
1800 |
1800 |
|
24 |
KRE62 |
KRE62X |
818 |
18 |
205 |
20500 |
33000 |
16500 |
33000 |
2100 |
2100 |
|
KRVE62 |
KRVE62X |
830 |
18 |
205 |
31700 |
61000 |
29600 |
56000 |
1300 |
1300 |
|
KRE72 |
KRE72X |
1068 |
22 |
205 |
41200 |
50300 |
25000 |
50890 |
2800 |
2800 |
|
KRVE72 |
KRVE72X |
1073 |
22 |
205 |
32500 |
71000 |
27000 |
75000 |
1200 |
1200 |
|
30 |
KRE80 |
KRE80X |
1610 |
22 |
351 |
40800 |
75300 |
24500 |
57000 |
2030 |
2030 |
|
KRVE80 |
KRVE80X |
1621 |
22 |
351 |
46000 |
102000 |
39900 |
100600 |
1000 |
1000 |
|
KRE85 |
KRE85X |
1800 |
29 |
351 |
38700 |
64300 |
29900 |
69000 |
1840 |
1840 |
|
KRVE85 |
KRVE85X |
2010 |
29 |
351 |
38700 |
64300 |
29900 |
69000 |
1600 |
1600 |
|
KRE90 |
KRE90X |
2010 |
29 |
351 |
38700 |
64300 |
29900 |
69000 |
1840 |
1840 |
|
KRVE90 |
KRVE90X |
2030 |
29 |
351 |
48970 |
102300 |
38800 |
100000 |
1220 |
1220 | |
|
|
|
|
|
|
|