|
|
| KR80滚轮轴承、KR1910滚轮轴承、KR24012滚轮轴承、KR3014滚轮轴承 |
|
 | 生产厂家: | 南京哈宁轴承制造有限公司 |
| |  | 公司地址: | 江苏省南京市莫愁路99号 |
| |  | 联系电话: | 025-86629730、52217447、52251441 |
| |  | 公司传真: | 025-52300551 |
| |  | 联 系 人: | 刘长岭 13801591302 |
| |  | 联系邮件: | hrbn@vip.qq.com |
| |  | 产品价格: | ¥.00 |
| |  | 网上报价: | ¥.00 |
| |
|


|
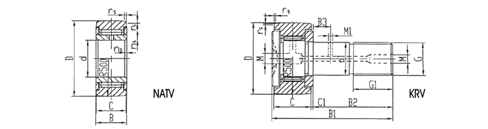
轴承型号 |
D |
d1 |
C |
B1 |
B2 |
B3 |
G |
G1 |
M |
M1 |
C1 |
rsmin |
|
KR |
KRV |
|
KR22 |
KRV22 |
22 |
10 |
12 |
36 |
23 |
- |
M10x1.25 |
12 |
4 |
- |
0.6 |
0.3 |
|
KR22A |
KRV22A |
22 |
10 |
12 |
36 |
23 |
- |
M10x1 |
12 |
4 |
- |
0.6 |
0.3 |
|
KR26 |
KRV26 |
26 |
10 |
12 |
36 |
23 |
- |
M10x1.25 |
12 |
4 |
- |
0.6 |
0.3 |
|
KR26A |
KRV26A |
26 |
10 |
12 |
36 |
23 |
- |
M10x1 |
12 |
4 |
- |
0.6 |
0.3 |
|
KR30 |
KRV30 |
30 |
12 |
14 |
40 |
25 |
6 |
M12x1.5 |
13 |
6 |
3 |
0.6 |
0.6 |
|
KR32 |
KRV32 |
32 |
12 |
14 |
40 |
25 |
6 |
M12x1.5 |
13 |
6 |
3 |
0.6 |
0.6 |
|
KR35 |
KRV35 |
35 |
16 |
18 |
52 |
32.5 |
8 |
M16x1.5 |
17 |
6 |
3 |
0.8 |
0.6 |
|
KR40 |
KRV40 |
40 |
18 |
20 |
58 |
36.5 |
8 |
M18x1.5 |
19 |
6 |
3 |
0.8 |
1.0 |
|
KR547 |
KRV47 |
47 |
20 |
24 |
66 |
40.5 |
9 |
M20x1.5 |
21 |
8 |
4 |
0.8 |
1.0 |
|
KR52 |
KRV52 |
52 |
20 |
24 |
66 |
40.5 |
9 |
M20x1.5 |
21 |
8 |
4 |
0.8 |
1.0 |
|
KR62 |
KRV62 |
62 |
24 |
29 |
80 |
49.5 |
11 |
M24x1.5 |
25 |
8 |
4 |
0.8 |
1.0 |
|
KR72 |
KRV72 |
72 |
24 |
29 |
80 |
49.5 |
11 |
M24x1.5 |
25 |
8 |
4 |
0.8 |
1.0 |
|
KR80 |
KRV80 |
80 |
30 |
35 |
100 |
63 |
15 |
M30x1.5 |
32 |
8 |
4 |
1.0 |
1.0 |
|
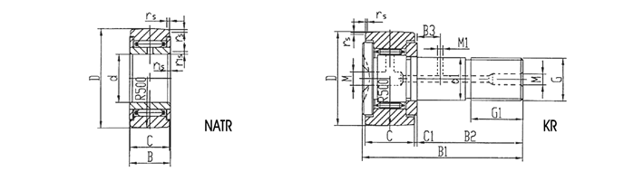
轴承型号 |
D |
d1 |
C |
B1 |
B2 |
B3 |
G |
G1 |
C1 |
rsmin |
|
KR |
KRV |
|
KR19 10 |
KRV19 10 |
19 |
10 |
11 |
34 |
22 |
- |
M10x1.25 |
12 |
0.5 |
0.3 |
|
KR240 12 |
KRV24 12 |
24 |
12 |
14 |
41 |
26 |
- |
M12x1.5 |
14 |
0.5 |
0.3 |
|
KR30 14 |
KRV32 14 |
32 |
14 |
17 |
48 |
30 |
7 |
M14x1.5 |
16 |
0.5 |
0.6 |
|
KR37 16 |
KRV37 16 |
37 |
16 |
20 |
56 |
35 |
8 |
M16x1.5 |
18 |
0.5 |
1 |
|
KR42 20 |
KRV42 20 |
42 |
20 |
22 |
65 |
41 |
10 |
M20x1.5 |
21 |
1 |
1 |
|
KR47 24 |
KRV47 24 |
47 |
24 |
25 |
75 |
48 |
11 |
M24x1.5 |
25 |
1 |
1 |
|
KR58 30 |
KRV58 30 |
58 |
30 |
32 |
93 |
59 |
14 |
M30x1.5 |
30 |
1 |
1 |
|
KR72 36 |
KRV72 36 |
72 |
36 |
38 |
116 |
76 |
17 |
M36x3 |
41 |
1 |
1 |
|
KR85 42 |
KRV85 42 |
85 |
42 |
46 |
125 |
87 |
20 |
M42x3 |
46 |
1 |
1.5 |
|
KR100 48 |
KRV100 48 |
100 |
48 |
54 |
156 |
100 |
23 |
M48x3 |
53 |
1 |
1.5 |
|
KR110 56 |
KRV110 56 |
110 |
56 |
61 |
178 |
115 |
- |
M56X4 |
61 |
1 |
2 |
|
KR125 64 |
KRV125 64 |
125 |
64 |
69 |
200 |
129 |
- |
M64x4 |
68 |
1 |
2 |
|
KR140 72 |
KRV140 72 |
140 |
72 |
76 |
222 |
143 |
- |
M72x4 |
73 |
2 |
2.5 | |
|
|
|
|
|
|
|