|
|
| 29241/5滚针轴承、39241/5滚针轴承、29241/6滚针轴承、39241/6滚针轴承 |
|
 | 生产厂家: | 南京哈宁轴承制造有限公司 |
| |  | 公司地址: | 江苏省南京市莫愁路99号 |
| |  | 联系电话: | 025-86629730、52217447、52251441 |
| |  | 公司传真: | 025-52300551 |
| |  | 联 系 人: | 刘长岭 13801591302 |
| |  | 联系邮件: | hrbn@vip.qq.com |
| |  | 产品价格: | ¥.00 |
| |  | 网上报价: | ¥.00 |
| |
|

|
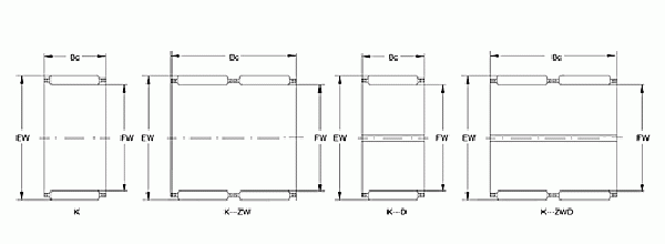
轴径 |
轴承型号 |
重量 |
外形尺寸 |
额定负荷 |
极限转速 |
|
Bearing Designation |
Mass |
BoundaryDimensions |
BasicLoadRating |
Limiting Speed |
|
Shaft |
现型号 |
原型号 |
Approx |
Fw |
D |
C |
动 |
静 |
油润滑 Oil |
|
CurrentCode |
OriginalCode |
Dynamic |
Static |
|
mm |
g |
mm |
N |
rpm |
|
3 |
K3X5X7TN |
|
0.3 |
3 |
5 |
7 |
1.54 |
1.29 |
50000 |
|
K3X5X9TN |
|
0.4 |
3 |
5 |
9 |
1.71 |
1.48 |
|
|
K3X6X7TN |
|
0.4 |
3 |
6 |
7 |
1.43 |
0.97 |
47000 |
|
4 |
K4X7X7TN |
|
0.5 |
4 |
7 |
7 |
2.33 |
1.84 |
43000 |
|
K4X7X10TN |
|
0.7 |
4 |
7 |
10 |
2.35 |
1.92 |
39000 |
|
5 |
K5X8X8TN |
29241/5 |
0.7 |
5 |
8 |
8 |
2300 |
1880 |
37000 |
|
K5X8X10TN |
39241/5 |
0.9 |
5 |
8 |
10 |
2800 |
2450 |
37000 |
|
6 |
K6X9X8TN |
29241/6 |
0.8 |
6 |
9 |
8 |
25600 |
2240 |
35000 |
|
K6X9X10TN |
39241/6 |
1 |
6 |
9 |
10 |
3300 |
3100 |
35000 |
|
K6X10X13TN |
19241/6 |
1.3 |
6 |
10 |
13 |
3500 |
2800 |
33000 |
|
7 |
K7X10X8TN |
29241/7 |
0.9 |
7 |
10 |
8 |
2750 |
2550 |
32000 |
|
K7X10X10TN |
39241/7 |
1.1 |
7 |
10 |
10 |
3350 |
3400 |
32000 |
|
8 |
K8X11X8TN |
29241/8 |
1.1 |
8 |
11 |
8 |
3000 |
2900 |
30000 |
|
K8X11X10TN |
39241/8 |
1.7 |
8 |
11 |
10 |
3830 |
3950 |
30000 |
|
K8X11X13TN |
49241/8 |
1.8 |
8 |
11 |
13 |
5000 |
5700 |
30000 |
|
K8X12X10TN |
29242/8 |
1.3 |
8 |
12 |
10 |
4900 |
4600 |
30000 |
|
9 |
K9X12X10TN |
39241/9 |
1.5 |
9 |
12 |
10 |
4200 |
4700 |
30000 |
|
K9X12X13TN |
19241/9 |
1.9 |
9 |
12 |
13 |
5500 |
6700 |
30000 |
|
10 |
K10X13X10TN |
39241/10 |
1.6 |
10 |
13 |
10 |
4500 |
5250 |
27000 |
|
K10X13X13TN |
39241/10 |
2.1 |
10 |
13 |
13 |
6000 |
7600 |
27000 |
|
K10X13X16TN |
|
2.2 |
10 |
13 |
16 |
6300 |
7800 |
27000 |
|
K10X14X10TN |
29242/10 |
2.9 |
10 |
14 |
10 |
7000 |
7900 |
27000 |
|
K10X14X13TN |
3922/10 |
4.3 |
10 |
14 |
13 |
8000 |
9100 |
26000 |
|
K10X16X12TN |
19244/10 |
3.7 |
10 |
16 |
12 |
7000 |
9300 |
27000 |
|
12 |
K12X15X9TN |
|
2.7 |
12 |
15 |
9 |
4120 |
5210 |
25000 |
|
K12X15X10TN |
39241/12 |
1.9 |
12 |
15 |
10 |
4320 |
5730 |
25000 |
|
K12X15X13TN |
49241/12 |
2.4 |
12 |
15 |
13 |
6000 |
8100 |
25000 |
|
K12X16X8TN |
19242/12 |
2.9 |
12 |
16 |
8 |
1200 |
4700 |
25000 |
|
K12X16X10TN |
29242/12 |
3.4 |
12 |
16 |
10 |
6000 |
6900 |
25000 |
|
K12X16X13TN |
39242/12 |
3.8 |
12 |
16 |
13 |
7900 |
9200 |
25000 |
|
K12X17X13TN |
59242/12 |
4.4 |
12 |
17 |
13 |
9300 |
10000 |
24000 |
|
K12X18X12TN |
19244/12 |
5 |
12 |
18 |
12 |
9800 |
8000 |
24000 |
|
K12X15X20TN |
|
3.8 |
12 |
15 |
20 |
8200 |
12000 |
25000 |
|
14 |
K14X17X10 |
|
4 |
14 |
17 |
10 |
5100 |
6800 |
23000 |
|
K14X17X17 |
|
6.8 |
14 |
17 |
17 |
9300 |
14000 |
23000 |
|
K14X18X10 |
29242/14 |
4.8 |
14 |
18 |
10 |
6800 |
8300 |
23000 |
|
K14X18X13 |
39242/14 |
6.3 |
14 |
18 |
13 |
8100 |
9800 |
23000 |
|
K14X18X14 |
|
6.8 |
14 |
18 |
14 |
9200 |
12000 |
23000 |
|
K14X18X15 |
49242/14 |
7.3 |
14 |
18 |
15 |
10000 |
13000 |
23000 |
|
K14X18X17 |
59242/14 |
8.1 |
14 |
18 |
17 |
10500 |
13900 |
23000 |
|
K14X20X12 |
19243/14 |
8.6 |
14 |
20 |
12 |
9900 |
10500 |
22000 | |
|
|
|
|
|
|
|