南京轴承厂 南京轴承有限公司 南京哈宁轴承制造有限公司 南京工艺装备制造有限公司
设为首页 加入收藏夹 联系我们
电话:025-52217447、86629730 QQ:349831866
图文传真:025-52300551 联系人:刘长岭 13801591302
首页 | 产品大全 | 贸易知识 | 技术知识 | 轴承知识 | 行业新闻 | 国内新闻 | 哈宁新闻 | 样本下载 | 轴承样本 | 现货信息 | 供应信息 | 价格信息 | 营业执照 | 企业商标 | 汇款资料 | 产品介绍 | 联系我们 | 价格表 | 微薄 |
搜索:

销售电话:138 0159 1302

您现在的位置是:首页 --->产品大全

产品信息及联系方式

39241/8滚针轴承、49241/8滚针轴承、29242/8滚针轴承、39241/9滚针轴承
生产厂家:南京哈宁轴承制造有限公司
公司地址:江苏省南京市莫愁路99号
联系电话:025-86629730、52217447、52251441
公司传真:025-52300551
联 系 人:刘长岭 13801591302
联系邮件:hrbn@vip.qq.com
产品价格:¥.00
网上报价:¥.00
产品信息及联系方式

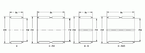
结构图

轴径

轴承型号

重量

外形尺寸

额定负荷

极限转速

Bearing Designation

Mass

BoundaryDimensions

BasicLoadRating

Limiting Speed

Shaft

现型号

原型号

Approx

Fw

D

C

油润滑 Oil

CurrentCode

OriginalCode

Dynamic

Static

mm

g

mm

N

rpm

3

K3X5X7TN

 

0.3

3

5

7

1.54

1.29

50000

K3X5X9TN

 

0.4

3

5

9

1.71

1.48

 

K3X6X7TN

 

0.4

3

6

7

1.43

0.97

47000

4

K4X7X7TN

 

0.5

4

7

7

2.33

1.84

43000

K4X7X10TN

 

0.7

4

7

10

2.35

1.92

39000

5

K5X8X8TN

29241/5

0.7

5

8

8

2300

1880

37000

K5X8X10TN

39241/5

0.9

5

8

10

2800

2450

37000

6

K6X9X8TN

29241/6

0.8

6

9

8

25600

2240

35000

K6X9X10TN

39241/6

1

6

9

10

3300

3100

35000

K6X10X13TN

19241/6

1.3

6

10

13

3500

2800

33000

7

K7X10X8TN

29241/7

0.9

7

10

8

2750

2550

32000

K7X10X10TN

39241/7

1.1

7

10

10

3350

3400

32000

8

K8X11X8TN

29241/8

1.1

8

11

8

3000

2900

30000

K8X11X10TN

39241/8

1.7

8

11

10

3830

3950

30000

K8X11X13TN

49241/8

1.8

8

11

13

5000

5700

30000

K8X12X10TN

29242/8

1.3

8

12

10

4900

4600

30000

9

K9X12X10TN

39241/9

1.5

9

12

10

4200

4700

30000

K9X12X13TN

19241/9

1.9

9

12

13

5500

6700

30000

10

K10X13X10TN

39241/10

1.6

10

13

10

4500

5250

27000

K10X13X13TN

39241/10

2.1

10

13

13

6000

7600

27000

K10X13X16TN

 

2.2

10

13

16

6300

7800

27000

K10X14X10TN

29242/10

2.9

10

14

10

7000

7900

27000

K10X14X13TN

3922/10

4.3

10

14

13

8000

9100

26000

K10X16X12TN

19244/10

3.7

10

16

12

7000

9300

27000

12

K12X15X9TN

 

2.7

12

15

9

4120

5210

25000

K12X15X10TN

39241/12

1.9

12

15

10

4320

5730

25000

K12X15X13TN

49241/12

2.4

12

15

13

6000

8100

25000

K12X16X8TN

19242/12

2.9

12

16

8

1200

4700

25000

K12X16X10TN

29242/12

3.4

12

16

10

6000

6900

25000

K12X16X13TN

39242/12

3.8

12

16

13

7900

9200

25000

K12X17X13TN

59242/12

4.4

12

17

13

9300

10000

24000

K12X18X12TN

19244/12

5

12

18

12

9800

8000

24000

K12X15X20TN

 

3.8

12

15

20

8200

12000

25000

14

K14X17X10

 

4

14

17

10

5100

6800

23000

K14X17X17

 

6.8

14

17

17

9300

14000

23000

K14X18X10

29242/14

4.8

14

18

10

6800

8300

23000

K14X18X13

39242/14

6.3

14

18

13

8100

9800

23000

K14X18X14

 

6.8

14

18

14

9200

12000

23000

K14X18X15

49242/14

7.3

14

18

15

10000

13000

23000

K14X18X17

59242/14

8.1

14

18

17

10500

13900

23000

K14X20X12

19243/14

8.6

14

20

12

9900

10500

22000

产品分类
  微型深沟球轴承   深沟球轴承   调心球轴承   圆柱滚子轴承   调心滚子轴承   滚针轴承   角接触球轴承
  圆锥滚子轴承   推力球轴承   平面滚子轴承   偏心轴承   直线轴承   含油轴承   杆端轴承
  滚轮轴承   不锈钢轴承   叉车轴承   单向轴承   导轨滑块   组合轴承   英制球轴承
  汽车轴承   塑料轴承   高温轴承   关节轴承   滑动轴承座   外球面轴承   部分式轴承座
  紧定套   退卸套   外球面轴承座   外球面轴承带座   胀套   分离轴承   推力滚子轴承
  丝杠轴承   交叉滚子轴承   罗拉轴承   滚珠丝杆   转盘轴承   十字架轴承   双列球轴承
  钻具轴承   直线滑块   冲压轴承座   企业证书   推力关节轴承   轴承技术参数   非标轴承
  长圆柱滚子轴承   推力关节轴承   锌合金轴承座   轴承型号对照表   轴承座框架   英制圆锥滚子轴承   双列满滚子轴承
  直线轴承支撑   退卸套附件   水泵轴承   轴承附件   串联轴承   万向节   输送机专用轴承座
  回转支承   逆止器   弹性膜片联轴器   在线支付   滚动花键副   滚珠丝杠副   滚动直线导套副
  轴承加热器   薄壁角接触球轴承   薄壁深沟球轴承
关于我们 - 设为首页 - 加入收藏 - 营业执照 - 企业商标 - 汇款资料 - 产品介绍 - 联系我们 - 友情连接 - 企业库 - VIP会员
单位汇款资料:南京哈宁轴承制造有限公司 开户行及帐号:工行朝天宫分理处4301021409100005958
个人汇款资料:中国农业银行南京白下分行 6228460390011617510 刘长岭 苏ICP备16004265号-1