|
|
| SCS40UU直线滑动单元、SCS50UU直线滑动单元、SCS60UU直线滑动单元、SCS16LUU直线滑动单元、SCS20LUU直线滑动单元、SCS25LUU直线滑动单元、SCS30LUU直线滑动单元、SCS35LUU直线滑动单元、SCS40LUU直线滑动单元 |
|
 | 生产厂家: | 南京哈宁轴承制造有限公司 |
| |  | 公司地址: | 江苏省南京市莫愁路99号 |
| |  | 联系电话: | 025-86629730、52217447、52251441 |
| |  | 公司传真: | 025-52300551 |
| |  | 联 系 人: | 刘长岭 13801591302 |
| |  | 联系邮件: | hrbn@vip.qq.com |
| |  | 产品价格: | ¥.00 |
| |  | 网上报价: | ¥.00 |
| |
|
|
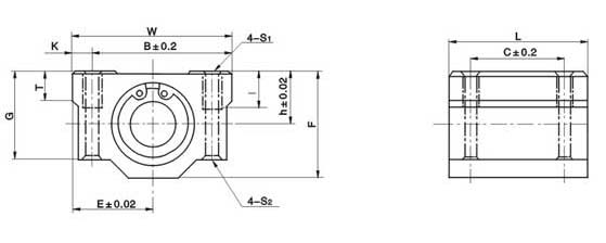
滑块型号
Unit
Designation |
主要尺寸(Dimensions(mm) |
配合直线轴承Slide bush |
重量
Weight
(kg/m) |
|
T |
h |
E |
W |
L |
F |
G |
B |
C |
K |
S1 |
S2 |
L1 |
型号
Designation |
基本负荷率
Basic load rating |
|
动
damic
CN |
静
satic
CON |
|
SCS6UU |
6 |
9 |
15 |
30 |
25 |
18 |
15 |
20 |
15 |
5 |
M4 |
3.4 |
8 |
LM6UU |
206 |
265 |
34 |
|
SCS8UU |
6 |
11 |
17 |
36 |
30 |
22 |
18 |
24 |
18 |
5 |
M4 |
3.4 |
8 |
LM8UU |
274 |
392 |
52 |
|
SCS10UU |
8 |
13 |
20 |
40 |
35 |
26 |
21 |
28 |
21 |
6 |
M5 |
4.3 |
12 |
LM10UU |
372 |
549 |
92 |
|
SCS12UU |
8 |
15 |
21 |
42 |
36 |
28 |
24 |
30.5 |
26 |
5.75 |
M5 |
4.3 |
12 |
LM12UU |
510 |
784 |
102 |
|
SCS13UU |
8 |
15 |
22 |
44 |
39 |
30 |
24.5 |
33 |
26 |
5.5 |
M5 |
4.3 |
12 |
LM13UU |
510 |
784 |
120 |
|
SCS16UU |
9 |
19 |
25 |
50 |
44 |
38.5 |
32.5 |
36 |
34 |
7 |
M5 |
4.3 |
12 |
LM16UU |
774 |
1180 |
200 |
|
SCS20UU |
11 |
21 |
27 |
54 |
50 |
41 |
35 |
40 |
40 |
7 |
M6 |
5.2 |
12 |
LM20UU |
882 |
1370 |
255 |
|
SCS25UU |
12 |
26 |
38 |
76 |
67 |
51.5 |
42 |
54 |
50 |
11 |
M8 |
7 |
18 |
LM25UU |
980 |
1570 |
600 |
|
SCS30UU |
15 |
30 |
39 |
78 |
72 |
59.5 |
49 |
58 |
58 |
10 |
M8 |
7 |
18 |
LM30UU |
1570 |
2740 |
735 |
|
SCS35UU |
18 |
34 |
45 |
90 |
80 |
68 |
54 |
70 |
60 |
10 |
M8 |
7 |
18 |
LM35UU |
1670 |
3140 |
1100 |
|
SCS40UU |
20 |
40 |
51 |
102 |
90 |
78 |
62 |
80 |
60 |
11 |
M10 |
8.7 |
25 |
LM40UU |
2160 |
4020 |
1590 |
|
SCS50UU |
25 |
52 |
61 |
122 |
110 |
102 |
80 |
100 |
80 |
11 |
M10 |
8.7 |
25 |
LM50UU |
3820 |
7940 |
3340 |
|
SCS60UU |
30 |
58 |
66 |
132 |
122 |
114 |
94 |
108 |
90 |
12 |
M10 |
10.7 |
25 |
LM60UU |
4700 |
10000 |
4270 |
|
|
|
|
|
|
|
|
|
|
|
|
|
|
|
|
|
|
|
|
SCS16LUU |
9 |
19 |
25 |
50 |
85 |
38.5 |
32.5 |
36 |
60 |
7 |
M5 |
4.3 |
12 |
LM16LUU |
774 |
1180 |
400 |
|
SCS20LUU |
11 |
21 |
27 |
54 |
96 |
41 |
35 |
40 |
70 |
7 |
M6 |
5.2 |
12 |
LM20LUU |
882 |
1370 |
510 |
|
SCS25LUU |
12 |
26 |
38 |
76 |
130 |
51.5 |
42 |
54 |
100 |
11 |
M8 |
7 |
18 |
LM25LUU |
980 |
1570 |
1200 |
|
SCS30LUU |
15 |
30 |
39 |
78 |
140 |
59.5 |
49 |
58 |
110 |
10 |
M8 |
7 |
18 |
LM30LUU |
1570 |
2740 |
1470 |
|
SCS35LUU |
18 |
34 |
45 |
90 |
155 |
68 |
54 |
70 |
120 |
10 |
M8 |
7 |
18 |
LM35LUU |
1670 |
3140 |
2200 |
|
SCS40LUU |
20 |
40 |
51 |
102 |
175 |
78 |
62 |
80 |
140 |
11 |
M10 |
8.7 |
25 |
LM40LUU |
2160 |
4020 |
3180 | |
|
|
|
|
|
|
|