|
|
| UELFC204轴承、UELFC205轴承、UELFC206轴承、UELFC207轴承、UELFC208轴承、UELFC209轴承、UELFC210轴承、UELFC211轴承、UELFC212轴承 |
|
 | 生产厂家: | 南京哈宁轴承制造有限公司 |
| |  | 公司地址: | 江苏省南京市莫愁路99号 |
| |  | 联系电话: | 025-86629730、52217447、52251441 |
| |  | 公司传真: | 025-52300551 |
| |  | 联 系 人: | 刘长岭 13801591302 |
| |  | 联系邮件: | hrbn@vip.qq.com |
| |  | 产品价格: | ¥.00 |
| |  | 网上报价: | ¥.00 |
| |
|
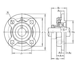
軸徑 (mm) |
連 座 軸 承 型 番 |
主 要 寸 法 (mm) |
安裝 螺栓 型番 |
軸 承 部 份 |
軸承座 型 番 |
總重量 |
| 型番 |
基本額定荷重(Kn) |
標準 |
| L |
A |
J |
J1 |
N |
A1 |
A2 |
A3 |
H3 |
A0 |
B1 |
S |
Cr |
C0r |
| 20 |
UELFC204 |
100 |
20.5 |
78 |
55.1 |
12 |
7 |
10 |
5 |
62 |
36.6 |
43.7 |
17.1 |
M10 |
UEL204 |
12.8 |
6.6 |
FC204 |
0.89 |
| 25 |
UELFC205 |
115 |
21 |
90 |
63.6 |
12 |
7 |
10 |
6 |
70 |
36.9 |
44.4 |
17.5 |
M10 |
UEL205 |
14 |
7.9 |
FC205 |
1 |
| 30 |
UELFC206 |
125 |
23 |
100 |
70.7 |
12 |
8 |
10 |
8 |
80 |
40.1 |
48.4 |
18.3 |
M10 |
UEL206 |
19.6 |
11.3 |
FC206 |
1.2 |
| 35 |
UELFC207 |
135 |
26 |
110 |
77.8 |
14 |
9 |
11 |
8 |
90 |
43.3 |
51.1 |
18.8 |
M12 |
UEL207 |
25.9 |
15.4 |
FC207 |
1.7 |
| 40 |
UELFC208 |
145 |
26 |
120 |
84.8 |
16 |
9 |
11 |
10 |
100 |
45.9 |
56.3 |
21.4 |
M12 |
UEL208 |
29.3 |
17.9 |
FC208 |
2 |
| 45 |
UELFC209 |
160 |
26 |
132 |
93.3 |
16 |
14 |
10 |
12 |
105 |
44.9 |
56.3 |
21.4 |
M14 |
UEL209 |
33 |
20.5 |
FC209 |
2.5 |
| 50 |
UELFC210 |
165 |
28 |
138 |
97.6 |
16 |
14 |
10 |
12 |
110 |
48.1 |
62.7 |
24.6 |
M14 |
UEL210 |
35.5 |
23.2 |
FC210 |
2.8 |
| 55 |
UELFC211 |
185 |
31 |
150 |
106.1 |
19 |
15 |
13 |
12 |
125 |
56.6 |
71.4 |
27.8 |
M16 |
UEL211 |
43 |
29.4 |
FC211 |
4.1 |
| 60 |
UELFC212 |
195 |
36 |
160 |
113.1 |
19 |
15 |
17 |
12 |
135 |
63.8 |
77.8 |
31 |
M16 |
UEL212 |
52.5 |
36.1 |
FC212 |
4.8 | |
|
|
|
|
|
|
|