|
|
| SG15滚轮轴承、SG15-10滚轮轴承、SG20滚轮轴承、SG25滚轮轴承、SG35滚轮轴承、SG15N滚轮轴承、SG20N滚轮轴承、SG25N滚轮轴承、SG35N滚轮轴承、LFR50/5-4N滚轮轴承、LFR50/5-5滚轮轴承、LFR50/5N滚轮轴承、LFR50/8N滚轮轴承、LFR50/8-8N滚轮轴承 |
|
 | 生产厂家: | 南京哈宁轴承制造有限公司 |
| |  | 公司地址: | 江苏省南京市莫愁路99号 |
| |  | 联系电话: | 025-86629730、52217447、52251441 |
| |  | 公司传真: | 025-52300551 |
| |  | 联 系 人: | 刘长岭 13801591302 |
| |  | 联系邮件: | hrbn@vip.qq.com |
| |  | 产品价格: | ¥.00 |
| |  | 网上报价: | ¥.00 |
| |
|

|
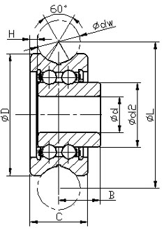
滚轮型号 |
重量 |
尺寸 (mm) |
载荷 |
|
HRBN |
≈(g) |
dw |
d |
D |
C |
B |
L |
d2 |
H |
Cw (KN) |
Cow (KN) |
Fr perm (KN) |
|
SG15 |
8 |
6 |
5 |
17 |
8 |
5.75 |
20.46 |
8.6 |
1 |
1.27 |
0.82 |
1.3 |
|
SG15-10 |
9 |
10 |
5 |
17 |
8 |
5.75 |
25.5 |
8.6 |
1 |
1.27 |
0.82 |
1.3 |
|
SG20 |
25 |
8 |
6 |
24 |
11 |
7.25 |
28.62 |
11.1 |
1.2 |
3.4 |
1.7 |
1.3 |
|
SG25 |
49 |
10 |
8 |
30 |
14 |
8.5 |
35.77 |
13 |
1.5 |
3.67 |
2.28 |
1.3 |
|
SG35 |
136 |
12 |
12 |
42 |
19 |
12.5 |
48.93 |
18 |
1.5 |
8.5 |
5.1 |
5.1 |
|
SG15N |
8 |
6 |
5 |
17 |
8 |
5.75 |
20.46 |
8.6 |
0.5 |
1.27 |
0.82 |
1.3 |
|
SG20N |
25 |
8 |
6 |
24 |
11 |
7.25 |
28.62 |
11.1 |
0.7 |
3.4 |
1.7 |
1.3 |
|
SG25N |
49 |
10 |
8 |
30 |
14 |
8.5 |
35.77 |
13 |
1 |
3.67 |
2.28 |
1.3 |
|
SG35N |
136 |
12 |
12 |
42 |
19 |
12.5 |
48.93 |
18 |
1 |
8.5 |
5.1 |
5.1 |
|
LFR 50/5-4 N |
8 |
4 |
5 |
16 |
7 |
5 |
18 |
6.9 |
0 |
2.02 |
0.93 |
1.3 |
|
LFR 50/5-5 |
8 |
5 |
5 |
17 |
7 |
5 |
20 |
6.9 |
0 |
2.02 |
0.93 |
1.3 |
|
LFR 50/5 N |
8 |
6 |
5 |
17 |
7 |
5 |
21 |
6.9 |
0 |
2.02 |
0.93 |
1.3 |
|
LFR 50/8 N |
25 |
6 |
8 |
24 |
11 |
7 |
28 |
12.3 |
0 |
3.67 |
2.28 |
1.3 |
|
LFR 50/8-8 N |
25 |
8 |
8 |
24 |
11 |
7 |
29 |
12.3 |
0 |
3.67 |
2.28 |
1.3 | |
|
|
|
|
|
|
|