南京轴承厂 南京轴承有限公司 南京哈宁轴承制造有限公司 南京工艺装备制造有限公司
设为首页 加入收藏夹 联系我们
电话:025-52217447、86629730 QQ:349831866
图文传真:025-52300551 联系人:刘长岭 13801591302
首页 | 产品大全 | 贸易知识 | 技术知识 | 轴承知识 | 行业新闻 | 国内新闻 | 哈宁新闻 | 样本下载 | 轴承样本 | 现货信息 | 供应信息 | 价格信息 | 营业执照 | 企业商标 | 汇款资料 | 产品介绍 | 联系我们 | 价格表 | 微薄 |
搜索:

销售电话:138 0159 1302

您现在的位置是:首页 --->产品大全

产品信息及联系方式

LV系列轴承可广泛用于圆柱形导轨或120°的V型导轨:LV20/7ZZ、LV20/8ZZ、LV20/10ZZ 、LV202-38ZZ、LV202-40ZZ、LV201ZZ、LV201-14-2RS、LV202-41ZZ、LV203ZZ、LV204-57ZZ、LV204-58ZZ
生产厂家:南京哈宁轴承制造有限公司
公司地址:江苏省南京市莫愁路195号
联系电话:025-86629730、52217447、52251441
公司传真:025-52300551
联 系 人:刘长岭 13801591302
联系邮件:hrbn@vip.qq.com
产品价格:¥.00
网上报价:¥.00
产品信息及联系方式

LV(RV)系列V型槽导轨滚轮轴承
LV系列轴承可广泛用于圆柱形导轨或120°的V型导轨:LV20/7ZZ、LV20/8ZZ、LV20/10ZZ 、LV202-38ZZ、LV202-40ZZ、LV201ZZ、LV201-14-2RS、LV202-41ZZ、LV203ZZ、LV204-57ZZ、LV204-58ZZ

● LV(RV)系列轴承可广泛用于圆柱形导轨或120°的V型导轨。与LFR系列滚轮不同,LV系列轴承对导轨的尺寸适应性强,每个规格可以适配的导轨直径尺寸范围较大,可广泛应用于重型导轨、移动设备、校直机械等。
● 哈宁轴承生产的轴承采用双列角接触球轴承的内部结构设计及加厚的外圈,使轴承具有更高的承载能力。
● 轴承用优质轴承钢(AISI52100或不锈钢AISI440C)制造,经热处理、精密磨削加工而成,并在内部填充长寿命的高品质多用途油脂。轴承防尘采用金属防尘盖。哈宁轴承也可以提供带有同心轴和偏心轴的轴承。
● 轴承外圈的V型槽底有退刀槽,如使用要求不允许退刀槽时,可向哈宁轴承公司订购不带退刀槽的轴承,也可定制其它V形角度的轴承。

应用了HRBN哈宁轴承(RV)LV系列导轨轴承的导向系统具有以下特征:
1. 阻力小,寿命长,应用广泛:HRBN (哈宁轴承)LV(RV)系列导轨滚轮轴承的V形表面经过精细磨削加工,表面粗糙度达Ra0.32。轴承的V型槽与内圈安装平面平行度好。工作时,轴承与圆柱形导轨之间的受力平稳,磨擦阻力小。
2. 安装简单方便:轴承配置偏心轴及同心轴后,使安装很方便,调整HRBN偏心轴承的偏心量即可得到合适的预载。
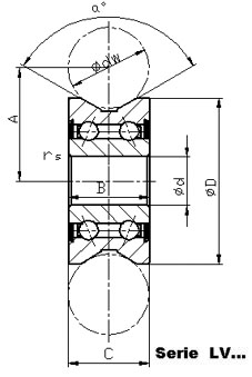
                         轴承型号
外径上
Φdw
mm
内径
Bore
mm
外径
O.D.
mm
宽度
Width
mm
宽度
Width
mm
           A
角度
Angle
倒角Chamfer r/min
mm
载荷
Load
重量
Weight
HRBN
Φdw
D
D
B
C
A
α
R/min
Cw(KN)
Cow(KN)
Kg
LV 20/7 ZZ
10
7
22
11
11
14.5
120
0.3
3.78
2.05
17
LV 20/8 ZZ
10
8
30
14
14
18.1
120
0.3
5.13
2.67
49
LV20/10ZZ
10
10
30
14
14
18.1
120
0.3
5.13
2.67
48
LV 202-38 ZZ
10
15
38
17
17
22.25
120
0.5
8.47
5.37
87
LV 202-40 ZZ
10
15
40
18
18
22
120
0.5
8.47
5.37
110
LV 201 ZZ
20
12
41
20
20
28
120
0.3
8.47
5.37
130
LV 201-14.2RS
14
12
39.9
20.1
18
24
100
0.5
8.9
5
107
LV 202-41 ZZ
20
15
41
20
20
28
120
0.5
8.47
5.37
116
LV 203 ZZ
20
17
58
25
25
35
120
0.5
14.66
9.1
325
LV 204-57 ZZ
20
20
57
22
22
34.5
120
0.6
14.66
9.1
290
LV 204-58 ZZ
30
20
58
25
25
41
120
0.6
14.66
9.1
310

LV系列轴承可广泛用于圆柱形导轨或120°的V型导轨:LV20/7ZZ、LV20/8ZZ、LV20/10ZZ 、LV202-38ZZ、LV202-40ZZ、LV201ZZ、LV201-14-2RS、LV202-41ZZ、LV203ZZ、LV204-57ZZ、LV204-58ZZ

产品分类
  微型深沟球轴承   深沟球轴承   调心球轴承   圆柱滚子轴承   调心滚子轴承   滚针轴承   角接触球轴承
  圆锥滚子轴承   推力球轴承   平面滚子轴承   偏心轴承   直线轴承   含油轴承   杆端轴承
  滚轮轴承   不锈钢轴承   叉车轴承   单向轴承   导轨滑块   组合轴承   英制球轴承
  汽车轴承   塑料轴承   高温轴承   关节轴承   滑动轴承座   外球面轴承   部分式轴承座
  紧定套   退卸套   外球面轴承座   外球面轴承带座   胀套   分离轴承   推力滚子轴承
  丝杠轴承   交叉滚子轴承   罗拉轴承   滚珠丝杆   转盘轴承   十字架轴承   双列球轴承
  钻具轴承   直线滑块   冲压轴承座   企业证书   推力关节轴承   轴承技术参数   非标轴承
  长圆柱滚子轴承   推力关节轴承   锌合金轴承座   轴承型号对照表   轴承座框架   英制圆锥滚子轴承   双列满滚子轴承
  直线轴承支撑   退卸套附件   水泵轴承   轴承附件   串联轴承   万向节   输送机专用轴承座
  回转支承   逆止器   弹性膜片联轴器   在线支付   滚动花键副   滚珠丝杠副   滚动直线导套副
  轴承加热器   薄壁角接触球轴承   薄壁深沟球轴承
关于我们 - 设为首页 - 加入收藏 - 营业执照 - 企业商标 - 汇款资料 - 产品介绍 - 联系我们 - 友情连接 - 企业库 - VIP会员
单位汇款资料:南京哈宁轴承制造有限公司 开户行及帐号:工行朝天宫分理处4301021409100005958
个人汇款资料:中国农业银行南京白下分行 6228460390011617510 刘长岭 苏ICP备16004265号-1