南京轴承厂 南京轴承有限公司 南京哈宁轴承制造有限公司 南京工艺装备制造有限公司
设为首页 加入收藏夹 联系我们
电话:025-52217447、86629730 QQ:349831866
图文传真:025-52300551 联系人:刘长岭 13801591302
首页 | 产品大全 | 贸易知识 | 技术知识 | 轴承知识 | 行业新闻 | 国内新闻 | 哈宁新闻 | 样本下载 | 轴承样本 | 现货信息 | 供应信息 | 价格信息 | 营业执照 | 企业商标 | 汇款资料 | 产品介绍 | 联系我们 | 价格表 | 微薄 |
搜索:

销售电话:138 0159 1302

您现在的位置是:首页 --->产品大全

产品信息及联系方式

RN205轴承、502205轴承、RN206轴承、502206轴承、RN306轴承、502306轴承、RN606轴承、RN606/YA轴承、RN207轴承、502207轴承、RN307轴承、502307轴承、RN308轴承、502308轴承、RN309轴承、502309轴承、RN210轴承、502210轴承、RN310轴承、502310轴承
生产厂家:南京哈宁轴承制造有限公司
公司地址:江苏省南京市莫愁路195号
联系电话:025-86629730、52217447、52251441
公司传真:025-52300551
联 系 人:刘长岭 13801591302
联系邮件:hrbn@vip.qq.com
产品价格:¥.00
网上报价:¥.00
产品信息及联系方式

 

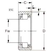
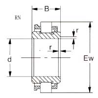
轴径 轴承型号 外形尺寸(mm 基本额定负荷(N 极限转速(rpm 参考重量
(mm) 新型号 原型号 内径 外径 宽度 动负荷 静负荷 脂润滑 油润滑 (kg)
d EW B Mass
25 RN205 502205 25 45 15     11000 14000 0.09
30 RN206 502206 30 53.5 16 36000 35500 8500 11000 0.11
RN306 502306 30 62 19 49000 48000 7800 9800 0.197
RN606   30 60 26 77000 84000 7000 8500 0.34
RN606/YA   30 68 26 87700 83900 6000 7200 0.44
35 RN207 502207 35 61.8 17 46500 48000 7500 9500 0.2
RN307 502307 35 68.2 21 62000 63200 7000 9000 0.32
40 RN308 502308 40 77.5 23 81000 87000 6300 8000 0.41
45 RN309 502309 45 86.5 25 93000 98000 5600 7000 0.61
50 RN210 502210 50 80.4 20 61200 69200 6000 7500 0.29
RN310 502310 50 95 27 105000 112000 5300 6700 0.79

轴径 轴承型号 外形尺寸(mm 基本额定负荷(N 极限转速(rpm 参考重量
(mm) 新型号 原型号 内径 外径 宽度 动负荷 静负荷 脂润滑 油润滑 (kg)
d D B Mass
32 RNU205 292205 32 52 15 27500 26800 11000 14000 0.11
35 RNU305 292305 35 62 17 38500 35700 9000 12000 0.2
38.5 RNU206 292206 38.5 62 16 36000 35500 8500 11000 0.17
42 RNU306 292306 42 72 19 49100 48200 8000 10000 0.31
43.8 RNU207 292207 43.85 72 17 46500 48000 7500 9500 0.25
46.2 RNU307 292307 46.2 80 21 62000 63200 7000 9000 0.4
50 RNU208 292208 50 80 18 51500 53000 7000 9000 0.25
53.5 RNU308 292308 53.5 90 23 76700 77800 6300 8000 0.48
60.4 RNU210 292210 60.4 90 20 61000 6800 6000 7500 0.43
65 RNU310 292310 65 110 27 105000 112000 5300 6600 1.012
产品分类
  微型深沟球轴承   深沟球轴承   调心球轴承   圆柱滚子轴承   调心滚子轴承   滚针轴承   角接触球轴承
  圆锥滚子轴承   推力球轴承   平面滚子轴承   偏心轴承   直线轴承   含油轴承   杆端轴承
  滚轮轴承   不锈钢轴承   叉车轴承   单向轴承   导轨滑块   组合轴承   英制球轴承
  汽车轴承   塑料轴承   高温轴承   关节轴承   滑动轴承座   外球面轴承   部分式轴承座
  紧定套   退卸套   外球面轴承座   外球面轴承带座   胀套   分离轴承   推力滚子轴承
  丝杠轴承   交叉滚子轴承   罗拉轴承   滚珠丝杆   转盘轴承   十字架轴承   双列球轴承
  钻具轴承   直线滑块   冲压轴承座   企业证书   推力关节轴承   轴承技术参数   非标轴承
  长圆柱滚子轴承   推力关节轴承   锌合金轴承座   轴承型号对照表   轴承座框架   英制圆锥滚子轴承   双列满滚子轴承
  直线轴承支撑   退卸套附件   水泵轴承   轴承附件   串联轴承   万向节   输送机专用轴承座
  回转支承   逆止器   弹性膜片联轴器   在线支付   滚动花键副   滚珠丝杠副   滚动直线导套副
  轴承加热器   薄壁角接触球轴承   薄壁深沟球轴承
关于我们 - 设为首页 - 加入收藏 - 营业执照 - 企业商标 - 汇款资料 - 产品介绍 - 联系我们 - 友情连接 - 企业库 - VIP会员
单位汇款资料:南京哈宁轴承制造有限公司 开户行及帐号:工行朝天宫分理处4301021409100005958
个人汇款资料:中国农业银行南京白下分行 6228460390011617510 刘长岭 苏ICP备16004265号-1