南京轴承厂 南京轴承有限公司 南京哈宁轴承制造有限公司 南京工艺装备制造有限公司
设为首页 加入收藏夹 联系我们
电话:025-52217447、86629730 QQ:349831866
图文传真:025-52300551 联系人:刘长岭 13801591302
首页 | 产品大全 | 贸易知识 | 技术知识 | 轴承知识 | 行业新闻 | 国内新闻 | 哈宁新闻 | 样本下载 | 轴承样本 | 现货信息 | 供应信息 | 价格信息 | 营业执照 | 企业商标 | 汇款资料 | 产品介绍 | 联系我们 | 价格表 | 微薄 |
搜索:

销售电话:138 0159 1302

您现在的位置是:首页 --->产品大全

产品信息及联系方式

722505DA轴承座、722506DA轴承座、722507DA轴承座、722508DA轴承座、722509DA轴承座、722510DA轴承座、722511DA轴承座、722512DA轴承座、722513DA轴承座
生产厂家:南京哈宁轴承制造有限公司
公司地址:江苏省南京市莫愁路195号
联系电话:025-86629730、52217447、52251441
公司传真:025-52300551
联 系 人:刘长岭 13801591302
联系邮件:hrbn@vip.qq.com
产品价格:¥.00
网上报价:¥.00
产品信息及联系方式

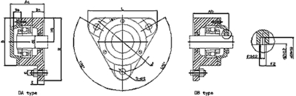
Housing No. Shaft
Dia
Dimensions(mm) Housing
Wt (kg)
Bearing
No.
Adapter
Sleeve
Locating Ring
DA DB d1
(mm)
Aa Ab g Ba Bb D H H1 J L S f1
H12
f2 d2
H12
d3
H12
G DA DB Number QTY
722505DA 722505DB 20 51.5 56.5 10 15 12.5 75 100 38 96 110 11.5 3 4.2 21.5 31 M10 1.48 1.55 1205EK
2205EK
22205EK
H205
H305
H305
FRB5/52
ZW42x52
ZW42x52
1
1
1
722506DA 722506DB 25 57 59.5 12 16 15 86 117 44 116 130 11.5 4 5.4 26.5 38 M10 2 2.1 1206EK
2206EK
22206EK
H206
H306
H306
FRB6/62
ZW50x62
ZW50x62
1
1
1
722507DA 722507DB 30 59.5 63.5 12 16 14.5 97 130 48.5 130 145 14 4 5.4 31.5 43 M12 2.9 3 1207EK
2207EK
22207EK
H207
H307
H307
FRB8/72
ZW65x72
ZW65x72
1
1
1
722508DA 722508DB 35 64 65.5 12 17 18 108 143 54 140 160 14 4 5.4 36.5 48 M12 3.43 3.48 1208EK
2208EK
22208EK
H208
H308
H308
FRB7/80
ZW70x80
ZW70x80
1
1
1
722509DA 722509DB 40 64.5 69.5 12 19 16.5 113 160 60 160 180 14 4 5.4 41.5 53 M12 4.3 4.45 1209EK
2209EK
22209EK
H209
H309
H309
FRB6/85
ZW75x85
ZW75x85
1
1
1
722510DA 722510DB 45 68.5 73 15 22 17.5 118 160 60 160 180 14 4 5.4 46.5 58 M12 4.2 4.3 1210EK
2210EK
22210EK
H210
H310
H310
FRB5/90
ZW80x90
ZW80x90
1
1
1
722511DA 722511DB 50 75.5 81.5 15 24 19.5 128 172 65 170 192 14 5 6.8 51.5 67 M12 5.25 5.45 1211EK
2211EK
22211EK
H211
H311
H311
FRB6/100
ZW85x100
ZW85x100
1
1
1
722512DA 722512DB 55 77 82 15 23 19 142 189 72 180 210 14 5 6.8 56.5 72 M12 6.8 7.15 1212EK
2212EK
22212EK
H212
H312
H312
FRB8/110
ZW90x110
ZW90x110
1
1
1
722513DA 722513DB 60 80 86 15 22 20 152 203 78 190 225 14 5 6.8 62 77 M12 7.65 7.8 1213EK
2213EK
22213EK
H213
H313
H313
FRB10/120
FRB2/120
FRB2/120
1
1
1

产品分类
  微型深沟球轴承   深沟球轴承   调心球轴承   圆柱滚子轴承   调心滚子轴承   滚针轴承   角接触球轴承
  圆锥滚子轴承   推力球轴承   平面滚子轴承   偏心轴承   直线轴承   含油轴承   杆端轴承
  滚轮轴承   不锈钢轴承   叉车轴承   单向轴承   导轨滑块   组合轴承   英制球轴承
  汽车轴承   塑料轴承   高温轴承   关节轴承   滑动轴承座   外球面轴承   部分式轴承座
  紧定套   退卸套   外球面轴承座   外球面轴承带座   胀套   分离轴承   推力滚子轴承
  丝杠轴承   交叉滚子轴承   罗拉轴承   滚珠丝杆   转盘轴承   十字架轴承   双列球轴承
  钻具轴承   直线滑块   冲压轴承座   企业证书   推力关节轴承   轴承技术参数   非标轴承
  长圆柱滚子轴承   推力关节轴承   锌合金轴承座   轴承型号对照表   轴承座框架   英制圆锥滚子轴承   双列满滚子轴承
  直线轴承支撑   退卸套附件   水泵轴承   轴承附件   串联轴承   万向节   输送机专用轴承座
  回转支承   逆止器   弹性膜片联轴器   在线支付   滚动花键副   滚珠丝杠副   滚动直线导套副
  轴承加热器   薄壁角接触球轴承   薄壁深沟球轴承
关于我们 - 设为首页 - 加入收藏 - 营业执照 - 企业商标 - 汇款资料 - 产品介绍 - 联系我们 - 友情连接 - 企业库 - VIP会员
单位汇款资料:南京哈宁轴承制造有限公司 开户行及帐号:工行朝天宫分理处4301021409100005958
个人汇款资料:中国农业银行南京白下分行 6228460390011617510 刘长岭 苏ICP备16004265号-1