|
|
| 双列圆柱满滚子轴承SL014830、SL014832、SL014834、SL014836、SL014838、SL014840、SL014844、SL014848、SL014852、SL014856、SL014860、SL014864、SL014868、SL014872、SL014876、SL014880 |
|
 | 生产厂家: | 南京哈宁轴承制造有限公司 |
| |  | 公司地址: | 江苏省南京市莫愁路195号 |
| |  | 联系电话: | 025-86629730、52217447、52251441 |
| |  | 公司传真: | 025-52300551 |
| |  | 联 系 人: | 刘长岭 |
| |  | 联系邮件: | lcl@8767.com |
| |  | 产品价格: | ¥.00 |
| |  | 网上报价: | ¥.00 |
| |
|
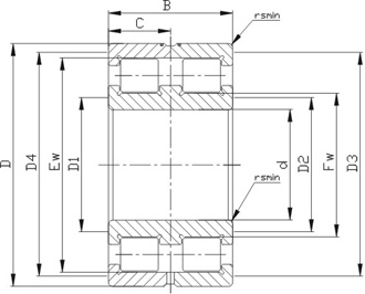
| d |
D |
B |
C |
Fw |
Ew |
Rmin |
M (kg) |
CrKN |
CorKN |
n (1/min) |
Bearing Code |
D1 |
D2 |
D3 |
D4 |
|
|
|
| 150 |
190 |
40 |
20 |
|
|
1.1 |
2.9 |
237 |
550 |
1910 |
SL014830 |
158 |
158 |
182 |
182 |
| 160 |
200 |
40 |
20 |
|
|
1.1 |
3.1 |
243 |
580 |
1800 |
SL014832 |
168 |
168 |
190 |
190 |
| 170 |
215 |
45 |
22.5 |
|
|
1.1 |
4.1 |
265 |
620 |
1680 |
SL014834 |
178 |
178 |
205 |
205 |
| |
|
|
|
|
|
|
|
|
|
|
|
|
|
|
|
| 180 |
225 |
45 |
22.5 |
|
|
1.1 |
4.3 |
275 |
660 |
1600 |
SL014836 |
190 |
190 |
215 |
215 |
| 190 |
240 |
50 |
25 |
|
|
1.5 |
5.65 |
315 |
750 |
1510 |
SL014838 |
200 |
200 |
230 |
230 |
| 200 |
250 |
50 |
25 |
|
|
1.5 |
5.9 |
325 |
790 |
1440 |
SL014840 |
210 |
210 |
240 |
240 |
| |
|
|
|
|
|
|
|
|
|
|
|
|
|
|
|
| 220 |
270 |
50 |
25 |
|
|
1.5 |
6.4 |
340 |
870 |
1320 |
SL014844 |
230 |
230 |
260 |
260 |
| 240 |
300 |
60 |
30 |
|
|
2 |
10 |
520 |
1290 |
1200 |
SL014848 |
250 |
250 |
290 |
290 |
| 260 |
320 |
60 |
30 |
|
|
2 |
11 |
540 |
1400 |
1120 |
SL014852 |
270 |
270 |
310 |
310 |
| |
|
|
|
|
|
|
|
|
|
|
|
|
|
|
|
| 280 |
350 |
69 |
34.5 |
|
|
2 |
16 |
710 |
1860 |
1030 |
SL014856 |
290 |
290 |
340 |
340 |
| 300 |
380 |
80 |
40 |
|
|
2.1 |
23 |
830 |
2120 |
950 |
SL014860 |
315 |
315 |
365 |
365 |
| 320 |
400 |
80 |
40 |
|
|
2.1 |
24 |
860 |
2280 |
900 |
SL014864 |
335 |
335 |
385 |
385 |
| |
|
|
|
|
|
|
|
|
|
|
|
|
|
|
|
| 340 |
420 |
80 |
40 |
|
|
2.1 |
25.5 |
880 |
2390 |
850 |
SL014868 |
355 |
355 |
405 |
405 |
| 360 |
440 |
80 |
40 |
|
|
2.1 |
27 |
910 |
2550 |
810 |
SL014872 |
375 |
375 |
425 |
425 |
| 380 |
480 |
100 |
50 |
|
|
2.1 |
45.5 |
1330 |
3550 |
750 |
SL014876 |
400 |
400 |
465 |
465 |
| 400 |
500 |
100 |
50 |
|
|
2.1 |
46.5 |
1360 |
3700 |
720 |
SL014880 |
420 |
420 |
480 |
480 | |
|
|
|
|
|
|
|