|
|
| 圆柱滚子轴承NJ2317VH、NJ2318VH、NJ2319VH、NJ2320VH、NJ2322VH、NCF3024V、NJ2324VH、NCF2926V、NJ2326VH、NCF2928V、NCF3028V、NJ2328VH、NCF2930C、NCF3030V、NJ2330VH、NCF2934V |
|
 | 生产厂家: | 南京哈宁轴承制造有限公司 |
| |  | 公司地址: | 江苏省南京市莫愁路195号 |
| |  | 联系电话: | 025-86629730、52217447、52251441 |
| |  | 公司传真: | 025-52300551 |
| |  | 联 系 人: | 刘长岭 |
| |  | 联系邮件: | lcl@8767.com |
| |  | 产品价格: | ¥.00 |
| |  | 网上报价: | ¥.00 |
| |
|
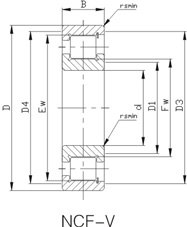
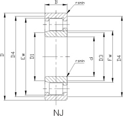
| d |
D |
B |
rsmin |
E |
F |
Mass (kg) |
CrKN |
CorKN |
Limiting speed |
Bearing Code |
D1min |
D1max |
D3min |
D4max |
|
|
|
| 85 |
180 |
60 |
3 |
163 |
107 |
7.33 |
480 |
600 |
1800 |
NJ2317VH |
99 |
106 |
119 |
166 |
| 90 |
190 |
64 |
3 |
165.3 |
105.3 |
8.82 |
520 |
655 |
1800 |
NJ2318VH |
104 |
104 |
118 |
176 |
| 95 |
200 |
67 |
3 |
176.3 |
112.3 |
10.2 |
600 |
750 |
1700 |
NJ2319VH |
109 |
111 |
125 |
186 |
| 100 |
215 |
73 |
3 |
187.3 |
119.3 |
13.1 |
655 |
830 |
1600 |
NJ2320VH |
114 |
118 |
133 |
201 |
| 110 |
240 |
80 |
3 |
209.4 |
133.4 |
18.1 |
830 |
1060 |
1400 |
NJ2322VH |
124 |
132 |
149 |
226 |
| |
|
|
|
|
|
|
|
|
|
|
|
|
|
|
| 120 |
180 |
46 |
2 |
167.6 |
131.6 |
3.8 |
290 |
430 |
1600 |
NCF3024V |
128.8 |
|
|
171 |
| 120 |
260 |
86 |
3 |
231.4 |
147.4 |
22.4 |
950 |
1220 |
1200 |
NJ2324VH |
134 |
146 |
164 |
246 |
| |
|
|
|
|
|
|
|
|
|
|
|
|
|
|
| 130 |
180 |
30 |
1.5 |
166.5 |
140.5 |
2.36 |
204 |
360 |
1600 |
NCF2926V |
138 |
|
|
172 |
| 130 |
280 |
93 |
4 |
247.9 |
157.9 |
28.1 |
1100 |
1430 |
1000 |
NJ2326VH |
147 |
156 |
176 |
263 |
| |
|
|
|
|
|
|
|
|
|
|
|
|
|
|
| 140 |
190 |
30 |
1.5 |
175 |
149 |
2.48 |
212 |
380 |
1500 |
NCF2928V |
148 |
|
|
182 |
| 140 |
210 |
53 |
2 |
197.8 |
153.8 |
6.05 |
440 |
680 |
1300 |
NCF3028V |
148.8 |
|
|
201 |
| 140 |
300 |
102 |
4 |
264.5 |
168.5 |
35 |
1250 |
1630 |
1300 |
NJ2328VH |
167 |
180 |
203 |
303 |
| |
|
|
|
|
|
|
|
|
|
|
|
|
|
|
| 150 |
210 |
36 |
2 |
194.9 |
162.9 |
3.92 |
290 |
500 |
1300 |
NCF2930C |
159 |
|
|
201 |
| 150 |
225 |
56 |
2.1 |
206.8 |
160.8 |
7.35 |
455 |
710 |
1200 |
NCF3030V |
160.2 |
|
|
114.8 |
| 150 |
320 |
108 |
4 |
286.5 |
182.5 |
42.6 |
1500 |
2000 |
900 |
NJ2330VH |
167 |
180 |
203 |
303 |
| |
|
|
|
|
|
|
|
|
|
|
|
|
|
|
| 160 |
220 |
36 |
2 |
205 |
173 |
4.14 |
300 |
540 |
1200 |
NCF2934V |
169 |
|
|
211 |
| 160 |
240 |
60 |
2.1 |
224.8 |
174.8 |
8.82 |
520 |
800 |
1100 |
NCF3034V |
160.2 |
|
|
114.8 |
| |
|
|
|
|
|
|
|
|
|
|
|
|
|
|
| 170 |
230 |
36 |
2 |
215.5 |
183.5 |
4.36 |
310 |
570 |
1100 |
NCF2934V |
179 |
|
|
221 |
| 170 |
260 |
67 |
2.1 |
242.9 |
186.9 |
12.2 |
670 |
1060 |
1000 |
NCF3034V |
180.5 |
|
|
249.2 |
| 170 |
360 |
120 |
4 |
319.6 |
203.6 |
63.2 |
1760 |
2400 |
800 |
NJ2334VH |
187 |
201 |
227 |
343 |
| |
|
|
|
|
|
|
|
|
|
|
|
|
|
|
| 180 |
250 |
42 |
2 |
231.5 |
193.5 |
6.33 |
390 |
695 |
1000 |
NCF2936V |
189 |
|
|
241 |
| 180 |
280 |
74 |
2.1 |
260.2 |
200.2 |
16.1 |
780 |
1250 |
900 |
NCF3036V |
190.5 |
|
|
269.8 |
| |
|
|
|
|
|
|
|
|
|
|
|
|
|
|
| 190 |
260 |
42 |
2 |
243.5 |
205.5 |
6.61 |
405 |
735 |
950 |
NCF2938V |
199 |
|
|
251 |
| 190 |
290 |
75 |
2.1 |
269.8 |
209.8 |
17 |
800 |
1290 |
850 |
NCF3038V |
200.5 |
|
|
270 |
| 190 |
400 |
132 |
5 |
352.6 |
224.6 |
80.3 |
2080 |
2900 |
700 |
NJ2338VH |
210 |
222 |
250 |
380 |
| |
|
|
|
|
|
|
|
|
|
|
|
|
|
|
| 200 |
280 |
48 |
2.1 |
2621.4 |
220.4 |
9.29 |
490 |
915 |
850 |
NCF2940V |
210 |
|
|
270 |
| 200 |
310 |
82 |
2.1 |
287.8 |
223.8 |
21.8 |
915 |
1530 |
800 |
NCF3040V |
210.5 |
|
|
299.2 |
| 200 |
420 |
138 |
5 |
374.7 |
238.7 |
92 |
2320 |
3250 |
670 |
NJ2338VH |
220 |
236 |
266 |
400 |
| |
|
|
|
|
|
|
|
|
|
|
|
|
|
|
| 220 |
300 |
48 |
2.1 |
282.5 |
240.5 |
10.1 |
520 |
1000 |
800 |
NCF2944V |
230 |
|
|
290 |
| 220 |
460 |
145 |
5 |
407.6 |
267.6 |
117 |
2650 |
3800 |
600 |
NJ2344VH |
240 |
265 |
296 |
440 |
| |
|
|
|
|
|
|
|
|
|
|
|
|
|
|
| 240 |
320 |
48 |
2.1 |
302.5 |
260.5 |
10.8 |
540 |
1080 |
700 |
NCF2948V |
250 |
|
|
310 | |
|
|
|
|
|
|
|