|
|
| 圆锥滚子轴承32020、33020、30220、32220、33220、30320、31320、32320、32021、33021、30221、32221、32321、32022 |
|
 | 生产厂家: | 南京哈宁轴承制造有限公司 |
| |  | 公司地址: | 江苏省南京市莫愁路195号 |
| |  | 联系电话: | 025-86629730、52217447、52251441 |
| |  | 公司传真: | 025-52300551 |
| |  | 联 系 人: | 刘长岭 |
| |  | 联系邮件: | lcl@8767.com |
| |  | 产品价格: | ¥.00 |
| |  | 网上报价: | ¥.00 |
| |
|
|
|
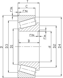
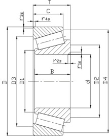
| Boundary Dimensions |
R1smin |
R3smin |
Mkg |
CrKN |
CorKN |
E |
Y |
YO |
n1/min |
Bearing Code |
D1max |
D2max |
D3min |
D4min |
| d |
D |
B |
C |
T |
R2smin |
R4smin |
|
|
|
| 100 |
150 |
32 |
24 |
32 |
2 |
1.5 |
1.93 |
173 |
285 |
0.46 |
1.3 |
0.7 |
2200 |
32020 |
109 |
109 |
134 |
144 |
| 100 |
150 |
39 |
32.5 |
39 |
2 |
1.5 |
2.44 |
224 |
400 |
0.29 |
2.1 |
1.2 |
2200 |
33020 |
108 |
109 |
135 |
143 |
| 100 |
180 |
34 |
29 |
37 |
3 |
2.5 |
3.81 |
250 |
325 |
0.42 |
1.4 |
0.8 |
2000 |
30220 |
116 |
112 |
157 |
168 |
| |
|
|
|
|
|
|
|
|
|
|
|
|
|
|
|
|
|
|
| 100 |
180 |
46 |
39 |
49 |
4 |
2.5 |
5.21 |
335 |
475 |
0.42 |
1.4 |
0.8 |
1900 |
32220 |
114 |
112 |
154 |
171 |
| 100 |
180 |
63 |
48 |
63 |
3 |
2.5 |
6.91 |
430 |
655 |
0.4 |
1.5 |
0.8 |
1900 |
33220 |
112 |
112 |
151 |
172 |
| 100 |
215 |
47 |
39 |
51.5 |
4 |
3 |
8.47 |
415 |
510 |
0.35 |
1.7 |
1 |
1700 |
30320 |
127 |
114 |
184 |
197 |
| |
|
|
|
|
|
|
|
|
|
|
|
|
|
|
|
|
|
|
| 100 |
215 |
51 |
35 |
56.5 |
4 |
3 |
9.1 |
380 |
480 |
0.83 |
0.7 |
0.4 |
1600 |
31320 |
121 |
114 |
168 |
202 |
| 100 |
215 |
73 |
60 |
77.5 |
4 |
3 |
13.3 |
610 |
850 |
0.35 |
1.7 |
1 |
1700 |
32320 |
123 |
114 |
177 |
200 |
| |
|
|
|
|
|
|
|
|
|
|
|
|
|
|
|
|
|
|
| |
|
|
|
|
|
|
|
|
|
|
|
|
|
|
|
|
|
|
| 105 |
160 |
35 |
26 |
35 |
2.5 |
2 |
2.44 |
204 |
325 |
0.44 |
1.4 |
0.7 |
2000 |
32021 |
116 |
115 |
143 |
154 |
| 105 |
160 |
43 |
34 |
43 |
2.5 |
2 |
3.06 |
265 |
450 |
0.28 |
2.1 |
1.2 |
2000 |
33021 |
116 |
115 |
145 |
153 |
| 105 |
190 |
36 |
30 |
39 |
3 |
2.5 |
4.51 |
280 |
365 |
0.42 |
1.4 |
0.8 |
1900 |
30221 |
122 |
117 |
165 |
177 |
| |
|
|
|
|
|
|
|
|
|
|
|
|
|
|
|
|
|
|
| 105 |
190 |
50 |
43 |
53 |
3 |
2.5 |
6.39 |
380 |
550 |
0.42 |
1.4 |
0.8 |
1800 |
32221 |
120 |
117 |
161 |
180 |
| 105 |
225 |
77 |
63 |
81.5 |
4 |
3 |
15.4 |
670 |
930 |
0.35 |
1.7 |
1 |
1600 |
32321 |
128 |
119 |
185 |
209 |
| |
|
|
|
|
|
|
|
|
|
|
|
|
|
|
|
|
|
|
| |
|
|
|
|
|
|
|
|
|
|
|
|
|
|
|
|
|
|
| 110 |
170 |
38 |
29 |
38 |
2.5 |
2 |
3.1 |
240 |
390 |
0.43 |
1.4 |
0.8 |
1900 |
32022 |
122 |
120 |
152 |
163 |
| 110 |
170 |
47 |
37 |
47 |
2.5 |
2 |
3.88 |
300 |
520 |
0.29 |
2.1 |
1.2 |
2000 |
33022 |
123 |
120 |
152 |
161 |
| 110 |
180 |
56 |
43 |
56 |
2.5 |
2 |
5.64 |
365 |
630 |
0.42 |
1.4 |
0.8 |
1800 |
33122 |
121 |
120 |
155 |
174 |
| |
|
|
|
|
|
|
|
|
|
|
|
|
|
|
|
|
|
|
| 110 |
200 |
38 |
32 |
41 |
3 |
2.5 |
5.32 |
315 |
415 |
0.42 |
1.4 |
0.8 |
1800 |
30222 |
129 |
122 |
174 |
187 |
| 110 |
200 |
53 |
46 |
56 |
3 |
2.5 |
7.43 |
415 |
600 |
0.42 |
1.4 |
0.8 |
1700 |
32222 |
126 |
122 |
170 |
190 |
| 110 |
240 |
50 |
42 |
54.5 |
4 |
3 |
11.3 |
480 |
585 |
0.35 |
1.7 |
1 |
1500 |
30322 |
141 |
124 |
206 |
220 |
| |
|
|
|
|
|
|
|
|
|
|
|
|
|
|
|
|
|
|
| 110 |
240 |
57 |
38 |
63 |
4 |
3 |
12.7 |
465 |
585 |
0.83 |
0.7 |
0.4 |
1500 |
31322 |
135 |
124 |
188 |
224 |
| 110 |
240 |
80 |
65 |
84.5 |
4 |
3 |
18.3 |
735 |
1020 |
0.35 |
1.7 |
1 |
1500 |
32322 |
137 |
124 |
198 |
222 |
| |
|
|
|
|
|
|
|
|
|
|
|
|
|
|
|
|
|
|
| |
|
|
|
|
|
|
|
|
|
|
|
|
|
|
|
|
|
|
| 120 |
180 |
38 |
29 |
38 |
2.5 |
2 |
3.32 |
150 |
425 |
0.46 |
1.3 |
0.7 |
1800 |
32024 |
131 |
130 |
161 |
173 |
| 120 |
180 |
48 |
38 |
48 |
2.5 |
2 |
4.22 |
310 |
560 |
0.31 |
2 |
1.1 |
1800 |
33024 |
132 |
130 |
160 |
171 |
| 120 |
215 |
40 |
34 |
43.5 |
3 |
2.5 |
6.34 |
335 |
450 |
0.44 |
1.4 |
0.8 |
1600 |
30224 |
140 |
132 |
187 |
201 |
| |
|
|
|
|
|
|
|
|
|
|
|
|
|
|
|
|
|
|
| 120 |
215 |
58 |
50 |
61.5 |
3 |
2.5 |
9.42 |
480 |
735 |
0.44 |
1.4 |
0.8 |
1600 |
32224 |
136 |
132 |
181 |
204 |
| 120 |
260 |
55 |
13 |
59.5 |
4 |
3 |
14.5 |
560 |
710 |
0.35 |
1.7 |
1 |
1400 |
30324 |
152 |
134 |
221 |
237 |
| 120 |
260 |
62 |
42 |
68 |
4 |
3 |
16 |
540 |
695 |
0.83 |
0.7 |
0.4 |
1300 |
31324 |
145 |
134 |
203 |
244 |
| 120 |
260 |
86 |
69 |
90.5 |
4 |
3 |
22.1 |
670 |
965 |
0.39 |
1.5 |
0.8 |
1400 |
32324 |
148 |
134 |
213 |
239 |
| |
|
|
|
|
|
|
|