|
|
| COM3、COM4、COM5、COM6、COM7、COM8、COM9、COM10、COM12、COM14、COM16英制关节轴承 |
|
 | 生产厂家: | 南京哈宁轴承制造有限公司 |
| |  | 公司地址: | 江苏省南京市莫愁路195号 |
| |  | 联系电话: | 025-86629730、52217447、52251441 |
| |  | 公司传真: | 025-52300551 |
| |  | 联 系 人: | 刘长岭 |
| |  | 联系邮件: | lcl@8767.com |
| |  | 产品价格: | ¥.00 |
| |  | 网上报价: | ¥.00 |
| |
|
 
|
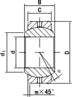
型号 |
南京哈宁轴承制造有限公司 轴承安装尺寸mm |
负荷KN |
重量kg |
|
d |
d1 |
B |
C |
D |
dk |
m |
α |
动 |
|
≈ |
C |
|
COM3 |
4.826 |
7.44 |
7.14 |
5.54 |
14.29 |
10.31 |
0.381 |
11 |
14.464 |
0.006 |
|
COM4 |
6.35 |
9.25 |
8.71 |
6.35 |
16.67 |
12.7 |
0.56 |
13.5 |
22.015 |
0.01 |
|
COM5 |
7.938 |
10.64 |
9.53 |
7.14 |
19.05 |
14.47 |
0.81 |
12 |
28.8 |
0.014 |
|
COM6 |
9.525 |
13.11 |
10.31 |
7.92 |
20.64 |
16.66 |
0.81 |
10 |
37.361 |
0.017 |
|
COM7 |
11.113 |
13.46 |
11.1 |
8.71 |
23.02 |
17.45 |
0.81 |
8 |
42.048 |
0.021 |
|
COM8 |
12.7 |
16.26 |
12.7 |
9.91 |
25.4 |
20.65 |
0.81 |
9.5 |
58.934 |
0.029 |
|
COM9 |
14.288 |
18.03 |
14.27 |
11.1 |
27.78 |
23.01 |
0.81 |
9.5 |
73.967 |
0.039 |
|
COM10 |
15.875 |
19.81 |
15.88 |
12.7 |
30.16 |
25.4 |
0.81 |
8.5 |
94.658 |
0.05 |
|
COM12 |
19.05 |
23.37 |
19.05 |
15.06 |
36.51 |
30.15 |
1.12 |
9 |
141.982 |
0.093 |
|
COM14 |
22.225 |
24.89 |
22.23 |
17.86 |
39.69 |
33.32 |
1.12 |
9.5 |
186.639 |
0.119 |
|
COM16 |
25.4 |
28.4 |
25.4 |
20.24 |
44.45 |
38.1 |
1.12 |
10 |
245.534 |
0.175 |
|
HCOM16 |
25.4 |
34.54 |
25.4 |
19.84 |
50.8 |
42.85 |
0.81 |
9 |
315.01 |
0.251 |
|
HCOM19 |
30.163 |
40.89 |
30.15 |
23.8 |
60.33 |
50.8 |
0.81 |
8.5 |
448.049 |
0.406 |
|
HCOM20 |
31.75 |
40.89 |
30.15 |
23.8 |
60.33 |
50.8 |
0.81 |
8.5 |
448.049 |
0.406 |
|
HCOM24 |
38.1 |
47.24 |
34.93 |
27.79 |
69.85 |
68.72 |
0.81 |
8.5 |
604.71 |
0.616 |
|
HCOM28 |
44.45 |
53.59 |
39.67 |
31.75 |
79.38 |
66.68 |
1.12 |
8 |
784.495 |
0.884 |
|
HCOM32 |
50.8 |
59.94 |
44.45 |
34.93 |
88.9 |
74.6 |
1.12 |
8.5 |
965.485 |
1.198 | |
|
|
|
|
|
|
|