
|
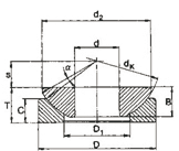
轴承 型号 |
外形尺寸 |
额定载荷KN |
重量 ≈Kg |
|
d |
D |
B |
C |
T |
dk |
S |
d1 max |
D1 min |
r1,r2 min |
α ≈ |
动载荷 |
静载荷 |
|
GX10T |
10 |
30 |
7.5 |
7 |
9.5 |
32 |
7 |
27.5 |
15.5 |
0.6 |
5 |
45 |
90 |
0.036 |
|
GX12T |
12 |
35 |
9.5 |
9.3 |
13 |
38 |
8 |
32 |
18 |
0.6 |
5 |
65 |
130 |
0.072 |
|
GX15T |
15 |
42 |
11 |
10.8 |
15 |
46 |
10 |
39 |
22.5 |
0.6 |
6 |
95 |
190 |
0.108 |
|
GX17T |
17 |
47 |
11.8 |
11.2 |
16 |
52 |
11 |
43.5 |
27 |
0.6 |
4 |
110 |
220 |
0.137 |
|
GX20T |
20 |
55 |
14.5 |
13.8 |
20 |
60 |
12.5 |
50 |
31 |
1 |
5 |
150 |
300 |
0.246 |
|
|
25 |
62 |
16.5 |
16.7 |
22.5 |
68 |
14 |
58.5 |
34.5 |
1 |
5 |
245 |
490 |
0.415 |
|
GX30T |
30 |
75 |
19 |
19 |
26 |
82 |
17.5 |
70 |
42 |
1 |
5 |
335 |
670 |
0.614 |
|
GX35T |
35 |
90 |
22 |
20.7 |
28 |
98 |
22 |
84 |
50.5 |
1 |
5 |
490 |
980 |
0.973 |
|
GX40T |
40 |
105 |
27 |
21.5 |
32 |
114 |
24.5 |
97 |
59 |
1 |
6 |
675 |
1350 |
1.59 |
|
GX45T |
45 |
120 |
31 |
25.5 |
36.5 |
128 |
27.5 |
110 |
67 |
1 |
6 |
915 |
1830 |
2.24 |
|
GX50T |
50 |
130 |
33 |
30.5 |
42.5 |
139 |
30 |
120 |
70 |
1 |
6 |
1040 |
2080 |
3.14 |
|
GX60T |
60 |
150 |
37 |
34 |
45 |
160 |
35 |
140 |
84 |
1 |
6 |
1400 |
2800 |
4.63 |
|
GX70T |
70 |
160 |
42 |
36.5 |
50 |
176 |
35 |
153 |
94.5 |
1 |
3 |
1590 |
3180 |
5.37 |
|
GX80T |
80 |
180 |
43.5 |
38 |
50 |
197 |
42.5 |
172 |
107.5 |
1 |
4 |
1960 |
3920 |
6.91 |
|
|
100 |
210 |
51 |
46 |
59 |
222 |
45 |
198 |
127 |
1.1 |
4 |
2270 |
4540 |
10.9 |
|
GX120T |
120 |
230 |
53.5 |
50 |
64 |
250 |
52.5 |
220 |
145 |
1.1 |
3 |
2560 |
5120 |
13.9 |
|
GX140T |
140 |
260 |
61 |
54 |
72 |
274 |
52.5 |
243 |
177 |
1.5 |
3 |
3050 |
6100 |
18.1 |
|
GX160T |
160 |
290 |
66 |
58 |
77 |
313 |
65 |
271 |
200 |
1.5 |
2 |
3520 |
6250 |
23.2 |
|
|
180 |
320 |
74 |
62 |
86 |
340 |
67.5 |
299 |
225 |
1.5 |
4 |
4070 |
7220 |
30.9 |
|
|
200 |
340 |
80 |
66 |
87 |
365 |
70 |
320 |
247 |
1.5 |
1 |
4780 |
9150 |
34.2 |
(第一款)自润滑推力关节轴承:内、外圈材料均为轴承钢,淬火,滑动表面具有自润滑、耐磨损、低磨擦、自调心, 可以通过内圈滑动表面打盲孔镶嵌固体粉末冶金耐磨材料润滑。更具有承载力高、抗冲击、耐高温等特点.适用于恶劣环境下承受单一方向的轴向载荷或径向和轴向联合载荷的机械机构。
(第二款)自润滑推力关节轴承,内、外圈材料为轴承钢,淬火,外圈球面粘贴PTFE纺织物;内圈球面镀硬铬。具有自润滑、耐磨损、自调心、低磨擦的特点,适用于承受单一方向的轴向载荷或径向和轴向联合载荷的机械机构。 |