|
|
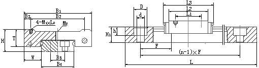
| GGC7BA滑块、GGC7BAK滑块、GGC9BA滑块、GGC9BAK滑块、GGC12BA滑块、GGC12BAK滑块、GGC15BA滑块、GGC15BAK滑块轴承 |
|
 | 生产厂家: | 南京哈宁轴承制造有限公司 |
| |  | 公司地址: | 江苏省南京市莫愁路195号 |
| |  | 联系电话: | 025-86629730 |
| |  | 公司传真: | 025-52300551 |
| |  | 联 系 人: | 刘长岭 |
| |  | 联系邮件: | lcl@8767.com |
| |  | 产品价格: | ¥.00 |
| |  | 网上报价: | ¥.00 |
| |
|

|
型号 |
导轨副尺寸 |
滑块尺寸 |
导轨尺寸 |
额定动载 |
额定静载 |
额定力矩 |
|
H |
W |
B1 |
B2 |
B3 |
T |
L1 |
L2 |
L3 |
M1×L0 |
M2 |
H1 |
B4 |
B5 |
d×D×h |
F |
单根最 大长度Lmax |
C (KN) |
C0 (KN) |
MA (N﹒m) |
MB (N﹒m) |
MC (N﹒m) |
|
GGC7BA |
8 |
5 |
17 |
12 |
2.5 |
6.5 |
8 |
14 |
25 |
M2×2.5 |
- |
4.7 |
7 |
0 |
2.5×4.2×2.3 |
15 |
300 |
1.26 |
1.07 |
2.62 |
2.62 |
4.51 |
|
GGC7BAK |
9 |
5.5 |
25 |
- |
- |
7 |
12 |
20.5 |
30 |
- |
2-M4 |
5.2 |
14 |
0 |
3.5×6×3.2 |
30 |
500 |
1.62 |
1.61 |
5.54 |
5.54 |
13.52 |
|
GGC9BA |
10 |
5.5 |
20 |
15 |
2.5 |
7.8 |
13 |
18 |
32 |
M2×2.5 |
M3 |
5.5 |
9 |
0 |
2.6×4.5×3 |
20 |
500 |
1.71 |
1.8 |
6.58 |
6.58 |
10.8 |
|
GGC9BAK |
12 |
6 |
30 |
21 |
4.5 |
7.8 |
12 |
27 |
41 |
M3×3 |
M3 |
7.5 |
18 |
0 |
3.6×6×4.5 |
25 |
600 |
2.56 |
2.7 |
14.8 |
14.8 |
32.4 |
|
GGC12BA |
13 |
7.5 |
27 |
20 |
3.5 |
10 |
15 |
23 |
37 |
M3×3.5 |
M3 |
7.5 |
12 |
0 |
3.5×6×4.5 |
25 |
600 |
3.48 |
3.5 |
13.6 |
13.6 |
24.3 |
|
GGC12BAK |
14 |
8 |
40 |
28 |
6 |
10 |
15 |
32.4 |
46.4 |
M3×3.5 |
M4 |
8.5 |
24 |
0 |
4.5×8×4.5 |
40 |
600 |
4.45 |
4.6 |
28.8 |
28.8 |
73 |
|
GGC15BA |
16 |
8.5 |
32 |
25 |
3.5 |
12 |
20 |
25,7 |
43 |
M3×4 |
M4 |
9.5 |
15 |
0 |
3.5×6×4.5 |
40 |
600 |
5.4 |
5.5 |
25.4 |
25.4 |
47.3 |
|
GGC15BAK |
16 |
9 |
60 |
45 |
7.5 |
12 |
20 |
41.3 |
55.3 |
M4×4.5 |
M5 |
9.5 |
42 |
23 |
4.5×8×4.5 |
40 |
800 |
7.5 |
8.5 |
68.6 |
68.6 |
70.3 |

|
|
|
|
|
|
|
|