南京轴承厂 南京轴承有限公司 南京哈宁轴承制造有限公司 南京工艺装备制造有限公司
设为首页 加入收藏夹 联系我们
电话:025-52217447、86629730 QQ:349831866
图文传真:025-52300551 联系人:刘长岭 13801591302
首页 | 产品大全 | 贸易知识 | 技术知识 | 轴承知识 | 行业新闻 | 国内新闻 | 哈宁新闻 | 样本下载 | 轴承样本 | 现货信息 | 供应信息 | 价格信息 | 营业执照 | 企业商标 | 汇款资料 | 产品介绍 | 联系我们 | 价格表 | 微薄 |
搜索:

销售电话:138 0159 1302

您现在的位置是:首页 --->产品大全

产品信息及联系方式

GGB16AA滑块轴承
生产厂家:南京哈宁轴承制造有限公司
公司地址:江苏省南京市莫愁路195号
联系电话:025-86629730
公司传真:025-52300551
联 系 人:刘长岭
联系邮件:lcl@8767.com
产品价格:¥.00
网上报价:¥.00
产品信息及联系方式

 
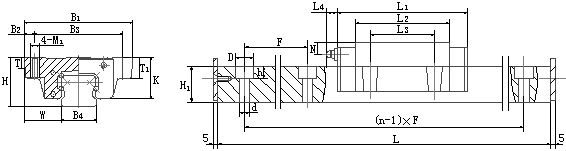
型 号 导轨副 滑块尺寸
尺寸
H W B1 B2 B3 K T T1 M1 L1 L2 L3
GGB16AA 24 15.5 47 4.5 38 19.4 7 11 M5 58 40.5 30
GGB20AA 30 21.5 63 5 53 24 10 10 M6 70 50 40
GGB20AAL 86 66
GGB25AA 37 23.5 70 6.5 57 30.5 12 16 M8 79.5 59 45
GGB25AAL -36 98.5 78
GGB30AA 42 31 90 9 72 35 10 18 M10 95.2 70 52
GGB30AAL 117.2 92
GGB35AA 48 33 100 9 82 38 13 21 M10 107.8 81 62
GGB35AAL 131.8 105
GGB45AA 62 37.5 120 10 100 51 15 25 M12 135 102 80
GGB45AAL -60 163 130
GGB55AA 70 43.5 140 12 116 57 20 29 M14 161 118 95
GGB55AAL 199 156
GGB65AA 90 53.5 170 14 142 76 23 37 M16 195 147 110
GGB65AAL 255 207
GGB85AA 110 65 215 15 185 94 30 55 M20 243.4 179 140
GGB85AAL 300.4 236
油杯尺寸  导轨尺寸 额定 额定 额定力矩
动载 静载
L4 G N B4 H1 d×D×h F 单根 C C0 MA MB MC
最大 (KN) (KN) (N.m) (N.m) (N.m)
长度Lmax          
2.5 Φ4 4 16 15 4.5×7.5×5.3 60 500 6.07 6.8 55.5 55.5 88.8
11 M6 6 20 18 6×9.5×8.5 60 1400 11.6 14.5 92.4 92.4 154
13.6 20.3 121.8 121.8 203
11 M6 7.2 23 22 7×11×9 60 3000 17.7 22.6 149.8 149.8 246
20.7 34.97 244.8 244.8 402
11 M6 7 28 26 9×14×12 80 3000 27.6 34.4 311.3 311.3 546
33.4 45.8 560 560 745.2
11 M6 8 34 29 9×14×12 80 3000 35.1 47.2 488 488 790
39.96 64.85 681 681 1102.45
11 M6 12 45 38 14×20×16 100 3000 42.5 71 848 848 1448
-105 64.4 102.1 1345.4 1345.4 2247.25
14 M8×1 12 53 44 16×23×20 120 3000 79.4 101 1547 1547 2580
92.2 142.5 2264.3 2264.3 3776.25
14 M8×1 12 63 53 18×26×22 150 3000 115 163 3237 3237 4860
148 224.5 4627.5 4627.5 6945.75
14 M8×1 14 85 65 24×35×28 180 3000 172.2 257.4 6076.4 6076.4 12842
202.3 327.6 9946.3 9946.3 15410
产品分类
  微型深沟球轴承   深沟球轴承   调心球轴承   圆柱滚子轴承   调心滚子轴承   滚针轴承   角接触球轴承
  圆锥滚子轴承   推力球轴承   平面滚子轴承   偏心轴承   直线轴承   含油轴承   杆端轴承
  滚轮轴承   不锈钢轴承   叉车轴承   单向轴承   导轨滑块   组合轴承   英制球轴承
  汽车轴承   塑料轴承   高温轴承   关节轴承   滑动轴承座   外球面轴承   部分式轴承座
  紧定套   退卸套   外球面轴承座   外球面轴承带座   胀套   分离轴承   推力滚子轴承
  丝杠轴承   交叉滚子轴承   罗拉轴承   滚珠丝杆   转盘轴承   十字架轴承   双列球轴承
  钻具轴承   直线滑块   冲压轴承座   企业证书   推力关节轴承   轴承技术参数   非标轴承
  长圆柱滚子轴承   推力关节轴承   锌合金轴承座   轴承型号对照表   轴承座框架   英制圆锥滚子轴承   双列满滚子轴承
  直线轴承支撑   退卸套附件   水泵轴承   轴承附件   串联轴承   万向节   输送机专用轴承座
  回转支承   逆止器   弹性膜片联轴器   在线支付   滚动花键副   滚珠丝杠副   滚动直线导套副
  轴承加热器   薄壁角接触球轴承   薄壁深沟球轴承
关于我们 - 设为首页 - 加入收藏 - 营业执照 - 企业商标 - 汇款资料 - 产品介绍 - 联系我们 - 友情连接 - 企业库 - VIP会员
单位汇款资料:南京哈宁轴承制造有限公司 开户行及帐号:工行朝天宫分理处4301021409100005958
个人汇款资料:中国农业银行南京白下分行 6228460390011617510 刘长岭 苏ICP备16004265号-1