南京轴承厂 南京轴承有限公司 南京哈宁轴承制造有限公司 南京工艺装备制造有限公司
设为首页 加入收藏夹 联系我们
电话:025-52217447、86629730 QQ:349831866
图文传真:025-52300551 联系人:刘长岭 13801591302
首页 | 产品大全 | 贸易知识 | 技术知识 | 轴承知识 | 行业新闻 | 国内新闻 | 哈宁新闻 | 样本下载 | 轴承样本 | 现货信息 | 供应信息 | 价格信息 | 营业执照 | 企业商标 | 汇款资料 | 产品介绍 | 联系我们 | 价格表 | 微薄 |
搜索:

销售电话:138 0159 1302

您现在的位置是:首页 --->产品大全

产品信息及联系方式

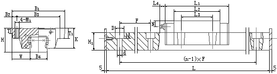
GGB20AA-AAL直线导轨四方向等载荷型滚动
生产厂家:南京哈宁轴承制造有限公司
公司地址:江苏省南京市莫愁路195号
联系电话:025-86629730
公司传真:025-52300551
联 系 人:刘长岭
联系邮件:lcl@8767.com
产品价格:¥.00
网上报价:¥.00
产品信息及联系方式

型 号 导轨副  导轨尺寸 额定 额定 额定力矩
尺寸 动载 静载
h w b4 h1 d×d×h f 单根 c c0 ma mb mc
最大 (kn) (kn) (n.m) (n.m) (n.m)
长度lmax          
ggb16aa 24 15.5 16 15 4.5×7.5×5.3 60 500 6.07 6.8 55.5 55.5 88.8
ggb20aa 30 21.5 20 18 6×9.5×8.5 60 1400 11.6 14.5 92.4 92.4 154
ggb20aal 30 21.5 20 18 6×9.5×8.5 60 1400 13.6 20.3 121.8 121.8 203
ggb25aa 37 23.5 23 22 7×11×9 60 3000 17.7 22.6 149.8 149.8 246
ggb25aal -36 23.5 23 22 7×11×9 60 3000 20.7 34.97 244.8 244.8 402
ggb30aa 42 31 28 26 9×14×12 80 3000 27.6 34.4 311.3 311.3 546
ggb30aal 42 31 28 26 9×14×12 80 3000 33.4 45.8 560 560 745.2
ggb35aa 48 33 34 29 9×14×12 80 3000 35.1 47.2 488 488 790
ggb35aal 48 33 34 29 9×14×12 80 3000 39.96 64.85 681 681 1102.45
ggb45aa 62 37.5 45 38 14×20×16 100 3000 42.5 71 848 848 1448
ggb45aal -60 37.5 45 38 14×20×16 -105 3000 64.4 102.1 1345.4 1345.4 2247.25
ggb55aa 70 43.5 53 44 16×23×20 120 3000 79.4 101 1547 1547 2580
ggb55aal 70 43.5 53 44 16×23×20 120 3000 92.2 142.5 2264.3 2264.3 3776.25
ggb65aa 90 53.5 63 53 18×26×22 150 3000 115 163 3237 3237 4860
ggb65aal 90 53.5 63 53 18×26×22 150 3000 148 224.5 4627.5 4627.5 6945.75
ggb85aa 110 65 85 65 24×35×28 180 3000 172.2 257.4 6076.4 6076.4 12842
ggb85aal 110 65 85 65 24×35×28 180 3000 202.3 327.6 9946.3 9946.3 15410
滑块尺寸 油杯尺寸
b1 b2 b3 k t t1 m1 l1 l2 l3 l4 g n
47 4.5 38 19.4 7 11 m5 58 40.5 30 2.5 φ4 4
63 5 53 24 10 10 m6 70 50 40 11 m6 6
63 5 53 24 10 10 m6 86 66 40 11 m6 6
70 6.5 57 30.5 12 16 m8 79.5 59 45 11 m6 7.2
70 6.5 57 30.5 12 16 m8 98.5 78 45 11 m6 7.2
90 9 72 35 10 18 m10 95.2 70 52 11 m6 7
90 9 72 35 10 18 m10 117.2 92 52 11 m6 7
100 9 82 38 13 21 m10 107.8 81 62 11 m6 8
100 9 82 38 13 21 m10 131.8 105 62 11 m6 8
120 10 100 51 15 25 m12 135 102 80 11 m6 12
120 10 100 51 15 25 m12 163 130 80 11 m6 12
140 12 116 57 20 29 m14 161 118 95 14 m8×1 12
140 12 116 57 20 29 m14 199 156 95 14 m8×1 12
170 14 142 76 23 37 m16 195 147 110 14 m8×1 12
170 14 142 76 23 37 m16 255 207 110 14 m8×1 12
215 15 185 94 30 55 m20 243.4 179 140 14 m8×1 14
215 15 185 94 30 55 m20 300.4 236 140 14 m8×1 14

产品分类
  微型深沟球轴承   深沟球轴承   调心球轴承   圆柱滚子轴承   调心滚子轴承   滚针轴承   角接触球轴承
  圆锥滚子轴承   推力球轴承   平面滚子轴承   偏心轴承   直线轴承   含油轴承   杆端轴承
  滚轮轴承   不锈钢轴承   叉车轴承   单向轴承   导轨滑块   组合轴承   英制球轴承
  汽车轴承   塑料轴承   高温轴承   关节轴承   滑动轴承座   外球面轴承   部分式轴承座
  紧定套   退卸套   外球面轴承座   外球面轴承带座   胀套   分离轴承   推力滚子轴承
  丝杠轴承   交叉滚子轴承   罗拉轴承   滚珠丝杆   转盘轴承   十字架轴承   双列球轴承
  钻具轴承   直线滑块   冲压轴承座   企业证书   推力关节轴承   轴承技术参数   非标轴承
  长圆柱滚子轴承   推力关节轴承   锌合金轴承座   轴承型号对照表   轴承座框架   英制圆锥滚子轴承   双列满滚子轴承
  直线轴承支撑   退卸套附件   水泵轴承   轴承附件   串联轴承   万向节   输送机专用轴承座
  回转支承   逆止器   弹性膜片联轴器   在线支付   滚动花键副   滚珠丝杠副   滚动直线导套副
  轴承加热器   薄壁角接触球轴承   薄壁深沟球轴承
关于我们 - 设为首页 - 加入收藏 - 营业执照 - 企业商标 - 汇款资料 - 产品介绍 - 联系我们 - 友情连接 - 企业库 - VIP会员
单位汇款资料:南京哈宁轴承制造有限公司 开户行及帐号:工行朝天宫分理处4301021409100005958
个人汇款资料:中国农业银行南京白下分行 6228460390011617510 刘长岭 苏ICP备16004265号-1