南京轴承厂 南京轴承有限公司 南京哈宁轴承制造有限公司 南京工艺装备制造有限公司
设为首页 加入收藏夹 联系我们
电话:025-52217447、86629730 QQ:349831866
图文传真:025-52300551 联系人:刘长岭 13801591302
首页 | 产品大全 | 贸易知识 | 技术知识 | 轴承知识 | 行业新闻 | 国内新闻 | 哈宁新闻 | 样本下载 | 轴承样本 | 现货信息 | 供应信息 | 价格信息 | 营业执照 | 企业商标 | 汇款资料 | 产品介绍 | 联系我们 | 价格表 | 微薄 |
搜索:

销售电话:138 0159 1302

您现在的位置是:首页 --->产品大全

产品信息及联系方式

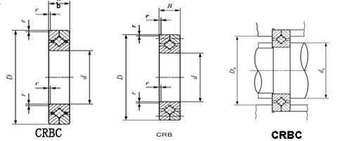
CRB系列、交叉滚子轴承、内圈上的固定孔、退卸螺丝的数量、固定螺丝的数量、外圈上固定孔的数量、内圈上固定孔的数量
生产厂家:南京哈宁轴承制造有限公司
公司地址:江苏省南京市莫愁路195号
联系电话:025-86629730
公司传真:025-52300551
联 系 人:刘长岭
联系邮件:lcl@8767.com
产品规格:交叉滚子轴承
产品价格:¥.00
网上报价:¥.00
产品信息及联系方式


轴径
shaft diameter
mm

型号
Identification
number
 主要尺寸
      Main dimensions mm
安装尺寸Mounting dimensions mm
CRBC
CRB
重量
Weight
带保持器

With cage
满装滚子
Full complement
内径inner ring
d
外径
outer diameter
D
宽度 width

B
r
 min
da
Da
基本额定动载荷
Basic dynamic load rating
基本额定静载荷
Basic static load rating
基本额定动载荷
Basic dynamic load rating
基本额定静载荷
Basic static load rating
Kg
C
kN
Co
kN
C
kN
Co
kN
50
CRBC 5013
CRB 5013
50
80
13
  0.6
55
71
1.07
1.26
1.42
1.84
0.29
60
CRBC 6013
CRB 6013
60
90
13
  0.6
64
81
1.16
1.46
1.54
2.15
0.33
70
CRBC 7013
CRB 7013
70
100
13
0.6
75
91
1.23
1.67
1.7
2.55
0.38
80
CRBC 8016
CRB 8016
80
120
16
0.6
86
107
1.82
2.55
2.43
3.75
0.74
90
CRBC 9016
CRB 9016
90
130
16
1
98
118
1.94
2.86
2.59
4.21
0.81
100
CRBC 10020
CRB 10020
100
150
20
1
108
134
3.15
4.51
3.94
6.11
1.45
110
CRBC 11020
CRB 11020
110
160
20
1
118
144
3.35
5.07
4.12
6.67
1.56
120
CRBC 12025
CRB 12025
120
180
25
1.5
132
164
4.77
7.05
5.99
9.54
2.62
130
CRBC 13025
CRB 13025
130
190
25
1.5
140
172
4.92
7.48
6.1
9.98
2.82
140
CRBC 14025
CRB 14025
140
200
25
1.5
151
183
5.07
7.92
6.41
10.8
2.96
150
CRBC 15025
CRB 15025
150
210
25
1.5
160
192
5.38
8.77
6.5
11.3
3.16
CRBC 15030
CRB 15030
150
230
30
1.5
166
202
6.92
10.8
8.59
14.4
5.3
200
CRBC 20025
CRB 20025
200
260
25
2
208
239
6.02
11
7.53
14.8
4
CRBC 20030
CRB 20030
200
280
30
2
218
262
10.8
17.8
13.3
23.4
6.7
CRBC 20035
CRB 20035
200
295
35
2
221
274
13.7
21.5
16.8
28.2
9.58

轴径
Shaft
diameter
mm

型号
Identification
 number

主要尺寸
 Main dimensions mm
安装尺寸Mounting dimensions
mm
CRBC
CRB
重量
Weight
带保持器
With cage
满装滚子
Full complement
 
内径
inner
diameter 
d
 
外径outer diameter
D
 
宽度 width

B
 
r
 min
da
Da
基本额定动载荷
Basic dynamic load rating
基本额定静载荷
Basic static load rating
基本额定动载荷
Basic dynamic load rating
基本额定静载荷
Basic static load rating
Kg
C
kN
Co
kN
C
kN
Co
kN
250
CRBC 25025
CRB 25025
250
310
25
2.5
259
290
6.72
13.6
8.39
18.3
4.97
CRBC 25030
CRB 25030
250
330
30
2.5
265
310
11.6
20.8
14.6
28.3
8.1
CRBC 25040
CRB 25040
250
355
40
2.5
271
330
17.9
29.9
21.5
38.2
14.8
300
CRBC 30025
CRB 30025
300
360
25
2.5
310
341
7.38
16.2
9.19
21.7
5.88
CRBC 30035
CRB 30035
300
395
35
2.5
318
372
16.3
29.9
20.5
40.8
13.4
CRBC 30040
CRB 30040
300
405
40
2.5
321
381
19.4
35.1
23.5
45.1
17.2
400
CRBC 40035
CRB 40035
400
480
35
2.5
414
457
13.3
30
16.5
40
14.5
CRBC 40040
CRB 40040
400
510
40
2.5
423
483
22.2
45.5
27
59
23.5
CRBC 40070
CRB 40070
400
580
70
2.5
430
532
47
81.1
57.6
106
72.4
500
CRBC 50040
CRB 50040
500
600
40
2.5
517
573
21.2
49.7
25.9
64.8
26
CRBC 50050
CRB 50050
500
625
50
2.5
531
592
24.7
56.1
30.6
74.7
41.7
CRBC 50070
CRB 50070
500
680
70
2.5
530
633
53.6
102
65.3
133
86.1
600
CRBC 60040
CRB 60040
600
700
40
3
621
676
23.1
58.1
28.7
77.4
30.6
CRBC 60070
CRB 60070
600
780
70
3
630
734
59.1
123
70
154
102
CRBC 600120
CRB 600120
600
870
120
3
643
817
125
221
149
280
274
700
CRBC 70045
CRB 70045
700
815
45
3
730
785
25
68.1
31.3
91.7
46.5
CRBC 70070
CRB 70070
700
880
70
3
731
834
63
139
76.6
181
115
CRBC 700150
CRB 700150
700
1020
150
3
751
953
166
301
198
382
478
800
CRBC 80070
CRB 80070
800
950
70
4
831
907
41.7
109
51.3
144
109
CRBC 800100
CRB 800100
800
1030
100
4
840
972
93.6
204
114
264
247
产品分类
  微型深沟球轴承   深沟球轴承   调心球轴承   圆柱滚子轴承   调心滚子轴承   滚针轴承   角接触球轴承
  圆锥滚子轴承   推力球轴承   平面滚子轴承   偏心轴承   直线轴承   含油轴承   杆端轴承
  滚轮轴承   不锈钢轴承   叉车轴承   单向轴承   导轨滑块   组合轴承   英制球轴承
  汽车轴承   塑料轴承   高温轴承   关节轴承   滑动轴承座   外球面轴承   部分式轴承座
  紧定套   退卸套   外球面轴承座   外球面轴承带座   胀套   分离轴承   推力滚子轴承
  丝杠轴承   交叉滚子轴承   罗拉轴承   滚珠丝杆   转盘轴承   十字架轴承   双列球轴承
  钻具轴承   直线滑块   冲压轴承座   企业证书   推力关节轴承   轴承技术参数   非标轴承
  长圆柱滚子轴承   推力关节轴承   锌合金轴承座   轴承型号对照表   轴承座框架   英制圆锥滚子轴承   双列满滚子轴承
  直线轴承支撑   退卸套附件   水泵轴承   轴承附件   串联轴承   万向节   输送机专用轴承座
  回转支承   逆止器   弹性膜片联轴器   在线支付   滚动花键副   滚珠丝杠副   滚动直线导套副
  轴承加热器   薄壁角接触球轴承   薄壁深沟球轴承
关于我们 - 设为首页 - 加入收藏 - 营业执照 - 企业商标 - 汇款资料 - 产品介绍 - 联系我们 - 友情连接 - 企业库 - VIP会员
单位汇款资料:南京哈宁轴承制造有限公司 开户行及帐号:工行朝天宫分理处4301021409100005958
个人汇款资料:中国农业银行南京白下分行 6228460390011617510 刘长岭 苏ICP备16004265号-1