南京轴承厂 南京轴承有限公司 南京哈宁轴承制造有限公司 南京工艺装备制造有限公司
设为首页 加入收藏夹 联系我们
电话:025-52217447、86629730 QQ:349831866
图文传真:025-52300551 联系人:刘长岭 13801591302
首页 | 产品大全 | 贸易知识 | 技术知识 | 轴承知识 | 行业新闻 | 国内新闻 | 哈宁新闻 | 样本下载 | 轴承样本 | 现货信息 | 供应信息 | 价格信息 | 营业执照 | 企业商标 | 汇款资料 | 产品介绍 | 联系我们 | 价格表 | 微薄 |
搜索:

销售电话:138 0159 1302

您现在的位置是:首页 --->产品大全

产品信息及联系方式

滚针轴承KT101310、KT101213、KT101308、KT101410、KT101413、KT101415、KT111410、KT121510、KT121512、KT121513、KT121514、KT121508
生产厂家:南京哈宁轴承制造有限公司
公司地址:江苏省南京市莫愁路195号
联系电话:025-86629730
公司传真:025-52300551
联 系 人:刘长岭
联系邮件:lcl@8767.com
产品价格:¥.00
网上报价:¥.00
产品信息及联系方式

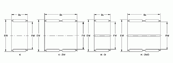
结构图

型号 重量/g 内径/FW 外径/EW 宽度/Bc BASIC DYNAMIC BASIC STATIC
KT101310 2.3 10 13 10 420 460
KT101313 3 10 13 13 530 610
KT101308 1.9 10 13 8 340 350
KT101410 3.2 10 14 10 500 480
KT101412 3.8 10 14 12 610 610
KT101413 4.2 10 14 13 620 630
KT101415 4.8 10 14 15 720 770
KT111410 2.5 11 14 10 450 510
KT121510 2.7 12 15 10 470 560
KT121512 3.2 12 15 12 570 720
KT121513 3.6 12 15 13 580 740
KT121514 3.8 12 15 14 630 820
KT121508 2.2 12 15 8 380 430
KT121610 4 12 16 10 580 600
KT121613 5.2 12 16 13 720 800
KT121618 7 12 16 18 1000 1220
KT121710 5.1 12 17 10 630 580
KT121812 7.8 12 18 12 920 860
KT121820 13.2 12 18 20 1400 1470
KT131710 4.3 13 17 10 610 660
KT131815 8.2 13 18 15 990 1060
KT131816 8.2 13 18 16 1050 1160
KT141810 4.6 14 18 10 640 720
KT141811 5.2 14 18 11 670 760
KT141813 6 14 18 13 800 960
KT141816 7.3 14 18 16 990 1270
KT141808 3.7 14 18 8 520 550
KT141910 5.9 14 19 10 730 730
KT141916 9.4 14 19 16 1130 1290
KT141918 10.5 14 19 18 1270 1500
KT142012 8.7 14 20 12 1000 990
KT142017 12.4 14 20 17 1360 1470
KT151910 4.9 15 19 10 680 790
KT151911 5.5 15 19 11 700 820
KT151913 6.4 15 19 13 840 1040
KT151917 8.2 15 19 17 1110 1480
KT151918 8.7 15 19 18 1170 1600
KT151909 4.4 15 19 9 620 710
KT152010 6.3 15 20 10 770 810
KT162010 5.2 16 20 10 710 850
KT162017 8.7 16 20 17 1160 1600
KT162118 12 16 21 18 1420 1810
KT162120 13.6 16 21 20 1500 1930
KT162125 16.6 16 21 25 1870 2560
KT162212 9.7 16 22 12 1070 1110
KT162214 11.5 16 22 14 1190 1270
KT162217 13.8 16 22 17 1450 1640
KT162220 23.5 16 24 20 1620 1890
KT162420 23.5 16 24 20 1880 1940
KT172110 5.5 17 21 10 740 910
KT172113 7.2 17 21 13 920 1210
KT172115 8.2 17 21 15 1060 1470
KT172117 9.3 17 22 20 1580 2100
KT172220 14 17 22 20 1580 2100
KT172311 9.6 17 23 11 1030 1070
KT172315 13.1 17 23 15 1360 1540
KT172418 18.6 17 24 18 1680 1840
KT182210 5.8 18 22 10 760 970
KT182213 7.6 18 22 13 950 1290
KT18228 4.7 18 22 8 620 740
KT367N 0.39 3 6 7 150 100
KT477N 0.47 4 7 7 180 130
KT587N 0.89 5 8 7 190 140
KT588N 0.68 5 8 8 250 200
KT61013 2.7 6 10 13 450 380
KT6910 1.45 6 9 10 310 270
KT697N 0.63 6 9 7 240 190
KT698N 0.75 6 9 8 280 240
KT71010 1.69 7 10 10 340 320
KT7108N 0.86 7 10 8 300 270
KT81110 1.9 8 11 10 370 370
KT81113 2.5 8 11 13 460 480
KT8118N 0.96 8 11 8 320 310
KT81211 3 8 12 11 470 420
KT8128 2.1 8 12 8 370 310
KT91210 2.1 9 12 10 400 420
KT91213 2.8 9 12 13 490 550
产品分类
  微型深沟球轴承   深沟球轴承   调心球轴承   圆柱滚子轴承   调心滚子轴承   滚针轴承   角接触球轴承
  圆锥滚子轴承   推力球轴承   平面滚子轴承   偏心轴承   直线轴承   含油轴承   杆端轴承
  滚轮轴承   不锈钢轴承   叉车轴承   单向轴承   导轨滑块   组合轴承   英制球轴承
  汽车轴承   塑料轴承   高温轴承   关节轴承   滑动轴承座   外球面轴承   部分式轴承座
  紧定套   退卸套   外球面轴承座   外球面轴承带座   胀套   分离轴承   推力滚子轴承
  丝杠轴承   交叉滚子轴承   罗拉轴承   滚珠丝杆   转盘轴承   十字架轴承   双列球轴承
  钻具轴承   直线滑块   冲压轴承座   企业证书   推力关节轴承   轴承技术参数   非标轴承
  长圆柱滚子轴承   推力关节轴承   锌合金轴承座   轴承型号对照表   轴承座框架   英制圆锥滚子轴承   双列满滚子轴承
  直线轴承支撑   退卸套附件   水泵轴承   轴承附件   串联轴承   万向节   输送机专用轴承座
  回转支承   逆止器   弹性膜片联轴器   在线支付   滚动花键副   滚珠丝杠副   滚动直线导套副
  轴承加热器   薄壁角接触球轴承   薄壁深沟球轴承
关于我们 - 设为首页 - 加入收藏 - 营业执照 - 企业商标 - 汇款资料 - 产品介绍 - 联系我们 - 友情连接 - 企业库 - VIP会员
单位汇款资料:南京哈宁轴承制造有限公司 开户行及帐号:工行朝天宫分理处4301021409100005958
个人汇款资料:中国农业银行南京白下分行 6228460390011617510 刘长岭 苏ICP备16004265号-1