|
|
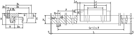
GGB30IAA南京工艺装备制造有限公司 
|
型 号 |
导轨副 |
滑块尺寸 |
型 号 |
|
尺寸 |
|
H |
W |
B1 |
B2 |
B3 |
K |
T |
T1 |
M1 |
L1 |
L2 |
L3 |
|
GGB16IAA |
24 |
15.5 |
47 |
4.5 |
38 |
19.4 |
7 |
11 |
M5 |
58 |
40.5 |
30 |
GGB16IAA |
|
GGB20IAA |
30 |
21.5 |
63 |
5 |
53 |
24 |
10 |
10 |
M6 |
70 |
50 |
40 |
GGB20IAA |
|
GGB20IAAL |
86 |
66 |
GGB20IAAL |
|
GGB25IAA |
37 |
23.5 |
70 |
6.5 |
57 |
30.5 |
12 |
16 |
M8 |
79.5 |
59 |
45 |
GGB25IAA |
|
GGB25IAAL |
98.5 |
78 |
GGB25IAAL |
|
GGB25IIAA |
36 |
23.5 |
70 |
6.5 |
57 |
30.5 |
12 |
16 |
M8 |
79.5 |
59 |
45 |
GGB25IIAA |
|
GGB25IIAAL |
98.5 |
78 |
GGB25IIAAL |
|
GGB30IAA |
42 |
31 |
90 |
9 |
72 |
35 |
10 |
18 |
M10 |
95.2 |
70 |
52 |
GGB30IAA |
|
GGB30IAAL |
117.2 |
92 |
GGB30IAAL |
|
GGB35IAA |
48 |
33 |
100 |
9 |
82 |
38 |
13 |
21 |
M10 |
107.8 |
81 |
62 |
GGB35IAA |
|
GGB35IAAL |
131.8 |
105 |
GGB35IAAL |
|
GGB45IAA |
62 |
37.5 |
120 |
10 |
100 |
51 |
15 |
25 |
M12 |
135 |
102 |
80 |
GGB45IAA |
|
GGB45IAAL |
163 |
130 |
GGB45IAAL |
|
GGB45IIAA |
60 |
37.5 |
120 |
10 |
100 |
51 |
15 |
25 |
M12 |
135 |
102 |
80 |
GGB45IIAA |
|
GGB45IIAAL |
163 |
130 |
GGB45IIAAL |
|
GGB55IAA |
70 |
43.5 |
140 |
12 |
116 |
57 |
20 |
29 |
M14 |
161 |
118 |
95 |
GGB55IAA |
|
GGB55IAAL |
199 |
156 |
GGB55IAAL |
|
GGB65IAA |
90 |
53.5 |
170 |
14 |
142 |
76 |
23 |
37 |
M16 |
195 |
147 |
110 |
GGB65IAA |
|
GGB65IAAL |
255 |
207 |
GGB65IAAL |
|
GGB85IAA |
110 |
65 |
215 |
15 |
185 |
94 |
30 |
55 |
M20 |
243.4 |
179 |
140 |
GGB85IAA |
|
GGB85IAAL |
300.4 |
236 |
GGB85IAAL |
|
型 号 |
额定 |
额定 |
额定力矩 |
油杯尺寸 |
导轨尺寸 |
|
动载 |
静载 |
|
C |
C0 |
MA |
MB |
MC |
L4 |
G |
N |
B4 |
H1 |
F |
单根 |
d×D×h |
|
(KN) |
(KN) |
(N.m) |
(N.m) |
(N.m) |
最大 |
|
长度Lmax |
|
GGB16IAA |
6.07 |
6.8 |
55.5 |
55.5 |
88.8 |
2.5 |
Φ4 |
4 |
16 |
15 |
60 |
500 |
4.5×7.5×5.3 |
|
GGB20IAA |
11.6 |
14.5 |
92.4 |
92.4 |
154 |
11 |
M6 |
6 |
20 |
18 |
60 |
1400 |
6×9.5×8.5 |
|
GGB20IAAL |
13.6 |
20.3 |
121.8 |
121.8 |
203 |
|
GGB25IAA |
17.7 |
22.6 |
149.8 |
149.8 |
246 |
11 |
M6 |
7.2 |
23 |
22 |
60 |
3000 |
7×11×9 |
|
GGB25IAAL |
20.7 |
34.97 |
244.8 |
244.8 |
402 |
|
GGB25IIAA |
17.7 |
22.6 |
149.8 |
149.8 |
246 |
11 |
M6 |
7.2 |
23 |
22 |
60 |
3000 |
7×11×9 |
|
GGB25IIAAL |
20.7 |
34.97 |
244.8 |
244.8 |
402 |
|
GGB30IAA |
27.6 |
34.4 |
311.3 |
311.3 |
546 |
11 |
M6 |
7 |
28 |
26 |
80 |
3000 |
9×14×12 |
|
GGB30IAAL |
33.4 |
45.8 |
560 |
560 |
745.2 |
|
GGB35IAA |
35.1 |
47.2 |
488 |
488 |
790 |
11 |
M6 |
8 |
34 |
29 |
80 |
3000 |
9×14×12 |
|
GGB35IAAL |
39.96 |
64.85 |
681 |
681 |
1102.45 |
|
GGB45IAA |
42.5 |
71 |
848 |
848 |
1448 |
11 |
M6 |
12 |
45 |
38 |
100 |
3000 |
14×20×16 |
|
GGB45IAAL |
64.4 |
102.1 |
1345.4 |
1345.4 |
2247.25 |
|
GGB45IIAA |
42.5 |
71 |
848 |
848 |
1448 |
11 |
M6 |
12 |
45 |
38 |
105 |
3000 |
14×20×16 |
|
GGB45IIAAL |
64.4 |
102.1 |
1345.4 |
1345.4 |
2247.25 |
|
GGB55IAA |
79.4 |
101 |
1547 |
1547 |
2580 |
14 |
M8×1 |
12 |
53 |
44 |
120 |
3000 |
16×23×20 |
|
GGB55IAAL |
92.2 |
142.5 |
2264.3 |
2264.3 |
3776.25 |
|
GGB65IAA |
115 |
163 |
3237 |
3237 |
4860 |
14 |
M8×1 |
12 |
63 |
53 |
150 |
3000 |
18×26×22 |
|
GGB65IAAL |
148 |
224.5 |
4627.5 |
4627.5 |
6945.75 |
|
GGB85IAA |
172.2 |
257.4 |
6076.4 |
6076.4 |
12842 |
14 |
M8×1 |
14 |
85 |
65 |
180 |
3000 |
24×35×28 |
|
GGB85IAAL |
202.3 |
327.6 |
9946.3 |
9946.3 |
15410 |

|
|
|