南京轴承厂 南京轴承有限公司 南京哈宁轴承制造有限公司 南京工艺装备制造有限公司
设为首页 加入收藏夹 联系我们
电话:025-52217447、86629730 QQ:349831866
图文传真:025-52300551 联系人:刘长岭 13801591302
首页 | 产品大全 | 贸易知识 | 技术知识 | 轴承知识 | 行业新闻 | 国内新闻 | 哈宁新闻 | 样本下载 | 轴承样本 | 现货信息 | 供应信息 | 价格信息 | 营业执照 | 企业商标 | 汇款资料 | 产品介绍 | 联系我们 | 价格表 | 微薄 |
搜索:

销售电话:138 0159 1302

您现在的位置是:首页 --->行业信息
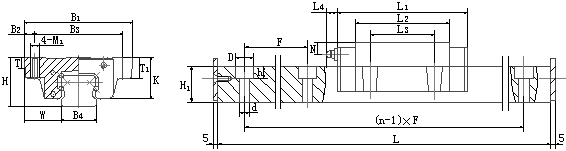
GGB25导轨滑块

型 号

导轨副

滑块尺寸

重量

尺寸

H

W

B1

B2

B3

K

T

T1

M1

L1

L2

L3

滑块

导轨

GGB16AA

24

15.5

47

4.5

38

19.4

7

11

M5

58.5

40.5

30

0.17

1.62

GGB20AA

30

21.5

63

5

53

24

10

10

M6

71

50

40

0.33

2.3

GGB20AAL

87

66

0.45

GGB25IAA

37

23.5

70

6.5

57

30.5

12

16

M8

83

59

45

0.55

3.3

GGB25IAAL

102

78

0.75

GGB25IIAA

36

83

59

0.5

GGB25IIAAL

102

78

0.7

GGB30AA

42

31

90

9

72

35

10

18

M10

97

70

52

1

4.7

GGB30AAL

119

92

1.3

GGB35AA

48

33

100

9

82

38

13

21

M10

109

81

62

1.45

6.5

GGB35AAL

133

105

1.9

GGB45IAA

62

37.5

120

10

100

51

15

25

M12

137

102

80

2.6

11.2

GGB45IAAL

165

130

3.4

GGB45IIAA

60

137

102

2.4

GGB45IIAAL

165

130

3.1

GGB55AA

70

43.5

140

12

116

57

20

29

M14

161

118

95

4.3

15

GGB55AAL

199

156

5.8

GGB65AA

90

53.5

170

14

142

76

23

37

M16

199

147

110

7.3

22.2

GGB65AAL

259

207

10.7

GGB85AA

110

65

215

15

185

94

30

55

M20

247

179

140

16.5

35.5

GGB85AAL

304

236

22.2

导轨尺寸

油杯尺寸

额定

额定

额定力矩

型号

动载

静载

d×D×h

B4

H1

F

单根

L4

G

N

C

C0

MA

MB

MC

最大

(KN)

(KN)

(N.m)

(N.m)

(N.m)

长度Lmax

 

 

 

 

 

4.5×7.5×5.3

16

15

60

500

2.5

Φ4

4

8.51

13.38

70

70

100

GGB16AA

6×9.5×8.5

20

18

60

1400

11

M6

6

13.7

19.27

160

160

230

GGB20AA

18.43

26.5

260

260

310

GGB20AAL

7×11×9

23

22

60

3000

11

M6

7.2

20.19

22.6

149.8

149.8

246

GGB25IAA

27.17

40.68

450

450

500

GGB25IAAL

20.19

22.6

149.8

149.8

246

GGB25IIAA

27.17

40.68

450

450

500

GGB25IIAAL

9×14×12

28

26

80

3000

11

M6

7

28.08

46.33

430

430

650

GGB30AA

37.77

61.77

720

720

870

GGB30AAL

9×14×12

34

29

80

3000

11

M6

8

34.97

58.53

610

610

1030

GGB35AA

46.43

76.54

1030

1030

1380

GGB35AAL

14×20×16

45

38

100

3000

11

M6

12

60.14

94.57

1290

1290

2100

GGB45IAA

80.83

126.09

2080

2080

2790

GGB45IAAL

105

60.14

94.57

1290

1290

2100

GGB45IIAA

80.83

126.09

2080

2080

2790

GGB45IIAAL

16×23×20

53

44

120

3000

14

M8×1

12

92.62

137.57

2180

2180

3640

GGB55AA

126.51

187.6

3650

3650

4860

GGB55AAL

18×26×22

63

53

150

3000

14

M8×1

12

154.13

221.89

4170

4170

6800

GGB65AA

220.24

322.75

7300

7300

9100

GGB65AAL

24×35×28

85

65

180

3000

14

M8×1

14

247.88

346.7

10400

10400

12900

GGB85AA

351.45

441.26

12800

12800

17200

GGB85AAL

关于我们 - 设为首页 - 加入收藏 - 营业执照 - 企业商标 - 汇款资料 - 产品介绍 - 联系我们 - 友情连接 - 企业库 - VIP会员
单位汇款资料:南京哈宁轴承制造有限公司 开户行及帐号:工行朝天宫分理处4301021409100005958
个人汇款资料:中国农业银行南京白下分行 6228460390011617510 刘长岭 苏ICP备16004265号-1