XST415-43外球面轴承带座、XST415-44外球面轴承带座、XST415-47外球面轴承带座、XST415外球面轴承带座、XST415-48外球面轴承带座、XST418-55外球面轴承带座、XST418-56外球面轴承带座、XST418外球面轴承带座
 |
 |
|
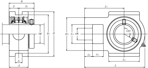
组件型号 |
轴承公称型号 |
轴径 |
H 尺寸 |
L 尺寸 |
A1 尺寸 |
基本额定负荷 Cr Cor |
| XST410-31 |
XS410-31 |
1-15/16 in |
120.7 mm 4-3/4 in |
157.2 mm 6-3/16 in |
17.5 mm 11/16 in |
96.4 kN 21672 lb |
116.9 kN 26280 lb |
| XST410 |
XS410 |
50 mm |
120.7 mm 4-3/4 in |
157.2 mm 6-3/16 in |
17.5 mm 11/16 in |
96.4 kN 21672 lb |
116.9 kN 26280 lb |
| XST410-32 |
XS410-32 |
2 in |
120.7 mm 4-3/4 in |
157.2 mm 6-3/16 in |
17.5 mm 11/16 in |
96.4 kN 21672 lb |
116.9 kN 26280 lb |
| XST411 |
XS411 |
55 mm |
133.4 mm 5-1/4 in |
179.4 mm 7-1/16 in |
20.6 mm 13/16 in |
120.8 kN 27157 lb |
146.8 kN 33002 lb |
| XST411-35 |
XS411-35 |
2-3/16 in |
133.4 mm 5-1/4 in |
179.4 mm 7-1/16 in |
20.6 mm 13/16 in |
120.8 kN 27157 lb |
146.8 kN 33002 lb |
| XST413-39 |
XS413-39 |
2-7/16 in |
149.2 mm 5-7/8 in |
198 mm 7-51/64 in |
27 mm 1-1/16 in |
173.4 kN 38982 lb |
220.4 kN 49548 lb |
| XST413-40 |
XS413-40 |
2-1/2 in |
149.2 mm 5-7/8 in |
198 mm 7-51/64 in |
27 mm 1-1/16 in |
173.4 kN 38982 lb |
220.4 kN 49548 lb |
| XST413 |
XS413 |
65 mm |
149.2 mm 5-7/8 in |
198 mm 7-51/64 in |
27 mm 1-1/16 in |
173.4 kN 38982 lb |
220.4 kN 49548 lb |
| XST415-43 |
XS415-43 |
2-11/16 in |
169.9 mm 6-11/16 in |
225.4 mm 8-7/8 in |
46 mm 1-13/16 in |
186.8 kN 41995 lb |
244.4 kN 54944 lb |
| XST415-44 |
XS415-44 |
2-3/4 in |
169.9 mm 6-11/16 in |
225.4 mm 8-7/8 in |
46 mm 1-13/16 in |
186.8 kN 41995 lb |
244.4 kN 54944 lb |
| XST415-47 |
XS415-47 |
2-15/16 in |
169.9 mm 6-11/16 in |
225.4 mm 8-7/8 in |
46 mm 1-13/16 in |
186.8 kN 41995 lb |
244.4 kN 54944 lb |
| XST415 |
XS415 |
75 mm |
169.9 mm 6-11/16 in |
225.4 mm 8-7/8 in |
46 mm 1-13/16 in |
186.8 kN 41995 lb |
244.4 kN 54944 lb |
| XST415-48 |
XS415-48 |
3 in |
169.9 mm 6-11/16 in |
225.4 mm 8-7/8 in |
46 mm 1-13/16 in |
186.8 kN 41995 lb |
244.4 kN 54944 lb |
| XST418-55 |
XS418-55 |
3-7/16 in |
198.4 mm 7-13/16 in |
255.6 mm 10-1/16 in |
46 mm 1-13/16 in |
284.0 kN 63846 lb |
383.7 kN 86260 lb |
| XST418-56 |
XS418-56 |
3-1/2 in |
198.4 mm 7-13/16 in |
255.6 mm 10-1/16 in |
46 mm 1-13/16 in |
284.0 kN 63846 lb |
383.7 kN 86260 lb |
| XST418 |
XS418 |
90 mm |
198.4 mm 7-13/16 in |
255.6 mm 10-1/16 in |
46 mm 1-13/16 in |
284.0 kN 63846 lb |
383.7 kN 86260 lb |
|