| HGH15CA滑块、HGH15CA导轨、HGH20CA滑块、HGH20CA导轨、HGH20HA滑块、HGH20HA导轨 |
|
|

|
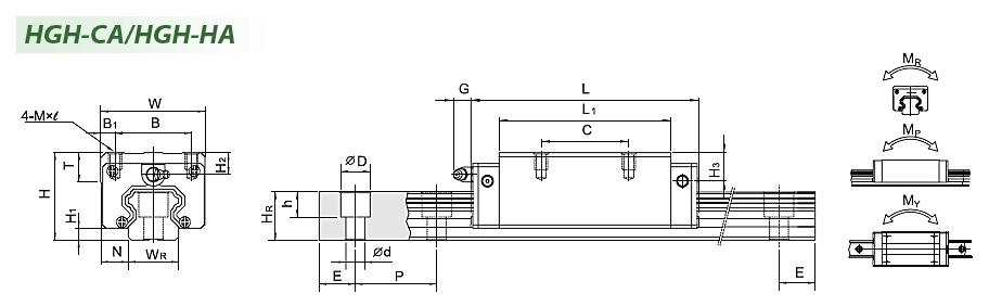
型號 |
組件尺寸 (mm) |
滑塊尺寸 (mm) |
|
H |
H1 |
N |
W |
B |
B1 |
C |
L1 |
L |
G |
M x l |
T |
H2 |
H3 |
|
HGH 15CA |
28 |
4.3 |
9.5 |
34 |
26 |
4 |
26 |
39.4 |
61.4 |
5.3 |
M4 x 5 |
6 |
8.5 |
9.5 |
|
HGH 20CA HGH 20HA |
30 |
4.6 |
12 |
44 |
32 |
6 |
36 50 |
50.5 65.2 |
77.5 92.2 |
12 |
M5 x 6 |
8 |
6 |
7 |
|
HGH 25CA HGH 25HA |
40 |
5.5 |
12.5 |
48 |
35 |
6.5 |
35 50 |
58 78.6 |
84 104.6 |
12 |
M6 x 8 |
8 |
10 |
13 |
|
HGH 30CA HGH 30HA |
45 |
6 |
16 |
60 |
40 |
10 |
40 60 |
70 93 |
97.4 120.4 |
12 |
M8 x 10 |
8.5 |
9.5 |
13.8 |
|
HGH 35CA HGH 35HA |
55 |
7.5 |
18 |
70 |
50 |
10 |
50 72 |
80 105.8 |
112.4 138.2 |
12 |
M8 x 12 |
10.2 |
16 |
19.6 |
|
HGH 45CA HGH 45HA |
70 |
9.5 |
20.5 |
86 |
60 |
13 |
60 80 |
97 128.8 |
139.4 171.2 |
12.9 |
M10 x 17 |
16 |
18.5 |
30.5 |
|
HGH 55CA HGH 55HA |
80 |
13 |
23.5 |
100 |
75 |
12.5 |
75 95 |
117.7 155.8 |
166.7 204.8 |
12.9 |
M12 x 18 |
17.5 |
22 |
29 |
|
HGH 65CA HGH 65HA |
90 |
15 |
31.5 |
126 |
76 |
25 |
70 120 |
144.2 203.6 |
200.2 259.6 |
12.9 |
M16 x 20 |
25 |
15 |
15 |
|
滑軌尺寸 (mm) |
滑軌的 固定 螺栓 尺寸 (mm) |
基本 動額定 負荷 C(kN) |
基本 靜額定 負荷 C0(kN) |
容許靜力距 |
重量 |
|
MR (kN-m) |
MP (kN-m) |
MY (kN-m) |
滑塊 (kg) |
滑軌 (kg/m) |
|
WR |
HR |
D |
h |
d |
P |
E |
|
15 |
15 |
7.5 |
5.3 |
4.5 |
60 |
20 |
M4 x 16 |
11.38 |
25.31 |
0.17 |
0.15 |
0.15 |
0.18 |
1.45 |
|
20 |
17.5 |
9.5 |
8.5 |
6 |
60 |
20 |
M5 x 16 |
17.75 21.18 |
37.84 48.84 |
0.38 0.48 |
0.27 0.47 |
0.27 0.47 |
0.30 0.39 |
2.21 |
|
23 |
22 |
11 |
9 |
7 |
60 |
20 |
M6 x 20 |
26.48 32.75 |
56.19 76.00 |
0.64 0.87 |
0.51 0.88 |
0.51 0.88 |
0.51 0.69 |
3.21 |
|
28 |
26 |
14 |
12 |
9 |
80 |
20 |
M8 x 25 |
38.74 47.27 |
83.06 10.13 |
1.06 1.40 |
0.85 1.47 |
0.85 1.47 |
0.88 1.16 |
4.47 |
|
34 |
29 |
14 |
12 |
9 |
80 |
20 |
M8 x 25 |
49.52 60.21 |
102.87 136.31 |
1.73 2.29 |
1.20 2.08 |
1.20 2.08 |
1.45 1.92 |
6.30 |
|
45 |
38 |
20 |
17 |
14 |
105 |
22.5 |
M12 x 35 |
77.57 94.54 |
155.93 207.12 |
3.01 4.00 |
2.35 4.07 |
2.35 4.07 |
2.73 3.61 |
10.41 |
|
53 |
44 |
23 |
20 |
16 |
120 |
30 |
M14 x 45 |
114.44 139.35 |
227.81 301.26 |
5.66 7.49 |
4.06 7.01 |
4.06 7.01 |
4.17 5.49 |
15.08 |
|
63 |
53 |
26 |
22 |
18 |
150 |
35 |
M16 x 50 |
163.63 208.36 |
324.71 457.15 |
10.02 14.15 |
6.44 11.12 |
6.44 11.12 |
7.00 9.82 |
21.18 |
|
|
|
|