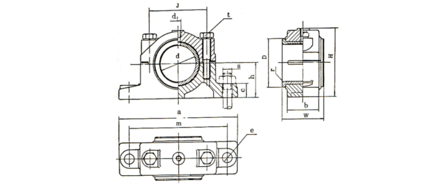
滑动轴承座ZHC2-120,ZHC2-130,ZHC2-140,ZHC2-160 
|
型号 |
d H8 |
D |
W |
h h12 |
b |
a |
m |
c |
H |
J |
U |
v |
t |
r |
s |
重量 (公斤) |
|
ZHC2-30 |
30 |
50 |
60 |
50 |
40 |
180 |
140 |
25 |
85 |
65 |
13 |
17 |
M10 |
2.0 |
M12 |
2.5 |
|
ZHC2-35 |
35 |
55 |
60 |
60 |
40 |
210 |
160 |
30 |
100 |
75 |
18 |
24 |
M12 |
2.5 |
M16 |
3.3 |
|
ZHC2-40 |
40 |
60 |
70 |
60 |
50 |
210 |
160 |
30 |
102 |
75 |
18 |
24 |
M12 |
2.5 |
M16 |
4.0 |
|
ZHC2-45 |
45 |
65 |
70 |
70 |
50 |
240 |
180 |
35 |
118 |
80 |
18 |
24 |
M12 |
2.5 |
M16 |
5.7 |
|
ZHC2-50 |
50 |
70 |
80 |
70 |
55 |
240 |
180 |
35 |
118 |
85 |
18 |
24 |
M12 |
2.5 |
M16 |
6.5 |
|
ZHC2-55 |
55 |
75 |
80 |
80 |
55 |
270 |
210 |
35 |
140 |
100 |
22 |
30 |
M16 |
2.5 |
M20 |
8.9 |
|
ZHC2-60 |
60 |
80 |
80 |
80 |
55 |
270 |
210 |
35 |
140 |
100 |
22 |
30 |
M16 |
2.5 |
M20 |
8.9 |
|
ZHC2-65 |
65 |
95 |
80 |
90 |
55 |
300 |
240 |
45 |
150 |
115 |
22 |
30 |
M16 |
2.5 |
M20 |
10.8 |
|
ZHC2-70 |
70 |
100 |
90 |
90 |
65 |
300 |
240 |
45 |
155 |
120 |
22 |
30 |
M16 |
2.5 |
M20 |
12.0 |
|
ZHC2-75 |
75 |
105 |
90 |
100 |
65 |
330 |
270 |
45 |
168 |
130 |
26 |
35 |
M16 |
4.0 |
M24 |
14.0 |
|
ZHC2-80 |
80 |
110 |
90 |
100 |
65 |
330 |
270 |
45 |
172 |
135 |
26 |
35 |
M20 |
4.0 |
M24 |
14.0 |
|
ZHC2-85 |
85 |
115 |
100 |
100 |
75 |
360 |
300 |
45 |
175 |
140 |
26 |
35 |
M20 |
4.0 |
M24 |
18.5 |
|
ZHC2-90 |
90 |
120 |
100 |
100 |
75 |
360 |
300 |
45 |
178 |
150 |
26 |
35 |
M20 |
4.0 |
M24 |
19.5 |
|
ZHC2-95 |
95 |
130 |
110 |
110 |
80 |
380 |
310 |
50 |
188 |
160 |
26 |
36 |
M20 |
4.0 |
M24 |
23.2 |
|
ZHC2-100 |
100 |
140 |
110 |
110 |
80 |
380 |
310 |
50 |
195 |
170 |
26 |
36 |
M24 |
4.0 |
M24 |
23.8 |
|
ZHC2-110 |
110 |
150 |
120 |
110 |
90 |
400 |
330 |
50 |
200 |
180 |
26 |
36 |
M24 |
5.0 |
M24 |
27.3 |
|
ZHC2-120 |
120 |
160 |
130 |
120 |
100 |
430 |
340 |
55 |
215 |
190 |
26 |
36 |
M24 |
5.0 |
M24 |
39.7 |
|
ZHC2-130 |
130 |
175 |
140 |
120 |
100 |
460 |
360 |
55 |
220 |
200 |
27 |
39 |
M24 |
5.0 |
M24 |
42.6 |
|
ZHC2-140 |
140 |
190 |
150 |
130 |
110 |
480 |
380 |
60 |
250 |
220 |
33 |
48 |
M24 |
5.0 |
M30 |
56.3 |
|
ZHC2-160 |
160 |
210 |
170 |
130 |
130 |
590 |
460 |
70 |
288 |
250 |
39 |
59 |
M30 |
5.0 |
M36 |
98.3 |
|