|
|
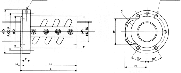
50HNFC16,50HNFL16滚珠丝杠
 
Dimensional Table
| Model No. |
Screw O.D. |
Lead |
Effective Turns |
Nut |
Flange |
Return Tube |
Oil Hole |
Dynamic Load |
Static Load |
|
D |
l |
mxn |
D1 |
D3 |
L |
LO |
L1 |
D2 |
P |
F |
J |
W |
H |
R |
Z |
Ca(kgf) |
Co(kgf) |
| 50HNFC16 |
50 |
16 |
2.5x2 |
95 |
85 |
170 |
6 |
164 |
129 |
112 |
28 |
9 |
72 |
70 |
30 |
PT1/8 |
22340 |
57900 |
| 50HNFL16 |
16 |
2.5X3 |
95 |
85 |
218 |
6 |
212 |
129 |
112 |
28 |
9 |
72 |
70 |
30 |
PT1/8 |
31670 |
86800 |
| 55HNFC16 |
55 |
16 |
2.5X2 |
98 |
92 |
170 |
6 |
164 |
132 |
115 |
28 |
9 |
77 |
72 |
30 |
PT1/8 |
24670 |
62800 |
| 55HNFL16 |
16 |
2.5X3 |
98 |
92 |
218 |
6 |
212 |
132 |
115 |
28 |
9 |
77 |
72 |
30 |
PT1/8 |
34970 |
102300 |
| 63HNFC16 |
63 |
16 |
2.5X2 |
105 |
100 |
170 |
6 |
164 |
139 |
122 |
28 |
9 |
85 |
75 |
30 |
PT1/8 |
25550 |
74000 |
| 63HNFL16 |
16 |
2.5X3 |
105 |
100 |
218 |
6 |
212 |
139 |
122 |
28 |
9 |
85 |
75 |
30 |
PT1/8 |
36210 |
111000 |
| 63HNFC20 |
20 |
2.5X2 |
116 |
105 |
210 |
8 |
202 |
155 |
136 |
32 |
11 |
90 |
85 |
40 |
PT1/8 |
34230 |
95100 |
| 63HNFL20 |
20 |
2.5X3 |
116 |
105 |
270 |
8 |
262 |
155 |
136 |
32 |
11 |
90 |
85 |
40 |
PT1/8 |
48520 |
142700 |
| 80HNFC16 |
80 |
16 |
2.5X2 |
125 |
120 |
176 |
8 |
168 |
164 |
145 |
32 |
11 |
102 |
85 |
30 |
PT1/8 |
29960 |
100300 |
|
80HNFL16 |
16 |
2.5X3 |
125 |
120 |
224 |
8 |
216 |
164 |
145 |
32 |
11 |
102 |
85 |
30 |
PT1/8 |
42460 |
150500 |
| 80HNFP16 |
16 |
3.5X3 |
125 |
120 |
272 |
8 |
264 |
164 |
145 |
32 |
11 |
102 |
85 |
30 |
PT1/8 |
56710 |
210800 |
| 80HNFL20 |
20 |
2.5X3 |
130 |
125 |
270 |
8 |
262 |
169 |
150 |
32 |
11 |
106 |
92 |
40 |
PT1/8 |
54800 |
179600 |
| 80HNFL25 |
25 |
2.5X3 |
146 |
430 |
328 |
8 |
320 |
190 |
168 |
32 |
13.5 |
112 |
104 |
40 |
PT1/8 |
72470 |
223400 |
| 100HNFL16 |
100 |
16 |
2.5X3 |
146 |
140 |
226 |
10 |
216 |
190 |
168 |
32 |
13.5 |
122 |
95 |
30 |
PT1/8 |
45970 |
183000 |
| 100HNFP16 |
16 |
3.5X3 |
146 |
140 |
274 |
10 |
264 |
190 |
168 |
32 |
13.5 |
122 |
95 |
30 |
PT1/8 |
61400 |
256200 |
| 100HNFL20 |
20 |
2.5X3 |
150 |
145 |
272 |
10 |
262 |
194 |
172 |
32 |
13.5 |
126 |
102 |
40 |
PT1/8 |
61610 |
228200 |
| 100HNFL25 |
25 |
2.5X3 |
165 |
150 |
330 |
10 |
320 |
223 |
195 |
32 |
17.5 |
132 |
114 |
40 |
PT1/8 |
81870 |
280700 |
| 125HNFL16 |
125 |
16 |
2.5X3 |
168 |
165 |
226 |
10 |
216 |
226 |
198 |
32 |
17.5 |
147 |
107 |
30 |
PT1/8 |
50740 |
231000 |
| 125HNFW16 |
16 |
3.5X4 |
168 |
165 |
338 |
10 |
328 |
226 |
198 |
32 |
17.5 |
147 |
107 |
30 |
PT1/8 |
86790 |
431200 |
| 125HNFL20 |
20 |
2.5X3 |
178 |
170 |
280 |
10 |
270 |
236 |
208 |
40 |
17.5 |
152 |
116 |
40 |
PT1/8 |
68500 |
288900 |
| 125HNFL25 |
25 |
2.5X3 |
192 |
180 |
338 |
10 |
328 |
250 |
222 |
40 |
17.5 |
157 |
127 |
40 |
PT1/8 |
92040 |
356600 |
| 140HNFO20 |
140 |
20 |
2.5X4 |
193 |
180 |
300 |
10 |
290 |
251 |
223 |
40 |
17.5 |
167 |
124 |
40 |
PT1/8 |
92290 |
433700 |
| 140HNFO25 |
25 |
2.5X4 |
207 |
195 |
413 |
10 |
403 |
265 |
237 |
40 |
17.5 |
172 |
135 |
40 |
PT1/8 |
123050 |
526600 |
| 160HNFO25 |
160 |
25 |
2.5X4 |
227 |
215 |
413 |
10 |
403 |
395 |
260 |
40 |
22 |
192 |
145 |
40 |
PT1/8 |
130390 |
602600 |
| 200HNFO25 |
200 |
25 |
2.5X4 |
267 |
255 |
413 |
10 |
403 |
435 |
300 |
40 |
22 |
232 |
165 |
40 |
PT1/8 |
146040 |
778800 |
|
|
|